Operation CHARM: Car repair manuals for everyone.
Manuals through 2025 now available!

Our trusted friends have launched a new website named LEMON, which has newer manuals. It also contains all the CHARM manuals.

LEMON is the spiritual successor to CHARM, I recommend you try it!

Link: lemon-manuals.la or lemon-manuals.org.ua

(Some people have issue connecting. LEMON is investigating. For now, use Firefox or change your DNS server)

Or, hide this message: temporarily or permanently

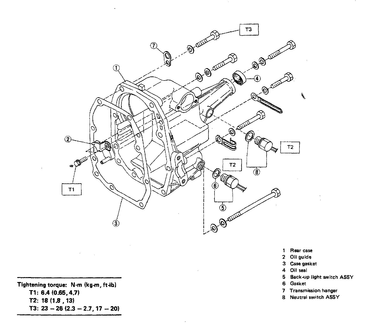
5-SPD M/T

5-spd M/T, Drive Pinion Shaft (4WD):



5-spd M/T, Drive Pinion Shaft (FWD):



5-spd M/T, Transmission Main Shaft (4WD):



5-spd M/T, Transmission Main Shaft (FWD):



5-spd M/T, Shifter Fork & Shifter Rod:



5-spd M/T, Transmission Extension (4WD):



5-spd M/T, Transmission Rear Case (FWD):



5-spd M/T, Transmission Main Case:



5-spd M/T, Transmission Mounting System: