Operation CHARM: Car repair manuals for everyone.
Manuals through 2025 now available!

Our trusted friends have launched a new website named LEMON, which has newer manuals. It also contains all the CHARM manuals.

LEMON is the spiritual successor to CHARM, I recommend you try it!

Link: lemon-manuals.la or lemon-manuals.org.ua

(Some people have issue connecting. LEMON is investigating. For now, use Firefox or change your DNS server)

Or, hide this message: temporarily or permanently

Torque Specifications

TORQUE SPECIFICATIONS





Timing Components





Cylinder Head and Camshaft





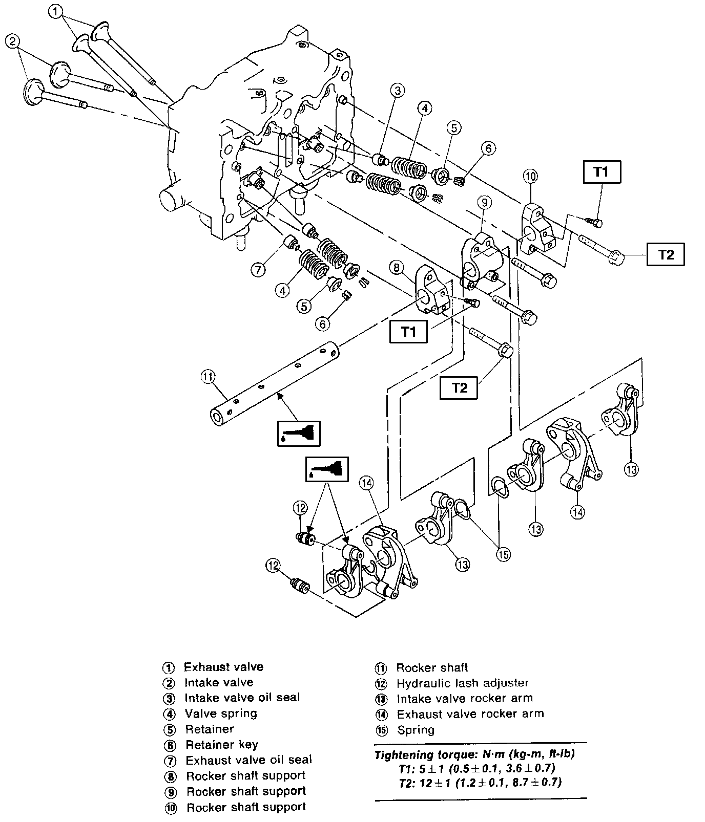
Cylinder Head Valve Assembly





Valve Rocker Assembly





Cylinder Head Bolt Torque/Sequence

Note: Apply a coat of engine oil to washers and bolt threads.

1. Tighten all bolts to 29 N.m (3.0 kg-m, 22 ft-lb) in numerical order.
2. Then tighten all bolts to 69 N.m (7.0 kg-m, 51 ft-lb) in numerical order.
3. Back off all bolts by 180° first; back them off by 180° again.
4. Tighten bolts (1) and (2) to 34 N.m (3.5 kg-m, 25 ft-lb).
5. Tighten bolts (3), (4), (5) and (6) to 15 N.m (1.5 kg-m, 11 ft-lb).
6. Tighten all bolts by 80° to 90° in numerical sequence.

CAUTION: Do not tighten bolts more than 90°.

7. Further tighten all bolts by 80° to 90° in numerical sequence.

CAUTION: Ensure that the total "re-tightening angle" does not exceed 180°.





Cylinder Block Assembly





Crankshaft, Piston and Flywheel





Oil Pump and Oil Pan

Water Pump:








Water Pump and Coolant Pipe

Intake Manifold:




Throttle Body:





Intake Manifold