Operation CHARM: Car repair manuals for everyone.
Manuals through 2025 now available!

Our trusted friends have launched a new website named LEMON, which has newer manuals. It also contains all the CHARM manuals.

LEMON is the spiritual successor to CHARM, I recommend you try it!

Link: lemon-manuals.la or lemon-manuals.org.ua

(Some people have issue connecting. LEMON is investigating. For now, use Firefox or change your DNS server)

Or, hide this message: temporarily or permanently

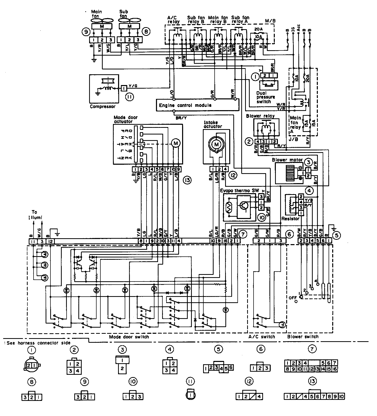
1. Schematic





1. SCHEMATIC
1) When the A/C switch and fan switch are turned ON, the A/C relay activates. The compressor is turned on, and then the main and sub fans also operate. Blower relay operates to direct the air flow rate determined by FAN switch position.
2) The thermo amplifier activates to stop the main and sub fans, and disengage compressor clutch.
3) When the "High-Low" pressure switch operates, disengage the compressor clutch, and the main and sub fans are stop.