Operation CHARM: Car repair manuals for everyone.
Manuals through 2025 now available!

Our trusted friends have launched a new website named LEMON, which has newer manuals. It also contains all the CHARM manuals.

LEMON is the spiritual successor to CHARM, I recommend you try it!

Link: lemon-manuals.la or lemon-manuals.org.ua

(Some people have issue connecting. LEMON is investigating. For now, use Firefox or change your DNS server)

Or, hide this message: temporarily or permanently

No Start Testing (Engine Starting Failure)





OVERALL DIAGNOSTIC CHART

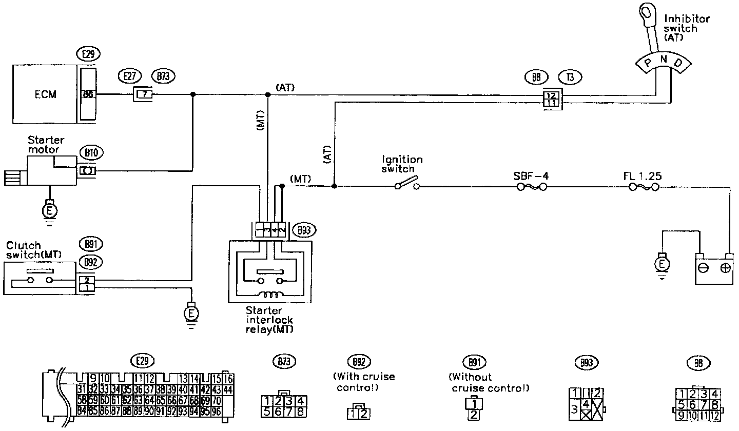
STARTER MOTOR CIRCUIT





FLOW CHARTS





WIRING DIAGRAM:

CAUTION: After repair or replacement of faulty parts, conduct CLEAR MEMORY and INSPECTION MODES.
























CONTROL MODULE POWER SUPPLY AND GROUND LINE





FLOW CHART





WIRING DIAGRAM

CAUTION: After repair or replacement of faulty parts, conduct CLEAR MEMORY and INSPECTION MODES.














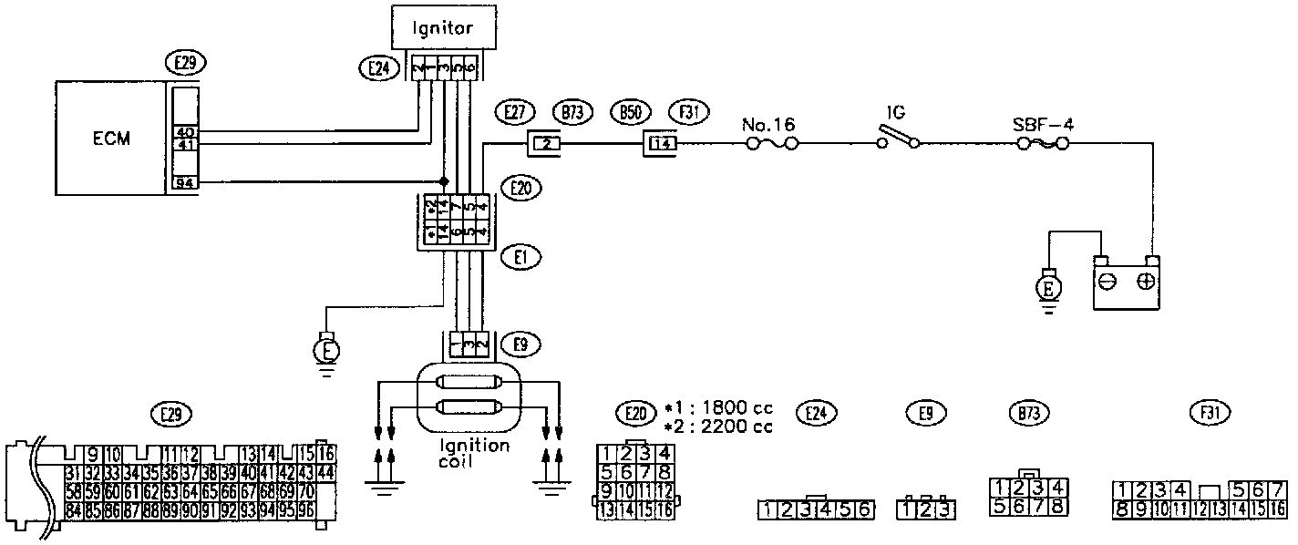
IGNITION CONTROL SYSTEM





FLOW CHART





WIRING DIAGRAM

CAUTION: After repair or replacement of faulty parts, conduct CLEAR MEMORY and INSPECTION MODES.































PROCEDURES

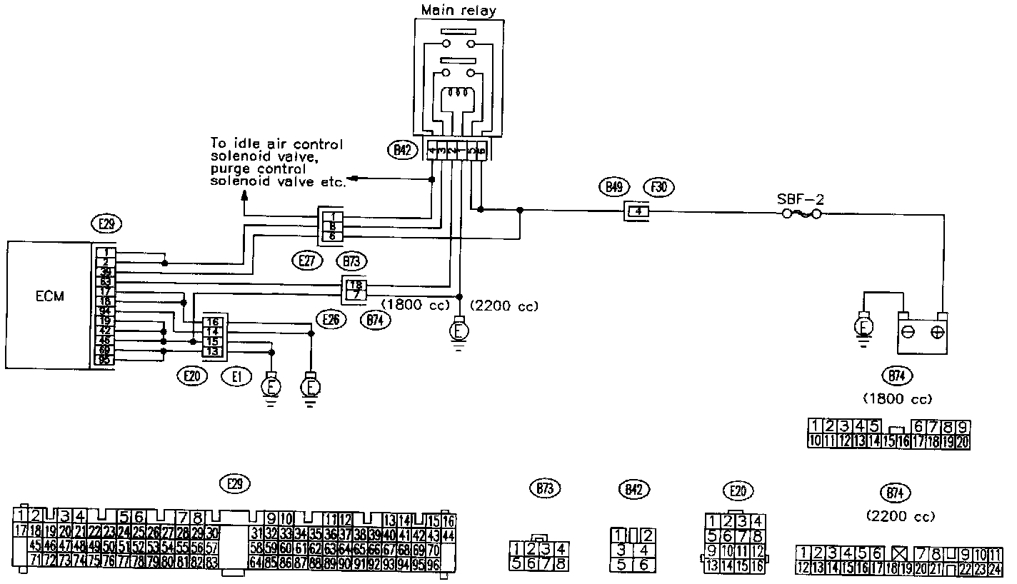
FUEL PUMP CIRCUIT





FLOW CHART





WIRING DIAGRAM

CAUTION: After repair or replacement of faulty parts, conduct CLEAR MEMORY and INSPECTION MODES.
























PROCEDURES

FUEL INJECTOR CIRCUIT

CAUTION:
- Check or repair only faulty parts.
- After repair or replacement of faulty parts, conduct CLEAR MEMORY and INSPECTION MODES.





FLOW CHART





WIRING DIAGRAM

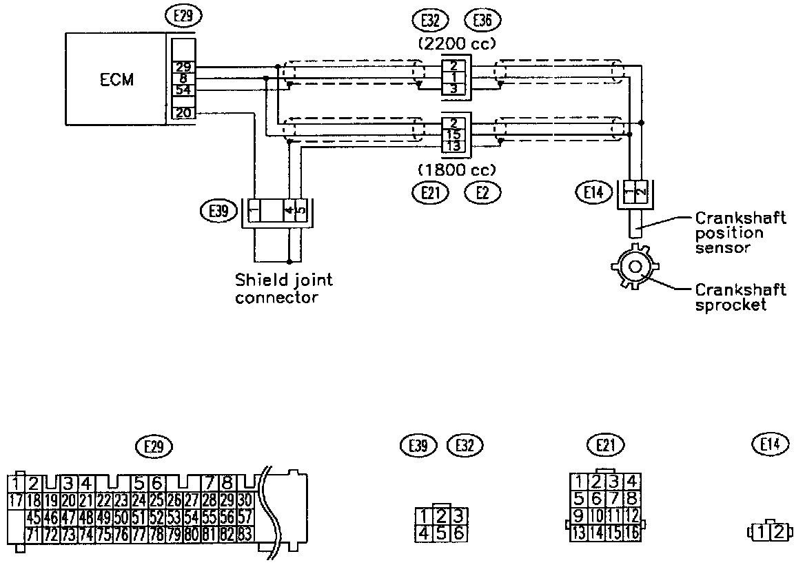
CRANKSHAFT POSITION SENSOR CIRCUIT

CAUTION: After repair or replacement of faulty parts, conduct CLEAR MEMORY and INSPECTION MODES.





FLOW CHART





WIRING DIAGRAM:

CAMSHAFT POSITION SENSOR CIRCUIT

CAUTION: After repair or replacement of faulty parts, conduct CLEAR MEMORY and INSPECTION MODES.





FLOW CHART





WIRING DIAGRAM: