Operation CHARM: Car repair manuals for everyone.
Manuals through 2025 now available!

Our trusted friends have launched a new website named LEMON, which has newer manuals. It also contains all the CHARM manuals.

LEMON is the spiritual successor to CHARM, I recommend you try it!

Link: lemon-manuals.la or lemon-manuals.org.ua

(Some people have issue connecting. LEMON is investigating. For now, use Firefox or change your DNS server)

Or, hide this message: temporarily or permanently

Assembly

ASSEMBLY





1. CRANKSHAFT AND PISTON
1) Install connecting rod bearings on connecting rods and connecting rod caps.

CAUTION: Apply oil to the surfaces of the connecting rod bearings.

2) Install connecting rod on crankshaft.

CAUTION: Position each connecting rod with the side marked facing forward.

3) Install connecting rod cap with connecting rod nut. Ensure the arrow on connecting rod cap faces the front during installation.

CAUTION:
- Each connecting rod has its own mating cap. Make sure that they are assembled correctly by checking their matching number.
- When tightening the connecting rod nuts, apply oil on the threads.


4) Installation of piston rings and oil ring
(1) Install oil ring spacer, upper rail and lower rail in this order by hand. Then install second ring and top ring with a piston ring expander.





(2) Position the top ring gap at A or B in the Figure.
(3) Position the second ring gap at 180° on the reverse side for the top ring gap.





(4) Position the upper rail gap at C or D in the Figure.
(5) Position the expander gap the at 180° of the reverse side for the upper rail gap.
(6) Position the lower rail gap at E or F in the Figure.

CAUTION:
- Ensure ring gaps do not face the same direction.
- Ensure ring gaps are not within the piston skirt area.





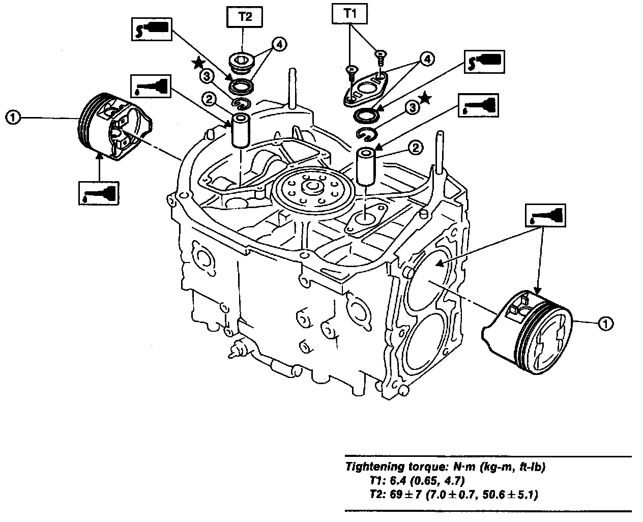
5) Install circlip.
Install circlips in piston holes located opposite service holes in cylinder block, when positioning all pistons in the corresponding cylinders.

CAUTION: Use new circlips.

2. CYLINDER BLOCK





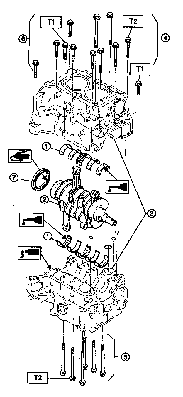
1) Install ST to cylinder block, then install crankshaft bearings. ST 499817000 ENGINE STAND

CAUTION: Remove oil the mating surface of bearing and cylinder block before installation. Also apply a coat of engine oil to crankshaft pins.

2) Position crankshaft on the #2 and #4 cylinder block.

Tightening torque:
T1: 25 ± 2 Nm (2.5 ± 0.2 kg-m, 18.1 ± 1.4 ft-Ib)
T2: 47 ± 3 Nm (4.8 ± 0.3 kg-m, 34.7 ± 2.2 ft-Ib)






3) Apply fluid packing to the mating surface of #1 and #3 cylinder block, and position it on #2 and #4 cylinder block.

Fluid packing:
THREE BOND 1215 or equivalent


CAUTION: Do not allow fluid packing to jut into 0-ring grooves, oil passages, bearing grooves, etc.

Fig. 38 Crankcase 10 MM Bolt Tightening Sequence:





4) Temporarily tighten 10 mm cylinder block connecting bolts in numerical order shown in Figure.
5) Tighten 10 mm cylinder block connecting bolts in numerical order.

Tightening torque:
47 ± 3 Nm (4.8 ± 0.3 kg-m, 34.7 ± 2.2 ft-Ib)


Fig. 39 Crankcase 8 MM & 6 MM Bolt Tightening Sequence:





6) Tighten 8 mm and 6 mm cylinder block connecting bolts in numerical order shown in Figure.

Tightening torque:
(1) - (7) : 25 ± 2 Nm (2.5 ± 0.2 kg-m, 18.1 ± 1.4 ft-Ib)
(8) : 6.4 Nm (0.65 kg-m, 4.7 ft-Ib)






7) Install rear oil seal by using ST1 and ST2.

ST1 499597100 OIL SEAL GUIDE
ST2 499587200 OIL SEAL INSTALLER





3. PISTON AND PISTON PIN (#1 AND #2)





1) Installing piston
(1) Turn cylinder block so that #1 and #2 cylinders face upward.
(2) Using ST1,turn crankshaft so that #1 and #2 connecting rods are set at bottom dead center.

ST1 499987500 CRANKSHAFT SOCKET

(3) Apply a coat of engine oil to pistons and cylinders and insert pistons in their cylinders by using ST2.

ST2 498747100 PISTON GUIDE





2) Installing piston pin
(1) Insert ST3 into service hole to align piston pin hole with connecting rod small end.

CAUTION: Apply a coat of engine oil to ST3 before insertion.

ST3 499017100 PISTON PIN GUIDE

(2) Apply a coat of engine oil to piston pin and insert piston pin into piston and connecting rod through service hole.





(3) Install circlip.

CAUTION: Use new circlips.

(4) Install service hole plug and gasket.

CAUTION: Use a new gasket and apply a coat of fluid packing to it before installation.

Fluid packing:
THREE BOND 1215 or equivalent






4. PISTON AND PISTON PIN (#3 AND #4)
Turn cylinder block so that #3 and #4 cylinders face upward. Using the same procedures as used for #1 and #2 cylinders, install pistons and piston pins.