Operation CHARM: Car repair manuals for everyone.
Manuals through 2025 now available!

Our trusted friends have launched a new website named LEMON, which has newer manuals. It also contains all the CHARM manuals.

LEMON is the spiritual successor to CHARM, I recommend you try it!

Link: lemon-manuals.la or lemon-manuals.org.ua

(Some people have issue connecting. LEMON is investigating. For now, use Firefox or change your DNS server)

Or, hide this message: temporarily or permanently

Removal

REMOVAL





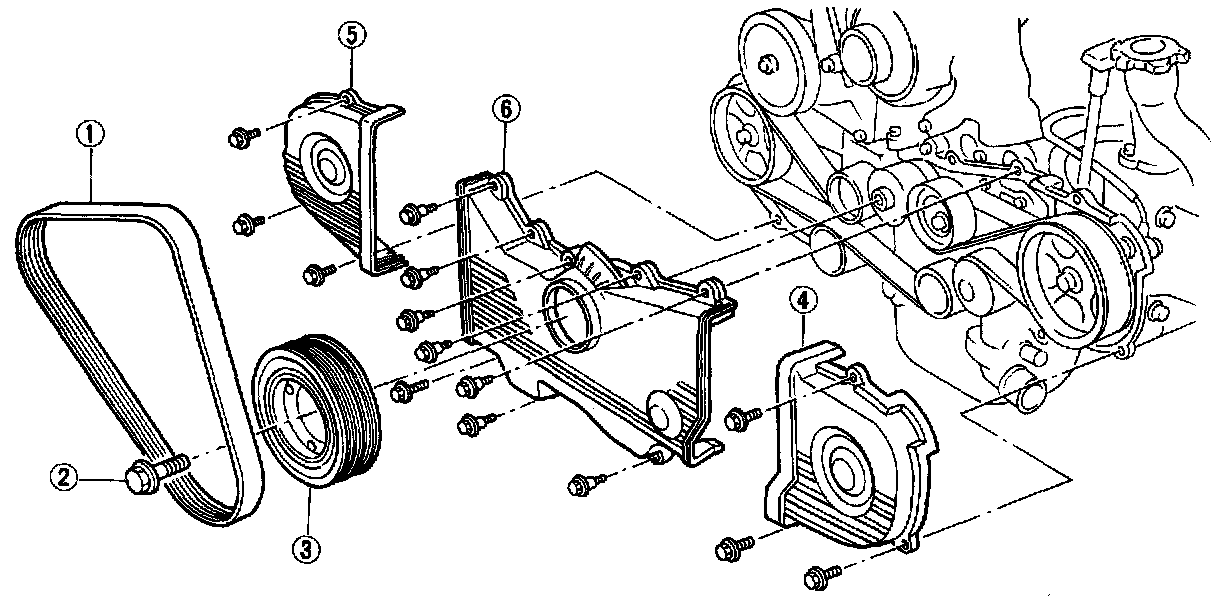
1. CRANKSHAFT PULLEY AND BELT COVER





1) Remove V-belt and A/C belt tensioner.
2) Remove pulley bolt. To lock crankshaft use ST.

ST 499977000 CRANKSHAFT PULLEY WRENCH

3) Remove crankshaft pulley.
4) Remove left side belt cover.
5) Remove right side belt cover.
6) Remove front belt cover.





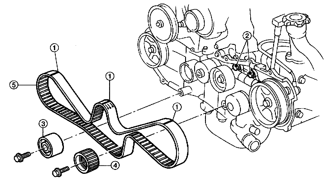
2. TIMING BELT





1) If alignment mark (2) and/or arrow mark (which indicates rotation direction) on timing belt fade away, put new marks before removing timing belt as follows:





(1) Turn crankshaft, and align alignment marks (2) on crankshaft sprocket, and left and right camshaft sprockets with notches (1) of belt cover and cylinder block.

ST 499987500 CRANKSHAFT SOCKET





(2) Using white paint, put alignment and/or arrow marks on timing belts in relation to the sprockets.

Z1: 44 tooth length
Z2: 40.5 tooth length





2) Loosen tensioner adjuster mounting bolts.
3) Remove belt idler.
4) Remove belt idler No.2.
5) Remove timing belt.
6) Remove tensioner adjuster.





3. BELT TENSIONER AND IDLER
1) Remove belt idler.
2) Remove belt tensioner and spacer.
3) Remove belt tensioner adjuster.





4. SPROCKET





1) Remove left side camshaft sprocket.
2) Remove right side camshaft sprocket. To lock camshaft use ST.

ST 499207100 CAMSHAFT SPROCKET WRENCH

3) Remove crankshaft sprocket.
4) Remove left side belt cover No.2.
5) Remove right side belt cover No.2.

CAUTION: Do not damage or lose the seal rubber when removing belt covers.

6) Remove tensioner bracket.