Operation CHARM: Car repair manuals for everyone.
Manuals through 2025 now available!

Our trusted friends have launched a new website named LEMON, which has newer manuals. It also contains all the CHARM manuals.

LEMON is the spiritual successor to CHARM, I recommend you try it!

Link: lemon-manuals.la or lemon-manuals.org.ua

(Some people have issue connecting. LEMON is investigating. For now, use Firefox or change your DNS server)

Or, hide this message: temporarily or permanently

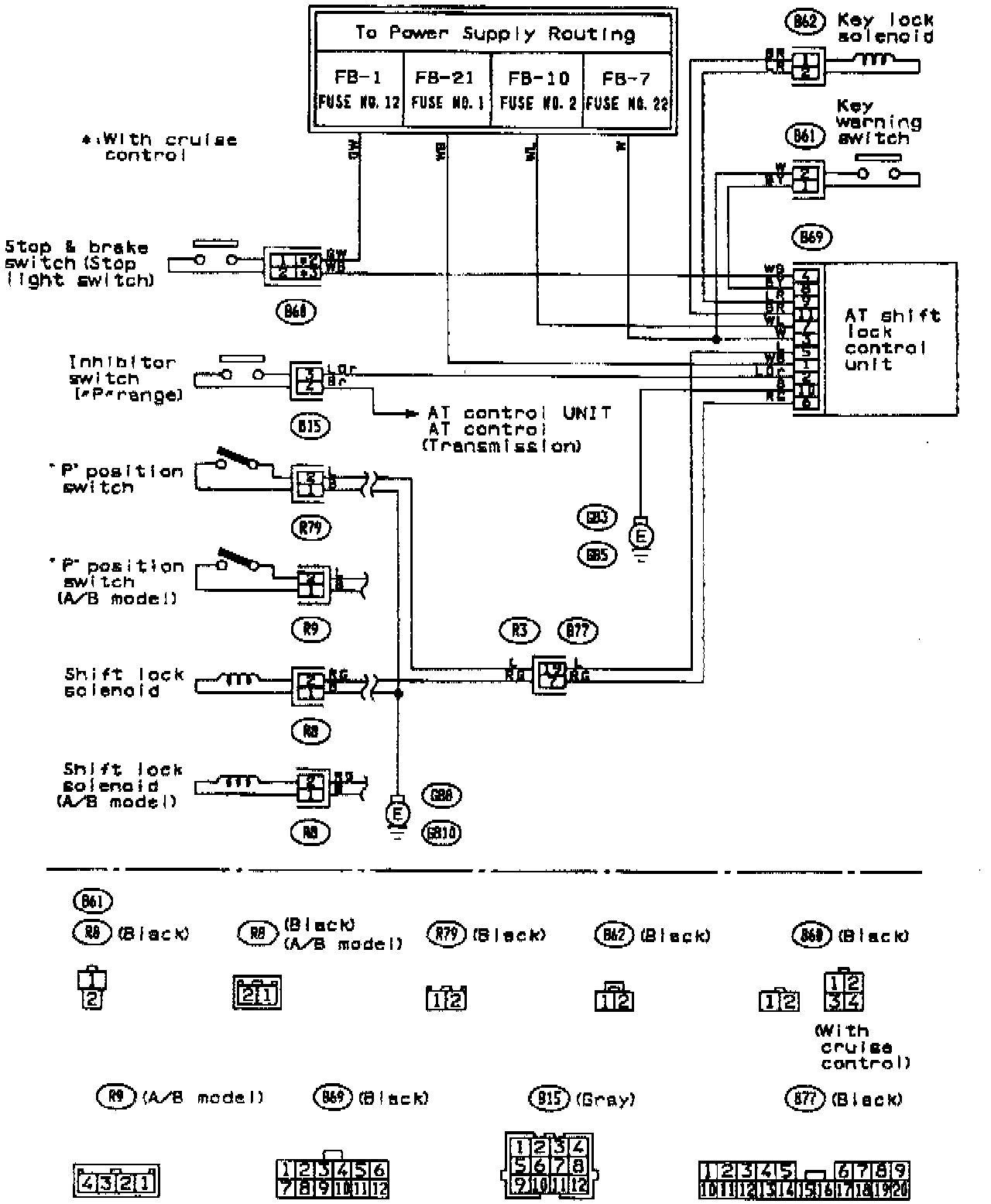
Shift Interlock: Testing and Inspection

Fig. 5 Shift Lock System Wiring Diagram:




Fig. 9.1 - Basic Troubleshooting Chart:




Fig. 9.2 - Troubleshooting Procedure 1:




Fig. 9.3 - Troubleshooting Procedure 2:




Fig. 9.4 - Troubleshooting Procedure 3:




Fig. 9.5 - Troubleshooting Procedure 4:




Refer to Fig. 5, for shift lock system wiring diagrams and to Fig. 9, for diagnosis of the shift lock system.