Operation CHARM: Car repair manuals for everyone.
Manuals through 2025 now available!

Our trusted friends have launched a new website named LEMON, which has newer manuals. It also contains all the CHARM manuals.

LEMON is the spiritual successor to CHARM, I recommend you try it!

Link: lemon-manuals.la or lemon-manuals.org.ua

(Some people have issue connecting. LEMON is investigating. For now, use Firefox or change your DNS server)

Or, hide this message: temporarily or permanently

Installation





1. SPROCKET





1) Install right-hand belt cover No.2.





2) Install left-hand belt cover No.2.





3) Install tensioner bracket.
4) Install crankshaft sprocket.





5) Install right-hand exhaust camshaft sprocket. To lock camshaft, use ST.
6) Install right-hand intake camshaft sprocket using ST.
7) Install left-hand exhaust camshaft sprocket using ST.
8) Install left-hand intake camshaft sprocket using ST.
ST 499207300 CAMSHAFT SPROCKET WRENCH






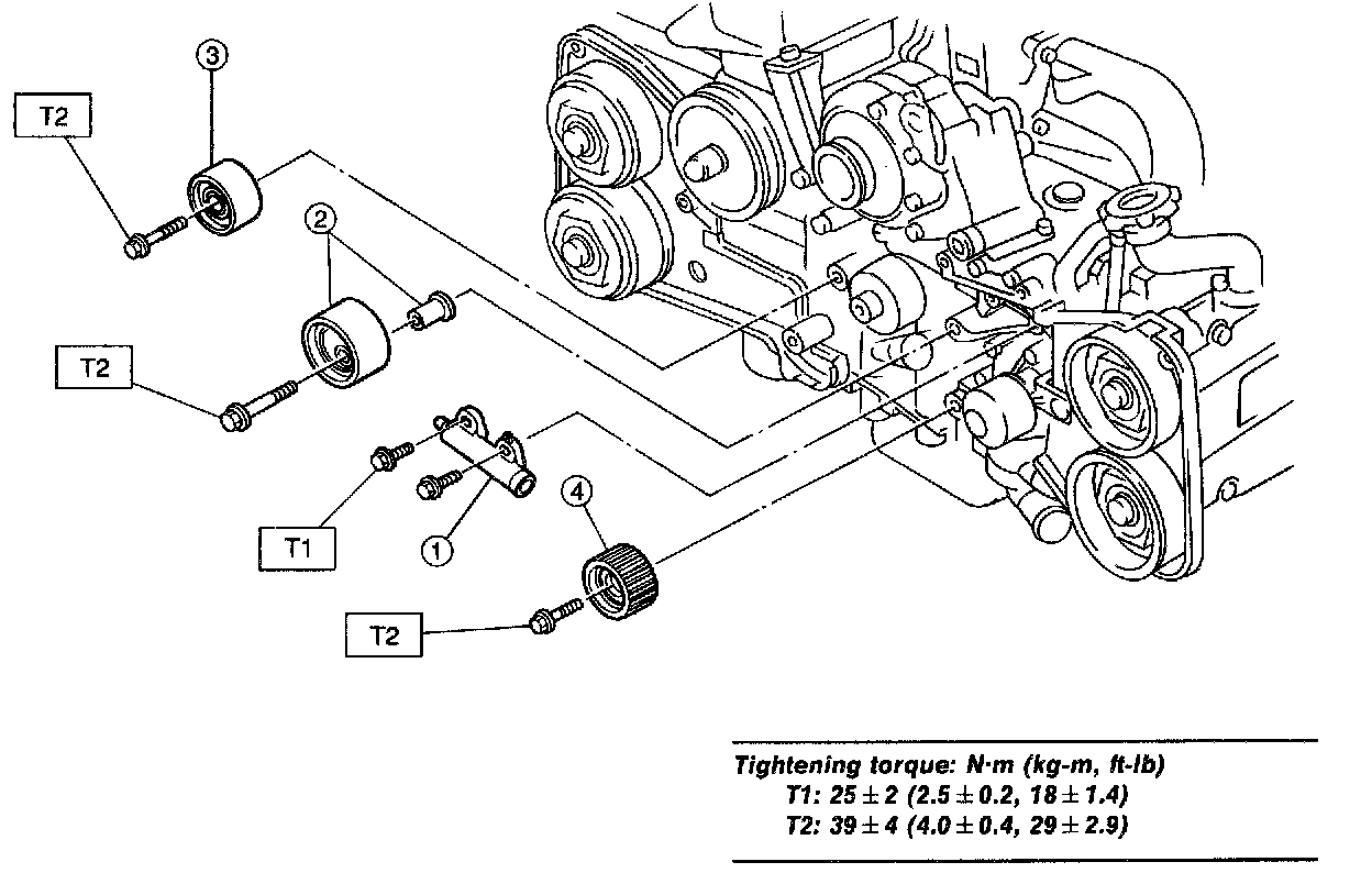
2. BELT TENSIONER AND IDLER








1) Installation of belt tensioner adjuster
(1) Insert stopper pin 1.5 mm (0.059 in) dia. into place while pushing tension adjuster rod into body using a press.

CAUTION:
- Do not allow press pressure to exceed 9,807 N (1,000 kg, 2,205 lb).
- Do not release press pressure until stopper pin is completely inserted.
- Push tension adjuster rod vertically.
- Press-in the push rod gradually, taking three minutes or more.





(2) Temporarily tighten bolts while tension adjuster is pushed all the way to the right.





2) Install belt tensioner.
3) Install belt idler.
4) Install belt idler No.2.







3. Timing Belt

1) Crankshaft and camshaft sprocket alignment

Crankshaft Sprocket:





(1) Align mark on crankshaft sprocket with mark on the oil pump cover at cylinder block.

RH Exhaust Camshaft:





(2) Align single line mark on right-hand exhaust camshaft sprocket with notch on belt cover.

RH Intake Camshaft:





(3) Align single line mark on right-hand exhaust camshaft sprocket with notch on belt cover.
(Make sure double lines on intake camshaft and exhaust camshaft sprockets are aligned.)

LH Exhaust Camshaft:





(4) Align single line mark on left-hand exhaust camshaft sprocket with notch on belt cover by turning sprocket counter-clockwise (as viewed from front of engine).

LH Intake Camshaft:





(5) Align single line mark on left-hand intake camshaft sprocket with notch on belt cover by turning sprocket clockwise (as viewed from front of engine). Insure double lines on intake and exhaust camshaft sprockets are aligned.





(6) Ensure camshaft and crankshaft sprockets are positioned as shown.





CAUTION:
- Intake and exhaust camshafts for this DOHC engine can be independently rotated with timing belts removed. As can be seen from the figure, if intake and exhaust valves are lifted simultaneously, their heads will interfere with each other, resulting in bent valves.





- When timing belts are not installed, four camshafts are held at the "zero-lift" position, where all cams on camshafts do not push intake and exhaust valves down. (Under this condition, all valves remain unlifted.)
- When camshafts are rotated to install timing belts, #2 intake and #4 exhaust cam of left-hand camshafts are held to push their corresponding valves down. (Under this condition, these valves are held lifted.) Right-side camshafts are held so that their cams do not push valves down.
- Left-hand camshafts must be rotated from the "zero- lift" position to the position where timing belt is to be installed at as small an angle as possible, in order to prevent mutual interference of intake and exhaust valve heads.
- Do not allow camshafts to rotate in the direction shown in the upper of figure as this causes both intake and exhaust valves to lift simultaneously, resulting in interference with their heads.





2) Installation of timing belt
Align alignment mark on timing belt with marks on sprockets in the numerical order shown in figure. While aligning marks, position timing belt properly.





CAUTION: Ensure belt's rotating direction is correct.





3) Install belt idler.

CAUTION: Make sure that the marks on timing belt and sprockets are aligned.





4) Loosen tension adjuster attaching bolts and move adjuster all the way to the left. Tighten the bolts.





5) After ensuring that the marks on timing belt and sprockets are aligned, remove stopper pin from tension adjuster.







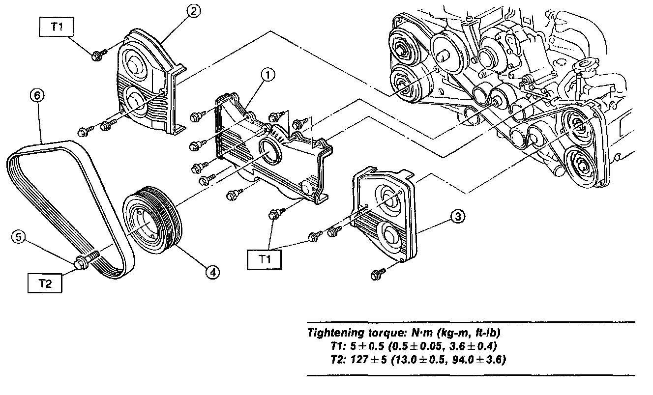
4. CRANKSHAFT PULLEY AND BELT COVER





1) Install front belt cover.





2) Install right-hand belt cover.





3) Install left-hand belt cover.
4) Install crankshaft pulley.





5) Install pulley bolt by using ST.
ST 499977000 CRANKSHAFT PULLEY WRENCH
6) Install V-belt.

CAUTION: After installing V-belt, check and adjust V-belt tension.