Operation CHARM: Car repair manuals for everyone.
Manuals through 2025 now available!

Our trusted friends have launched a new website named LEMON, which has newer manuals. It also contains all the CHARM manuals.

LEMON is the spiritual successor to CHARM, I recommend you try it!

Link: lemon-manuals.la or lemon-manuals.org.ua

(Some people have issue connecting. LEMON is investigating. For now, use Firefox or change your DNS server)

Or, hide this message: temporarily or permanently

Removal





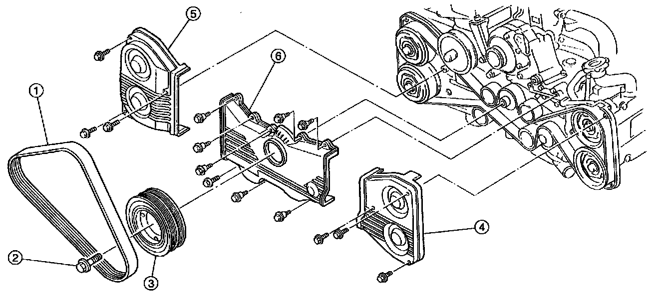
1. CRANKSHAFT PULLEY AND BELT COVER





1) Remove V-belt cover, V-belt and air conditioning compressor drive belt tensioner.
2) Remove pulley bolt. To lock crankshaft, use ST. ST 499977000 CRANKSHAFT PULLEY WRENCH
3) Remove crankshaft pulley.





4) Remove left-hand belt cover.





5) Remove right-hand belt cover.





6) Remove front belt cover









2. TIMING BELT





1) If alignment mark and/or arrow mark (which indicates rotation direction) on timing belt fade away, put new marks before removing timing belt as follows:
(1) Turn crankshaft using ST, and align alignment marks on crankshaft sprocket, left-hand intake camshaft sprocket, left-hand exhaust camshaft sprocket, right-hand intake camshaft sprocket and right hand exhaust camshaft sprocket with notches of belt cover and cylinder block. ST 499987500 CRANKSHAFT SOCKET











(2) Using white paint put alignment and/or arrow marks on timing belts in relation to the sprockets.

Z1: 54.5 tooth length
Z2: 51 tooth length
Z3: 28 tooth length






2) Loosen tensioner adjuster mounting bolts.
3) Remove belt idler.





4) Remove timing belt.
5) Remove belt idler No.2.

CAUTION: After timing belt has been removed, never rotate intake and exhaust, camshaft sprocket.
If camshaft sprocket is rotated, the intake and exhaust valve heads strike together and valve stems are bent.







3. BELT TENSIONER AND IDLER





1) Remove belt idler.





2) Remove belt idler No.2.





3) Remove belt tensioner and spacer.





4) Remove belt tension adjuster.






4. SPROCKET





1) Remove left-hand intake camshaft sprocket.
2) Remove left-hand exhaust camshaft sprocket.
3) Remove right-hand intake camshaft sprocket.
4) Remove right-hand exhaust camshaft sprocket. ST 499207300 CAMSHAFT SPROCKET WRENCH
5) Remove crankshaft sprocket.





6) Remove tensioner bracket.





7) Remove left-hand belt cover No.2.





8) Remove right-hand belt cover No.2.