Operation CHARM: Car repair manuals for everyone.
Manuals through 2025 now available!

Our trusted friends have launched a new website named LEMON, which has newer manuals. It also contains all the CHARM manuals.

LEMON is the spiritual successor to CHARM, I recommend you try it!

Link: lemon-manuals.la or lemon-manuals.org.ua

(Some people have issue connecting. LEMON is investigating. For now, use Firefox or change your DNS server)

Or, hide this message: temporarily or permanently

Mode FA0 - On-Off Signal List (Switch Test) 1

MODE FA0 - SWITCH 1 (SW1)











DISPLAY

Reference values
(1) Lights up when the fuse Is installed In FWD switch (No. 1).
(2) Light up when the brake pedal is depressed (No. 5).
(3) Light up when the ABS signal Is entered (No. 6).
(4) Lights up when the cruise control is set (No. 7).

LED Nos. 2 and 8 do not come on.





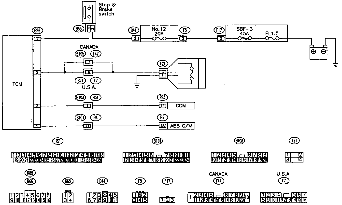
WIRING DIAGRAM