Operation CHARM: Car repair manuals for everyone.
Manuals through 2025 now available!

Our trusted friends have launched a new website named LEMON, which has newer manuals. It also contains all the CHARM manuals.

LEMON is the spiritual successor to CHARM, I recommend you try it!

Link: lemon-manuals.la or lemon-manuals.org.ua

(Some people have issue connecting. LEMON is investigating. For now, use Firefox or change your DNS server)

Or, hide this message: temporarily or permanently

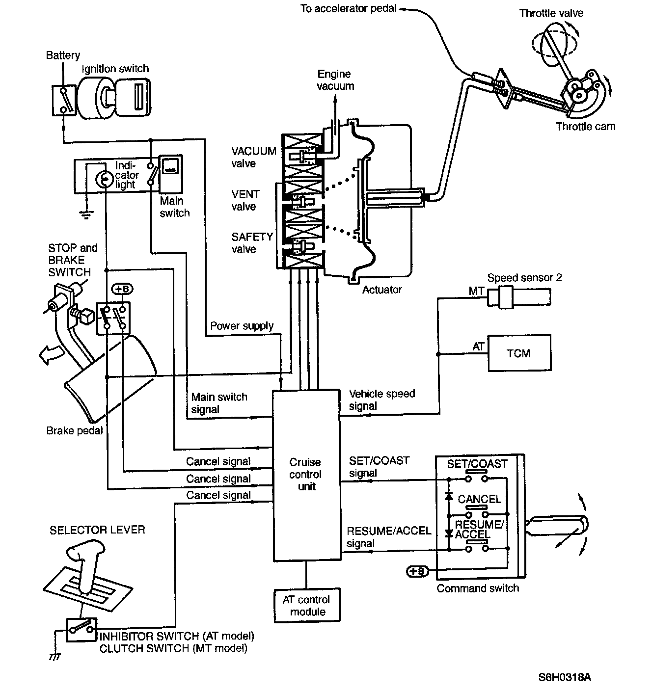
Cruise Control: Description and Operation

A: OPERATION
- The cruise control automatically controls vehicle speed and allows the vehicle to run at a constant speed without depressing the accelerator pedal.
- The cruise control module compares the actual vehicle speed detected by feedback signals from the speed sensor 2 (MI) or 1CM (AT) with the speed set in the memory memorized when the set switch was turned on.
A signal is then transmitted according to the difference between the two speeds. This signal is transmilled to the solenoid valve in the vacuum actuator located at the engine compartment.
The movement of the actuator operates the throttle cam, thereby keeping the vehicle speed constant.




B: CONTROL AND OPERATION




D: SCHEMATIC




F: SYSTEM CONSTRUCTION