Operation CHARM: Car repair manuals for everyone.
Manuals through 2025 now available!

Our trusted friends have launched a new website named LEMON, which has newer manuals. It also contains all the CHARM manuals.

LEMON is the spiritual successor to CHARM, I recommend you try it!

Link: lemon-manuals.la or lemon-manuals.org.ua

(Some people have issue connecting. LEMON is investigating. For now, use Firefox or change your DNS server)

Or, hide this message: temporarily or permanently

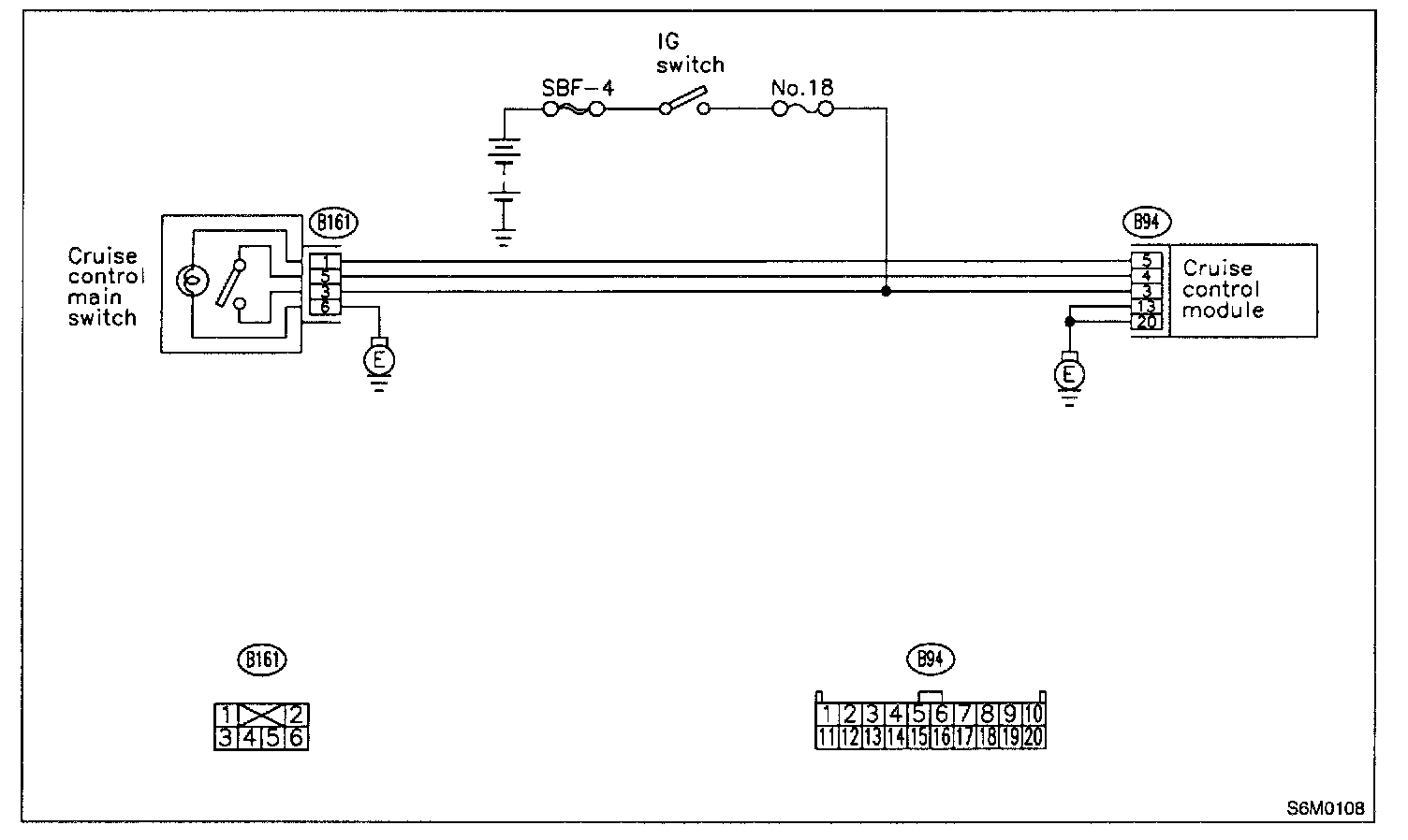
Check Indicator and Circuit In Cruise control Main Switch

DIAGNOSIS:
- Bulb failure or open harness of the indicator circuit in the cruise control main switch.

TROUBLE SYMPTOM:
- Cruise control can be set, normally indicator does not come on. (When main switch is pressed.)




WIRING DIAGRAM:

7B1: CHECK CRUISE CONTROL MAIN SWITCH.
1. Remove cruise control main switch.
2. Measure resistance between cruise control main switch terminals.

Terminals: No. 1 - No. 6:




Terminals
No.2 - No.6:

CHECK : Is resistance between 10 and 80 ohms?
YES : Go to step 7B2.
NO : Replace switch illumination bulb.

7B2: CHECK CIRCUIT BETWEEN CRUISE CONTROL MODULE AND CRUISE CONTROL MAIN SWITCH INDICATOR LIGHT.
1. Turn the ignition switch to ON.
2. Turn cruise control main switch to ON.
3. Measure voltage between cruise control main switch connector and the chassis ground.

Connector & Terminal: (B161) No. 1 (+) - Chassis Ground (-):




Connector & terminal
(B161) No.1 (+) - Chassis ground (-):

CHECK : Is voltage more than 10 V?
YES : Go to step 7B3.
NO : Repair or replace wiring harness.

7B3: CHECK CIRCUIT BETWEEN CRUISE CONTROL MODULE AND CRUISE CONTROL MAIN SWITCH INDICATOR LIGHT.
1. Turn the ignition switch and cruise control main switch to OFF.
2. Remove the connector from the cruise control main switch.
3. Measure resistance of ground circuit between the cruise control main switch connector and chassis ground.

Connector & Terminal: (B161) No. 6 (+) - Chassis Ground (-):




Connector & terminal
(B161) No.6 (+) - Chassis ground (-):

CHECK : Is resistance less than 10 ohms?
YES : Replace cruise control module.
NO : Repair or replace wiring harness.