Operation CHARM: Car repair manuals for everyone.
Manuals through 2025 now available!

Our trusted friends have launched a new website named LEMON, which has newer manuals. It also contains all the CHARM manuals.

LEMON is the spiritual successor to CHARM, I recommend you try it!

Link: lemon-manuals.la or lemon-manuals.org.ua

(Some people have issue connecting. LEMON is investigating. For now, use Firefox or change your DNS server)

Or, hide this message: temporarily or permanently

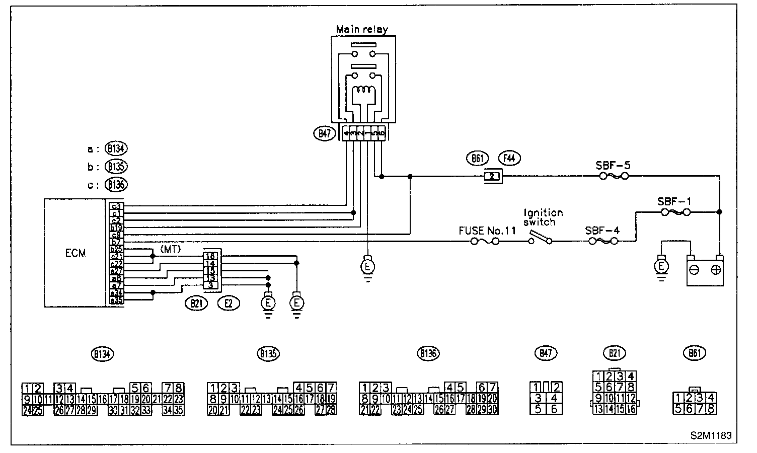
Control Module Power Supply and Ground Line

C: CONTROL MODULE POWER SUPPLY AND GROUND LINE

CAUTION: After repair or replacement of faulty parts, conduct CLEAR MEMORY MODE, Refer to How to Clear Diagnostic Trouble Codes and INSPECTION MODE, Refer to How to Clear Diagnostic Trouble Codes. Clearing Diagnostic Trouble Codes





WIRING DIAGRAM

8C1: CHECK MAIN RELAY.
1. Turn the ignition switch to OFF.
2. Remove main relay.
3. Connect battery to main relay terminals No.1 and No.2.

Terminals No.3 - No.5:





4. Measure resistance between main relay terminals.

CHECK: Is the resistance less than 10 ohm?

YES: Go to step 8C2.

NO: Replace main relay.

8C2: CHECK MAIN RELAY.

Terminals No.4 - No.8:





Measure resistance between main relay terminals.

CHECK: Is the resistance less than 10 ohm?

YES: Go to step 8C3.

NO: Replace main relay.

8C3: CHECK GROUND CIRCUIT OF ECM.
1. Turn ignition switch to OFF.

Connector & Terminal (B134) No.7 - Chassis Ground:





2. Measure resistance of harness connector between ECM and chassis ground.

CHECK: Is the resistance less than 5 Ohms

YES: Go to step 8C4.

NO: Repair open circuit in harness between ECM connector and engine grounding terminal.

8C4: CHECK GROUND CIRCUIT OF ECM.

Connector & Terminal (B134) No.8 - Chassis Ground:





Measure resistance of harness between ECM and chassis ground.

CHECK: Is the resistance less than 5 ohm?

YES: Go to step 8C5.

NO: Repair open circuit in harness between ECM connector and engine grounding terminal.

6C5: CHECK GROUND CIRCUIT OF ECM.

Connector & Terminal (B134) No.27 - Chassis Ground:





Measure resistance of harness between ECM and chassis ground.

CHECK: Is the resistance less than 5 ohm?

YES: Go to step 8C6.

NO: Repair open circuit in harness between ECM connector and engine grounding terminal.

8C6: CHECK GROUND CIRCUIT OF ECM.

Connector & Terminal (B134) No.34 - Chassis ground:





Measure resistance of harness between ECM and chassis ground.

CHECK: Is the resistance less than 5 ohm?

YES: Go to step 8C7.

NO: Repair open circuit in harness between ECM connector and engine grounding terminal.

8C7: CHECK GROUND CIRCUIT OF ECM.

Connector & Terminal (B134) No.35 - Chassis ground:





Measure resistance of harness between ECM and chassis ground.

CHECK: Is the resistance less than 5 ohm?

YES: Go to step 8C8.

NO: Repair open circuit in harness between ECM connector and engine ground terminal.

8C8: CHECK GROUND CIRCUIT OF ECM.

Connector & Terminal (B136) No.21 - Chassis ground:





Measure voltage between ECM connector and chassis ground.

CHECK: Is the resistance less than 5 ohm?

YES: Go to step 8C9.

NO: Repair open circuit in harness between ECM connector and engine grounding terminal.

8C9: CHECK GROUND CIRCUIT OF ECM.

Connector & Terminal (B136) No.22 - Chassis ground:





Measure voltage between ECM connector and chassis ground.

CHECK: Is the resistance less than 5 ohm?

YES: Go to step 8C10.

NO: Repair open circuit in harness between ECM connector and engine grounding terminal.

8C10: CHECK INPUT VOLTAGE OF ECM.
1. Disconnect connector from ECM..

Connector & Terminal (B136) No.9 (+) - Chassis ground (-):





2. Measure voltage between ECM connector and chassis ground.

CHECK: Is the voltage more than 10 V?

YES: Go to step 8C11.

NO: Repair open or ground short circuit of power supply circuit.

8C11: CHECK OUTPUT VOLTAGE FROM ECM.
1. Ignition switch to ON.

Connector & Terminal (B135) No.7 (+) - Chassis ground (-):





2. Measure voltage between ECM connector and chassis ground.

CHECK: Is the voltage more than 10 V?

YES: Go to step 8C12.

NO: Repair open or ground short circuit of power supply circuit.

8C12: CHECK HARNESS BETWEEN ECM AND MAIN RELAY CONNECTOR.
1) Ignition switch to OFF.

Connector & Terminal (B135) No.19 - Chassis ground:





2) Measure voltage between ECM and chassis ground.

CHECK: Is the resistance more than 1 Mohm?

YES: Go to step 8C13.

NO: :Repair ground short circuit in harness between ECM connector and main relay connector, then replace ECM.

8C13: CHECK OUTPUT VOLTAGE FROM ECM.
1. Connect connector to ECM.

2) Ignition switch to ON.

Connector & Terminal (B135) No.19 (+) - Chassis ground (-):





3) Measure voltage between ECM connector and chassis ground.

CHECK: Is the voltage more than 10 V?

YES: Go to step 8C14.

NO: Replace ECM.

8C14: CHECK INPUT VOLTAGE OF MAIN RELAY.

Connector & Terminal (B47) No.2 (+) - Chassis ground (-):





Check voltage between main relay connector and chassis ground.

CHECK: Is the voltage more than 10 V?

YES: Go to step 8C15.

NO: Repair open circuit in harness between ECM connector and main relay connector.

8C15: CHECK GROUND CIRCUIT OF MAIN RELAY.
1) Ignition switch to OFF.

Connector & Terminal (B47) No.1 - Chassis ground:





2) Measure resistance between main relay connector and chassis ground.

CHECK: Is the resistance less than 5 Ohms?

YES: Go to step 8C16.

NO: Repair open circuit between main relay and chassis ground.

8C16: CHECK INPUT VOLTAGE OF MAIN RELAY.

Connector & Terminal (B47) No.5 (+) - Chassis ground (-):





Measure voltage between main relay connector and chassis ground.

CHECK: Is the voltage more than 10 V?

YES: Go to step 8C17.

NO: Repair open or ground short circuit in harness of power supply circuit.

8C17: CHECK INPUT VOLTAGE OF MAIN RELAY.

Connector & Terminal (B47) No.6 (+) - Chassis ground (-):





Measure voltage between main relay connector and chassis ground.

CHECK: Is the voltage more than 10 V?

YES: Go to step 8C18.

NO: Repair open or ground short circuit in harness of power supply circuit.

8C18: CHECK INPUT VOLTAGE OF ECM.
1) Connect main relay connector.

2) Ignition switch to ON.

Connector & Terminal (B136) No.1 (+) - Chassis ground (-):





3) Measure voltage between ECM connector and chassis ground.

CHECK: Is the voltage more than 10 V?

YES: Go to step 8C19.

NO: Repair open or ground short circuit in harness between ECM connector and main relay connector.

8C19: CHECK INPUT VOLTAGE OF ECM.

Connector & Terminal (B136) No.2 (+) - Chassis ground (-):





Measure voltage between ECM connector and chassis ground.

CHECK: Is the voltage more than 10 V?

YES: Go to step 8C20.

NO: Repair open or ground short circuit in harness between ECM connector and main relay connector.

8C20: CHECK INPUT VOLTAGE OF ECM.

Connector & Terminal (B136) No.3 (+) - Chassis ground (-):





Measure voltage between ECM connector and chassis ground.

CHECK: Is the voltage more than 10 V?

YES: Go to step 8C21.

NO: Repair open or ground short circuit in harness between ECM connector and main relay connector.

8C21: CHECK TRANSMISSION TYPE.

CHECK: Is transmission type AT?

YES: Check ignition control system.

NO: Go to step 8C22.

8C22: CHECK GROUND CIRCUIT OF ECM.

Connector & Terminal (B135) No.25 - Chassis ground:





Measure resistance of harness between ECM and chassis ground.

CHECK: Is the resistance less than 5 Ohms?

YES: Check ignition control system.

NO: Repair open circuit in harness between ECM connector and engine grounding terminal.