Operation CHARM: Car repair manuals for everyone.
Manuals through 2025 now available!

Our trusted friends have launched a new website named LEMON, which has newer manuals. It also contains all the CHARM manuals.

LEMON is the spiritual successor to CHARM, I recommend you try it!

Link: lemon-manuals.la or lemon-manuals.org.ua

(Some people have issue connecting. LEMON is investigating. For now, use Firefox or change your DNS server)

Or, hide this message: temporarily or permanently

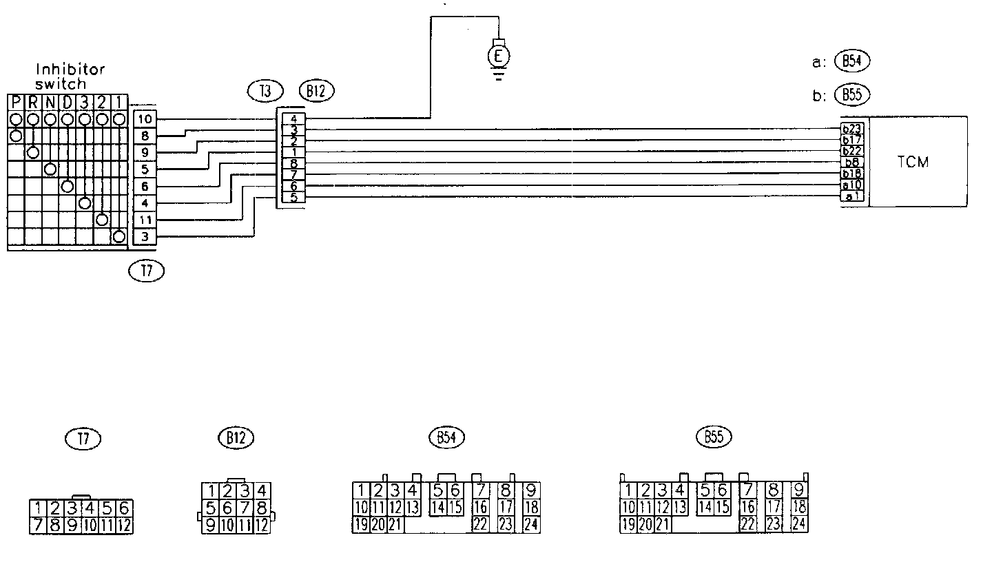
Check "N/P" Range Switch

CHECK "N/P" RANGE SWITCH

Steps 9T1 - 9T2:




Steps 9T3 - 9T4:




Steps 9T5 - 9T7:




Steps 9T8 - 9T11:




Steps 9T12 - 9T15:




Steps 9T16 - 9T18:





DIAGNOSIS:
Input signal circuit of "P" or "N" range is open or shorted.





WIRING DIAGRAM: