Operation CHARM: Car repair manuals for everyone.
Manuals through 2025 now available!

Our trusted friends have launched a new website named LEMON, which has newer manuals. It also contains all the CHARM manuals.

LEMON is the spiritual successor to CHARM, I recommend you try it!

Link: lemon-manuals.la or lemon-manuals.org.ua

(Some people have issue connecting. LEMON is investigating. For now, use Firefox or change your DNS server)

Or, hide this message: temporarily or permanently

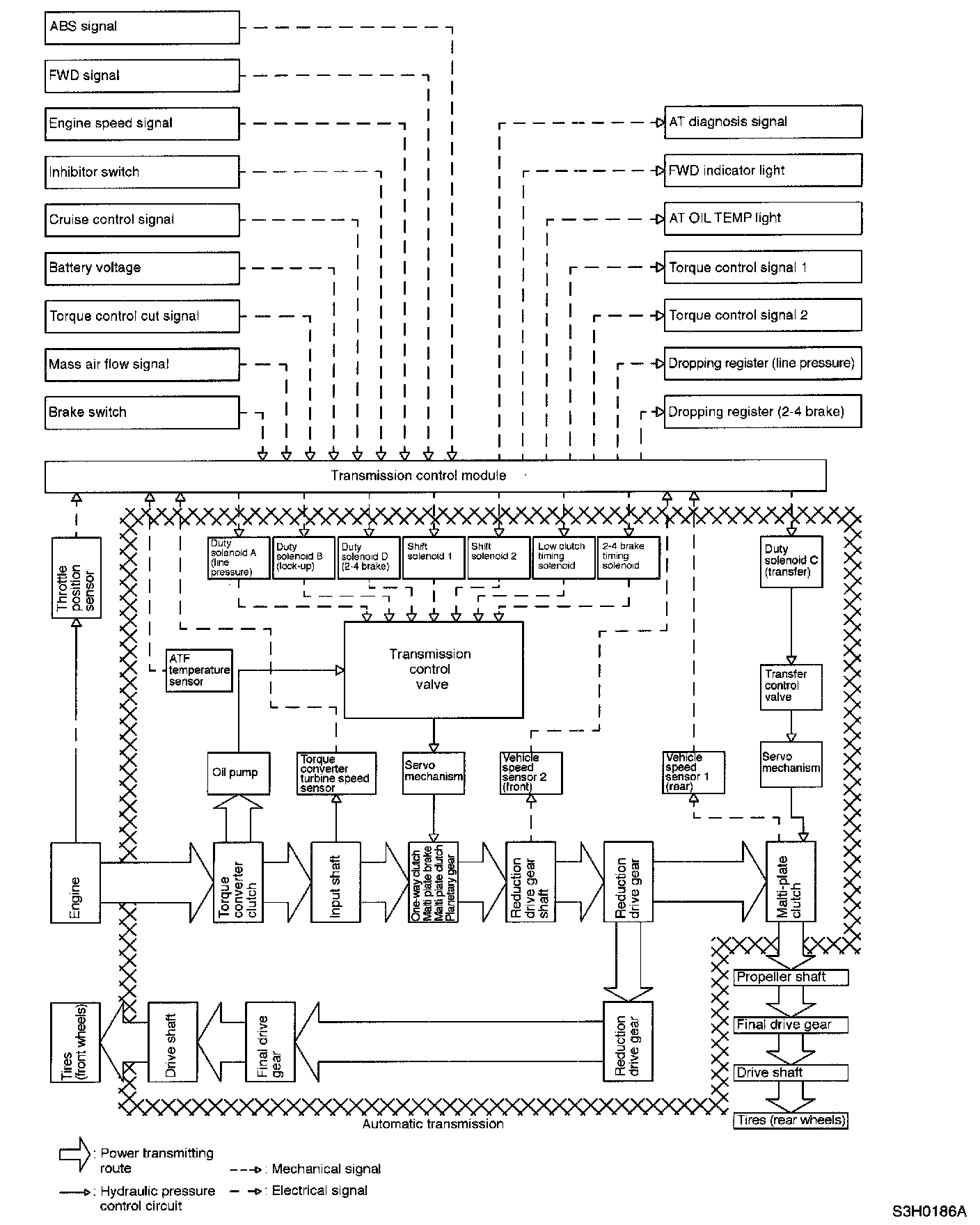
Control Module: Description and Operation

Transmission Control Module (TCM)
TCM receives various sensor signals and determines the running conditions of the vehicle. It then sends control signals to each solenoid according to the preset gearshift characteristic data, lockup operation data, and transfer clutch torque data (duty ratio).








A: CONTROL SYSTEM





B: SYSTEM DIAGRAM

C: SHIFT CONTROL





Gearshifting is controlled in response to driving conditions, according to the shift point characteristic data stored in the TCM. Solenoids are operated at the proper time corresponding to the shift pattern, throttle position, and vehicle speed for smooth shifting.





NOTE: When oil temperature is below approximately 10°C (50°F), the vehicle cannot be shifted to the 4th gear.

^ Control module activates both solenoids 1 and 2 in response to throttle and vehicle speed signals.
^ Shift valve moves in response to solenoid operation, supplying/interrupting clutch pressure to the line.
^ Gears are shifted by ON-OFF operation of both solenoids as indicated in Table.

D: LOCK-UP CONTROL
The lock-up engaging and disengaging conditions are set for 4th gear shift range, gear position and shift pattern and correspond to the throttle position and vehicle speed, and the duty solenoid electronically controlled by TCM controls the lock-up clutch. The lock-up clutch engagement and disengagement are controlled by the lock-up control valve.

The lock-up control valve engages and disengages the lock-up clutch by adjusting the hydraulic pressure.

1. NON-LOCK-UP OPERATION (EXCEPT 4TH SPEED OF D RANGE)
The duty solenoid B (lock-up) allows the hydraulic pressure from the pilot valve to flow to the lockup control valve end where the spool is pushed to the "disengaging" position.
The lock-up operating pressure (torque converter clutch regulator pressure) acts on the lock-up clutch disengaging circuit, while the engaging circuit communicates with the oil cooler circuit. Accordingly, the lock-up clutch is disengaged by the pressure difference.

2. LOCK-UP OPERATION (4TH SPEED OF D RANGE)
The duty solenoid B (lock-up) allows the hydraulic pressure from the pilot valve to flow to the lockup control valve end where the spool is pushed to the "engaging" position. Then, the hydraulic pressure from the torque converter impeller flows through the valve and acts on the lock-up clutch, engaging it.

The duty solenoid B (lock-up) is controlled by the TCM and controls the operation of the lock-up control valve. Because the lock-up operating pressure is controlled by the lock-up control valve, the force applied to the lock-up clutch is controlled for smooth clutch operation.
When locking up, the clutch is set in the half-engaged state beforehand. After this, the lock-up operating pressure is gradually increased to achieve smooth locking up.

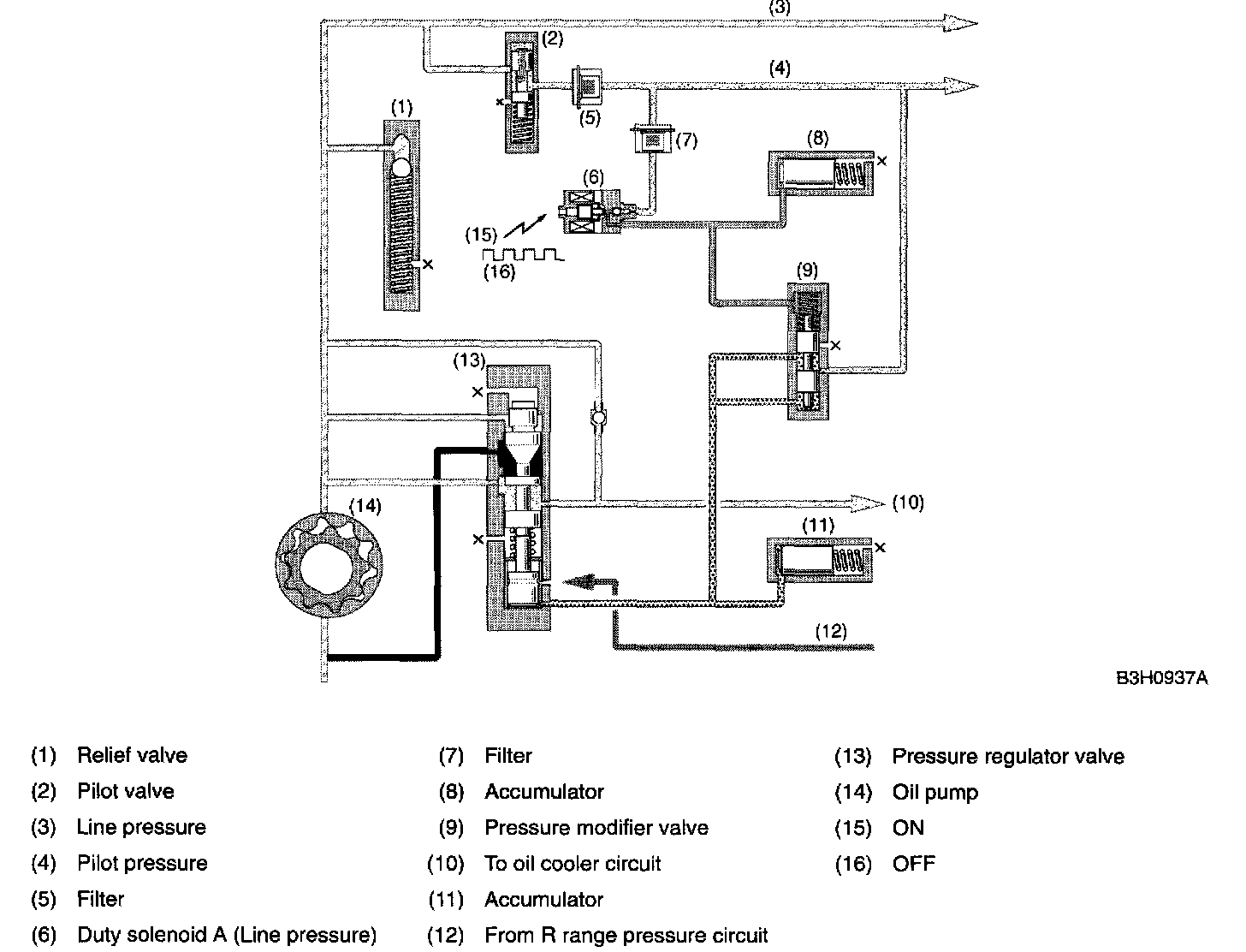
E: LINE-PRESSURE CONTROL





^ The oil pump delivery pressure (line pressure) is regulated to the constant pilot pressure by the pilot valve.
^ The pilot pressure applied to the pressure modifier valve is regulated by the line pressure controlling duty solenoid A (line pressure) and changed into the pressure modifier pressure.
^ The pressure modifier valve is an auxiliary valve for the pressure regulator valve, and it creates a signal pressure (pressure modifier pressure) for regulating the line pressure to an optimum pressure corresponding to the driving conditions.
^ This pressure modifier pressure is applied to the pressure regulator valve to control the oil pump delivery pressure.
^ The pressure modifier pressure regulated by the pressure modifier valve is smoothed by the pressure modifier accumulator and pulsation in the line pressure is eliminated.

F: LINE-PRESSURE SHIFTING CONTROL

1. FUNCTION





Oil pressure which engages shift clutches (to provide 1st through 4th speeds) is electronically controlled to meet varying operating conditions. In other words, line pressure decreases to match the selected shift position, minimizing shifting shock.

2. ELECTRONIC CONTROL OF CLUTCH OIL PRESSURE IN SUMMARY
^ Solenoids activate through the TCM which receives various control signals (throttle signal, etc.)
^ Control signals are converted into line pressure duty pressure, which is transmitted to the pressure modifier valve.

G: SHIFT PATTERN SELECT CONTROL





Shift pattern is selectable automatically between a normal pattern suitable for ordinary economy running and a power pattern suitable for climbing uphill or rapid acceleration.
In the power pattern, the shift down point and shift up point are set higher than those of the normal pattern.





1. NORMAL PATTERN TO POWER PATTERN





Depending on throttle opening and vehicle speed, 16 areas as shown in the figure are set. Accelerator depression speed for pattern changeover is set for each area.
When the accelerator depression speed exceeds this set value, the pattern changes from normal to power.

2. POWER PATTERN TO NORMAL PATTERN





The power pattern is shifted to the normal pattern, depending on car speed. Shifting to the normal pattern is determined by the throttle position as shown in Figure below. Time lag in shifting is also determined by car speed. The maximum time lag is 3 seconds.

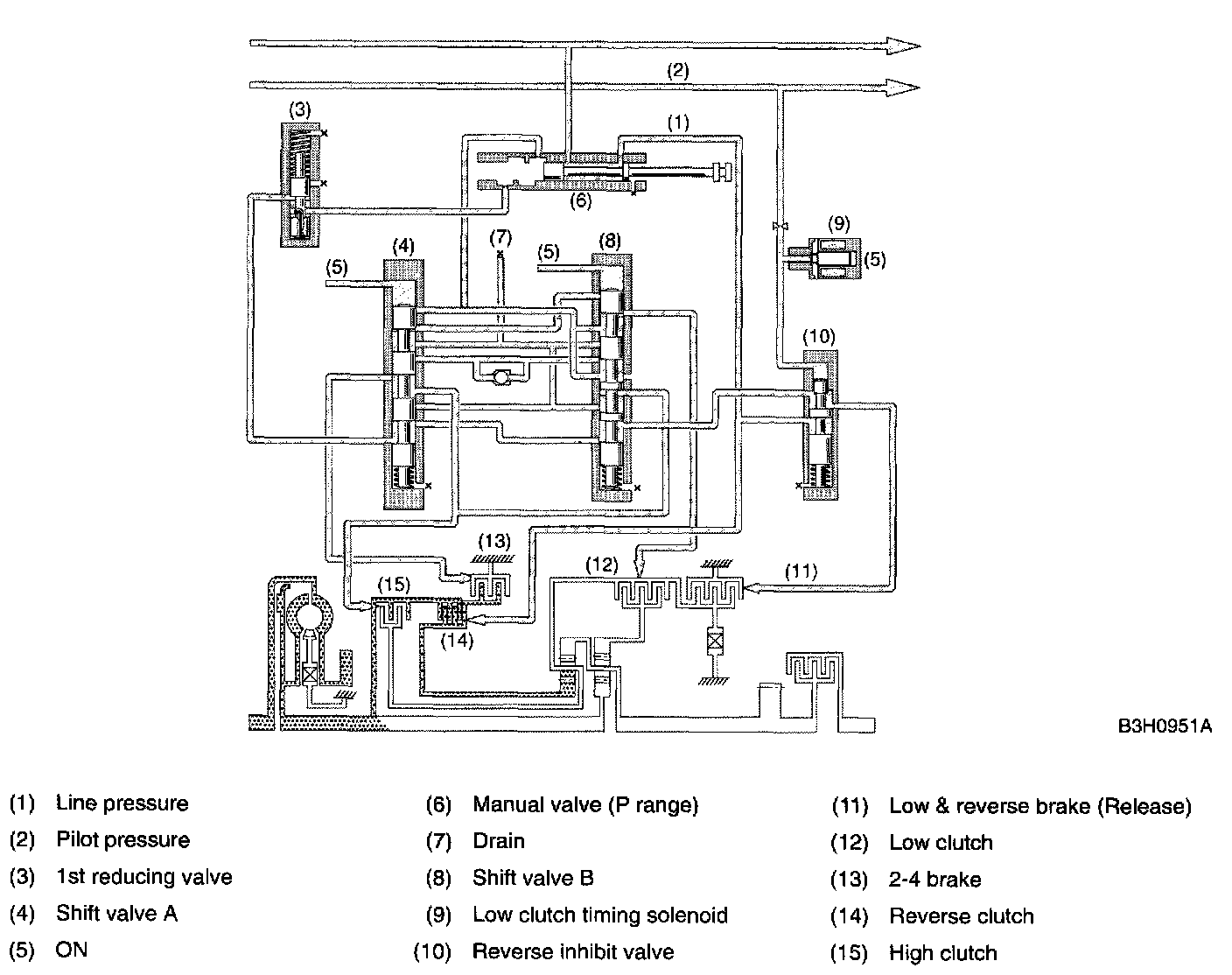
H: REVERSE INHIBIT CONTROL





This control prevents the transmission from shifting into reverse when the select lever is accidentally placed in "R" range, protecting the components such as reverse clutch against damage.
If "R" range is selected during driving at a speed higher than the predetermined, the low clutch timing solenoid is energized. Then, the pilot pressure is supplied to the reverse inhibit valve. This causes the reverse inhibit valve to move downward, closing the low & reverse brake port. In this condition, the low & reverse brake does not engage since the ATF flowing from the manual valve is blocked by the reverse inhibit valve. As a result, the transmission is put into Neutral, and the shifting into reverse is inhibited.








I: AWD TRANSFER CLUTCH CONTROL

J: TRANSFER CONTROL





The transfer hydraulic pressure control module is fitted with the transfer valve body attached to the rear end face of the transmission case via separate plate.
The hydraulic oil of the transfer hydraulic pressure control module is led from the oil pump delivery pressure circuit on the transmission case front to the transmission case rear. From there it is further fed to the hydraulic circuit of the transfer valve body.
The hydraulic oil pressure (line pressure) is regulated by the duty solenoid C (transfer) and transfer control valve for obtaining optimum rear torque distribution corresponding to the driving conditions.
^ The pilot pressure is regulated to the transfer duty pressure by the duty solenoid C (transfer) whose duty ratio is controlled by the TCM corresponding to the driving condition. (The transfer duty pressure varies with the degree of duty control.)
^ The transfer duty pressure is applied to the transfer control valve.
^ The line pressure is led also to the transfer control valve where the pressure is regulated to the transfer clutch pressure by the transfer duty pressure. (The transfer clutch pressure varies with the transfer duty pressure.)
^ The transfer clutch pressure is applied to the transfer clutch and causes the clutch to be engaged.
In this way, the transfer clutch pressure is varied so that optimum rear torque distribution can be achieved which corresponds to the vehicle driving conditions.