Operation CHARM: Car repair manuals for everyone.
Manuals through 2025 now available!

Our trusted friends have launched a new website named LEMON, which has newer manuals. It also contains all the CHARM manuals.

LEMON is the spiritual successor to CHARM, I recommend you try it!

Link: lemon-manuals.la or lemon-manuals.org.ua

(Some people have issue connecting. LEMON is investigating. For now, use Firefox or change your DNS server)

Or, hide this message: temporarily or permanently

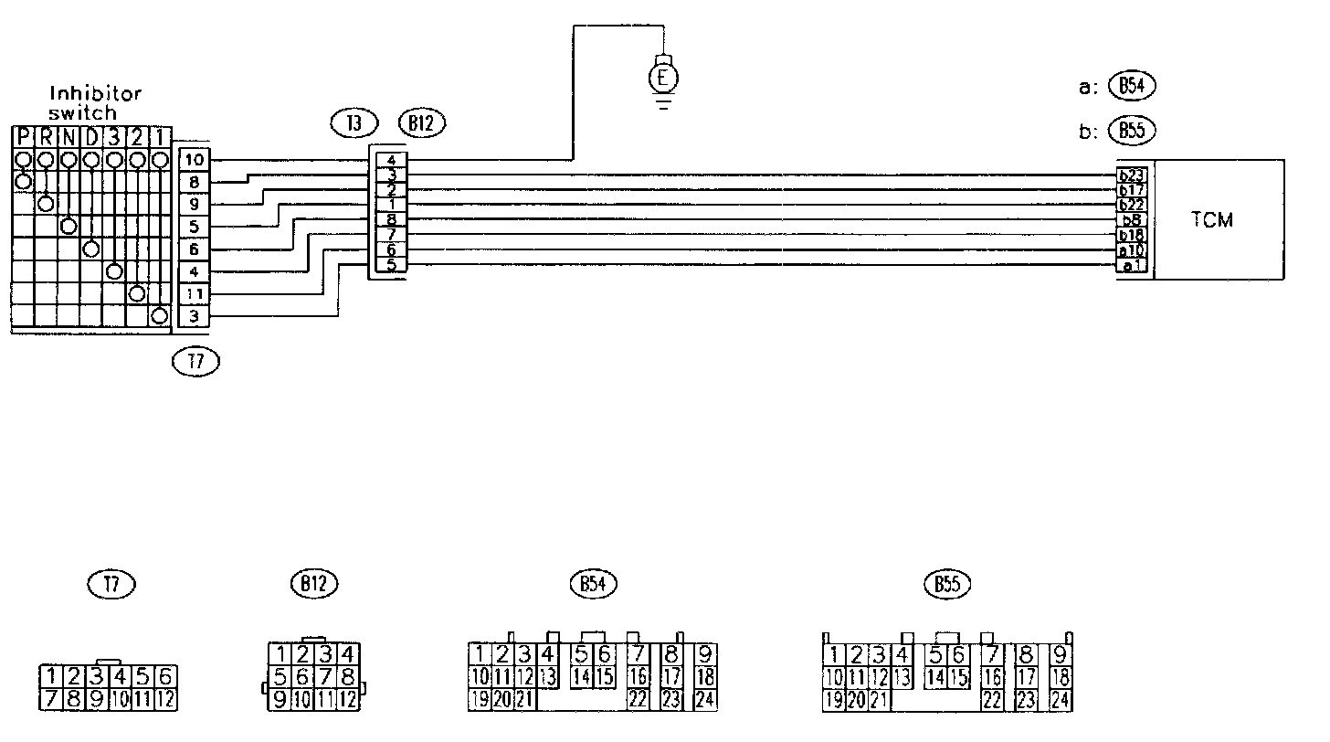
Check "1" Range Switch

CHECK "1" RANGE SWITCH

Step 9Y1:




Steps 9Y2 - 9Y4:




Steps 9Y5 - 9Y8:




Steps 9Y9 - 9Y10:





DIAGNOSIS:
Input signal circuit of 1" range is open or shorted.

TROUBLE SYMPTOM:
^ Shift characteristics are erroneous.
^ Engine brake is not effected when selector lever is in "1" range.





WIRING DIAGRAM: