Operation CHARM: Car repair manuals for everyone.
Manuals through 2025 now available!

Our trusted friends have launched a new website named LEMON, which has newer manuals. It also contains all the CHARM manuals.

LEMON is the spiritual successor to CHARM, I recommend you try it!

Link: lemon-manuals.la or lemon-manuals.org.ua

(Some people have issue connecting. LEMON is investigating. For now, use Firefox or change your DNS server)

Or, hide this message: temporarily or permanently

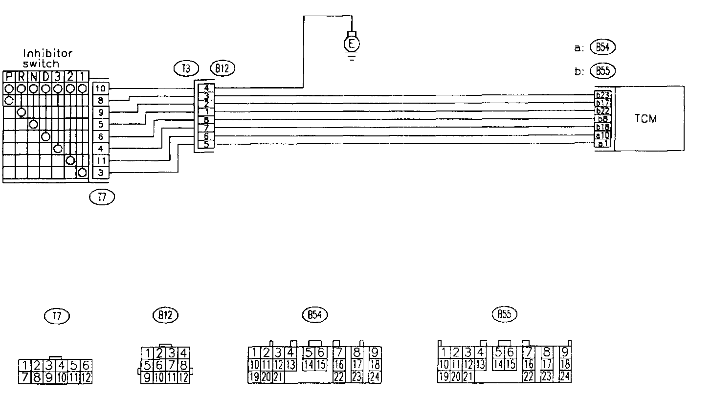
Check "2" Range Switch

CHECK "2" RANGE SWITCH

Step 9X1:




Steps 9X2 - 9X4:




Steps 9X5 - 9X8:




Steps 9X9 - 9X10:





DIAGNOSIS:
Input signal circuit of "2" range is open or shorted.

TROUBLE SYMPTOM:
^ Shift characteristics are erroneous.
^ Engine brake is not effected when selector lever is in "2" range.





WIRING DIAGRAM: