Operation CHARM: Car repair manuals for everyone.
Manuals through 2025 now available!

Our trusted friends have launched a new website named LEMON, which has newer manuals. It also contains all the CHARM manuals.

LEMON is the spiritual successor to CHARM, I recommend you try it!

Link: lemon-manuals.la or lemon-manuals.org.ua

(Some people have issue connecting. LEMON is investigating. For now, use Firefox or change your DNS server)

Or, hide this message: temporarily or permanently

Automatic Transmission/Transaxle





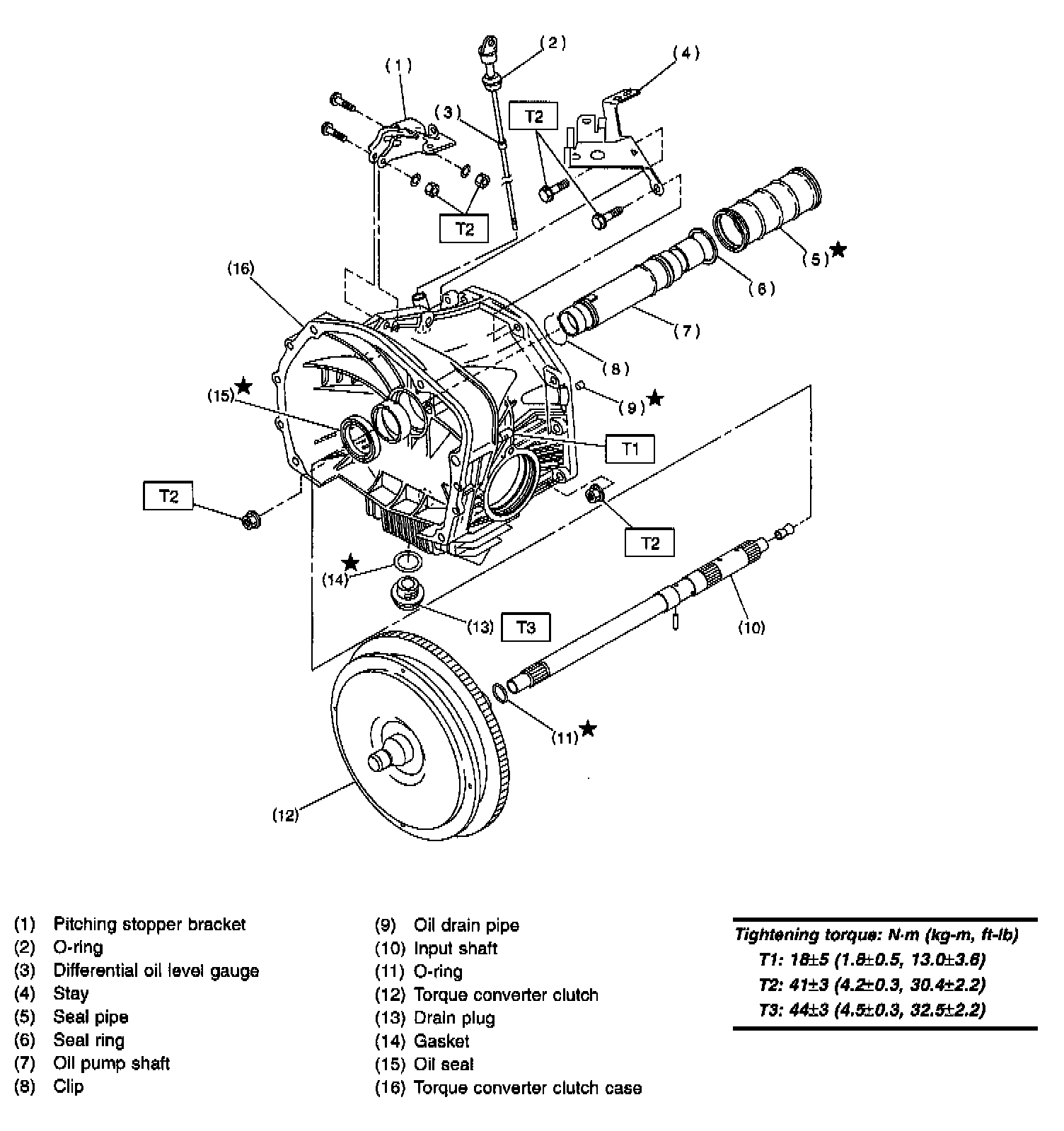
1. Torque Converter Clutch And Case





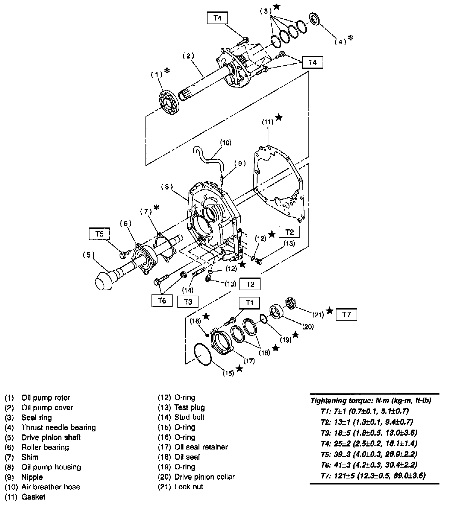
2. Oil Pump








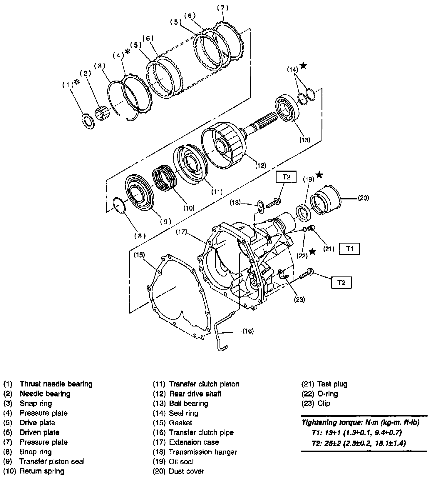
3. Transmission Case And Control Device





4. Control Valve And Harness Routing





5. High Clutch And Reverse Clutch





6. Planetary Gear And 2-4 Brake





7. Low Clutch And Low & Reverse Brake





8. Reduction Gear





9. Differential Case





10. Transfer and Extension