Operation CHARM: Car repair manuals for everyone.
Manuals through 2025 now available!

Our trusted friends have launched a new website named LEMON, which has newer manuals. It also contains all the CHARM manuals.

LEMON is the spiritual successor to CHARM, I recommend you try it!

Link: lemon-manuals.la or lemon-manuals.org.ua

(Some people have issue connecting. LEMON is investigating. For now, use Firefox or change your DNS server)

Or, hide this message: temporarily or permanently

M/T Torque Data

5-spd M/T, Transfer Case & Transmission Extension:



5-spd M/T, Transmission Shifter Fork & Rod:



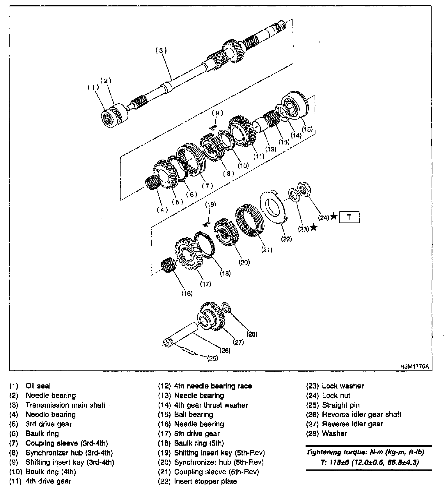
5-spd M/T, Transmission Main Shaft Assembly (2.5L) 2500 CC:



5-spd M/T, Transmission Main Shaft Assembly:



5-spd M/T, Transmission Drive Pinion Assembly (2.5L) 2500 CC:



5-spd M/T, Transmission Drive Pinion Assembly (2.2L) 2200 CC:



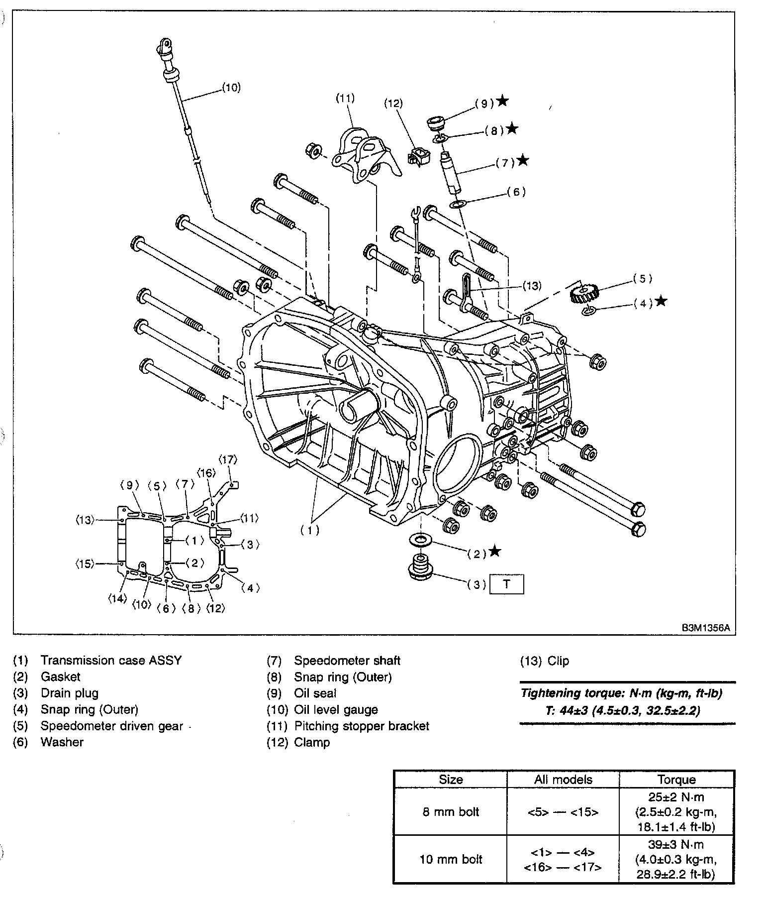
5-spd M/T, Transmission Case:



5-spd M/T, Transmission Clutch (Hydraulic Application Type):



5-spd M/T, Transmission Clutch System (Mechanical Application Type):