California Only
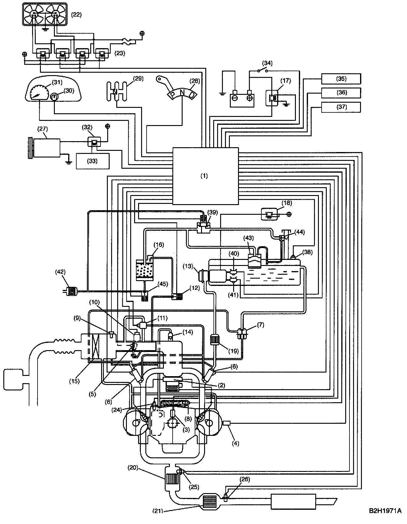
1. Engine control module (ECM)
2. Ignition coil & ignitor ASSY
3. Crankshaft position sensor
4. Camshaft position sensor
5. Throttle position sensor
6. Fuel injectors
7. Pressure regulator
8. Engine coolant temperature sensor
9. Intake air temperature sensor
10. Intake manifold pressure sensor
11. Idle air control solenoid valve
12. Purge control solenoid valve
13. Fuel pump
14. PCV valve
15. Air cleaner
16. Canister
17. Main relay
18. Fuel pump relay
19. Fuel filter
20. Front catalytic converter
21. Rear catalytic converter
22. Radiator fan
23. Radiator fan relay
24. Knock sensor
25. Front oxygen (A/F) sensor
26. Rear oxygen sensor
27. A/C compressor
28. Inhibitor switch (AT vehicles only)
29. Neutral switch (MT vehicles only)
30. CHECK ENGINE malfunction indicator lamp (MIL)
31. Tachometer
32. NC relay
33. A/C control module
34. Ignition switch
35. Transmission control module (TCM) (AT vehicles only)
36. Vehicle speed sensor
37. Data link connector
38. Fuel tank pressure sensor
39. Pressure control solenoid valve
40. Fuel temperature sensor
41. Fuel level sensor
42. Air filter
43. Vent valve
44. Shut valve
45. Drain valve