Operation CHARM: Car repair manuals for everyone.
Manuals through 2025 now available!

Our trusted friends have launched a new website named LEMON, which has newer manuals. It also contains all the CHARM manuals.

LEMON is the spiritual successor to CHARM, I recommend you try it!

Link: lemon-manuals.la or lemon-manuals.org.ua

(Some people have issue connecting. LEMON is investigating. For now, use Firefox or change your DNS server)

Or, hide this message: temporarily or permanently

Except California




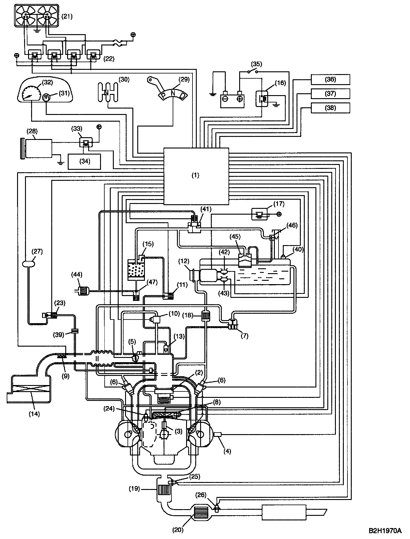
1. Engine control module (ECM)
2. Ignition coil & ignitor ASSY
3. Crankshaft position sensor
4. Camshaft position sensor
5. Throttle position sensor
6. Fuel injectors
7. Pressure regulator
8. Engine coolant temperature sensor
9. Mass air flow sensor
10. Idle air control solenoid valve
11. Purge control solenoid valve
12. Fuel pump
13. PCV valve
14. Air cleaner
15. Canister
16. Main relay
17. Fuel pump relay
18. Fuel filter
19. Front catalytic converter
20. Rear catalytic converter
21. Radiator fan
22. Radiator fan relay
23. Pressure sources switching solenoid valve
24. Knock sensor
25. Front oxygen sensor
26. Rear oxygen sensor
27. Pressure sensor
28. A/C compressor
29. Inhibitor switch (AT vehicles only)
30. Neutral switch (MT vehicles only)
31. CHECK ENGINE malfunction indicator lamp (MIL)
32. Tachometer
33. NC relay
34. NC control module
35. Ignition switch
36. Transmission control module (TCM) (AT vehicles only)
37. Vehicle speed sensor
38. Data link connector
39. Filter
40. Fuel tank pressure sensor
41. Pressure control solenoid valve
42. Fuel temperature sensor
43. Fuel level sensor
44. Air filter
45. Vent valve
46. Shut valve
47. Drain valve