Operation CHARM: Car repair manuals for everyone.
Manuals through 2025 now available!

Our trusted friends have launched a new website named LEMON, which has newer manuals. It also contains all the CHARM manuals.

LEMON is the spiritual successor to CHARM, I recommend you try it!

Link: lemon-manuals.la or lemon-manuals.org.ua

(Some people have issue connecting. LEMON is investigating. For now, use Firefox or change your DNS server)

Or, hide this message: temporarily or permanently

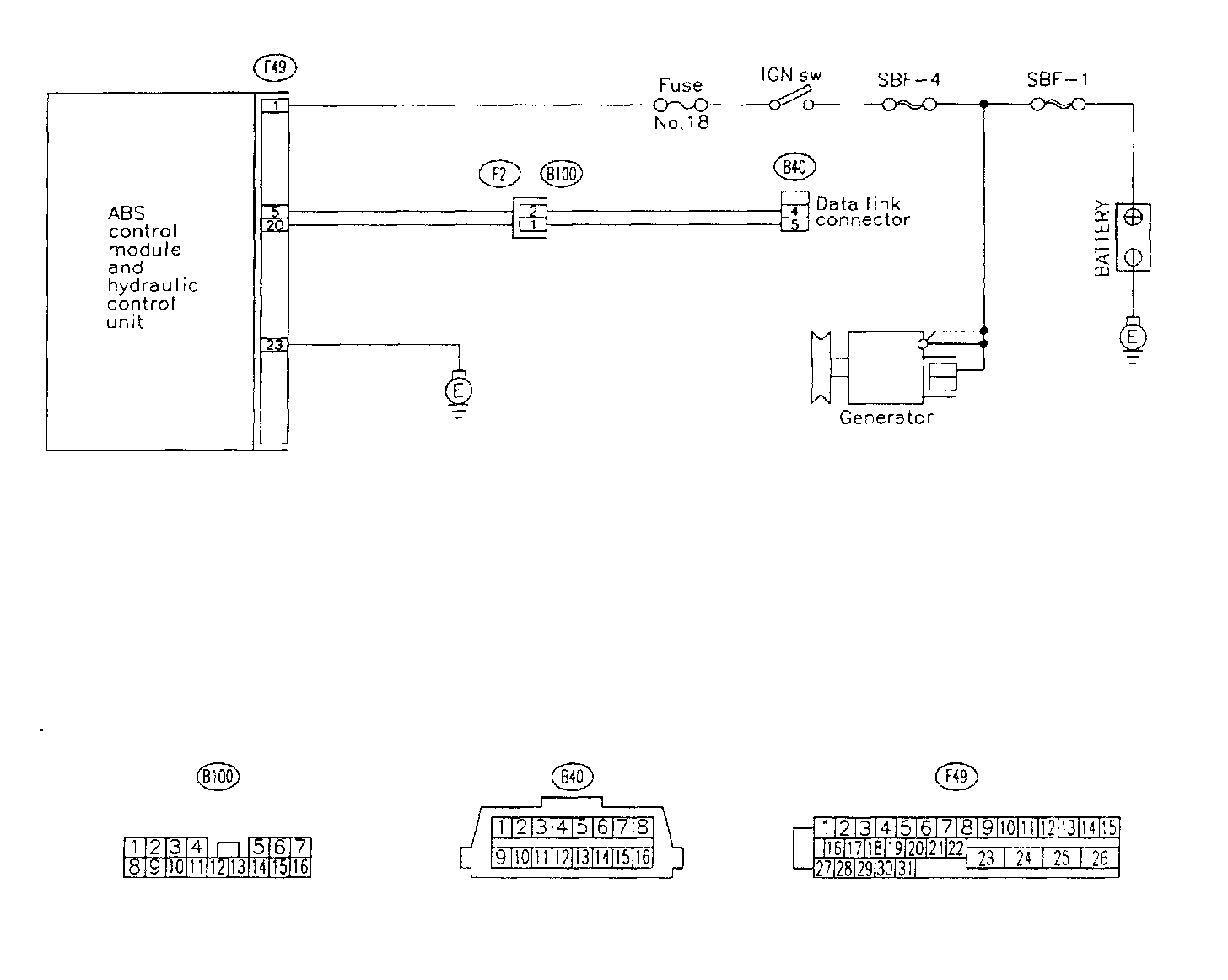
Communication For Initializing Impossible

DIAGNOSIS:
- Faulty harness connector

TROUBLE SYMPTOM:
- ABS warning light remains on.





WIRING DIAGRAM

10C1:




10C2:




10C3:




10C4:




10C5:




10C6:




10C7:




10C8:




10C9: