Operation CHARM: Car repair manuals for everyone.
Manuals through 2025 now available!

Our trusted friends have launched a new website named LEMON, which has newer manuals. It also contains all the CHARM manuals.

LEMON is the spiritual successor to CHARM, I recommend you try it!

Link: lemon-manuals.la or lemon-manuals.org.ua

(Some people have issue connecting. LEMON is investigating. For now, use Firefox or change your DNS server)

Or, hide this message: temporarily or permanently

Part 2

Installation






CYLINDER BLOCK
1. Install ST to cylinder block, then install crankshaft bearings.
ST 499817000 ENGINE STAND

CAUTION: Remove oil in the mating surface of bearing and cylinder block before installation. Also apply a coat of engine oil to crankshaft pins.

2. Position crankshaft on the #2 and #4 cylinder block.





3. Apply fluid packing to the mating surface of #1 and #3 cylinder block, and position it on #2 and #4 cylinder block.
Fluid packing: THREE BOND 1215 or equivalent

CAUTION: Do not allow fluid packing to jut into O-ring grooves, oil passages, bearing grooves, etc.





4. Temporarily tighten 10 mm cylinder block connecting bolts in alphabetical sequence shown in figure.





5. Tighten 10 mm cylinder block connecting bolts in alphabetical sequence.
Tightening torque: 47 ± 3 Nm (4.8 ± 0.3 kg-m, 34.7 ± 2.2 ft. lbs.)





6. Tighten 8 mm and 6 mm cylinder block connecting bolts in alphabetical sequence shown in figure.
Tightening torque:
(A) - (G): 25 ± 2 Nm (2.5 ± 0.2 kg-m, 18.1 ± 1.4 ft. lbs.)
(H): 6.4 Nm (0.65 kg-m, 4.7 ft. lbs.)





7. Install rear oil seal using ST1 and ST2.
ST1 499597100 OIL SEAL GUIDE
ST2 499587200 OIL SEAL INSTALLER

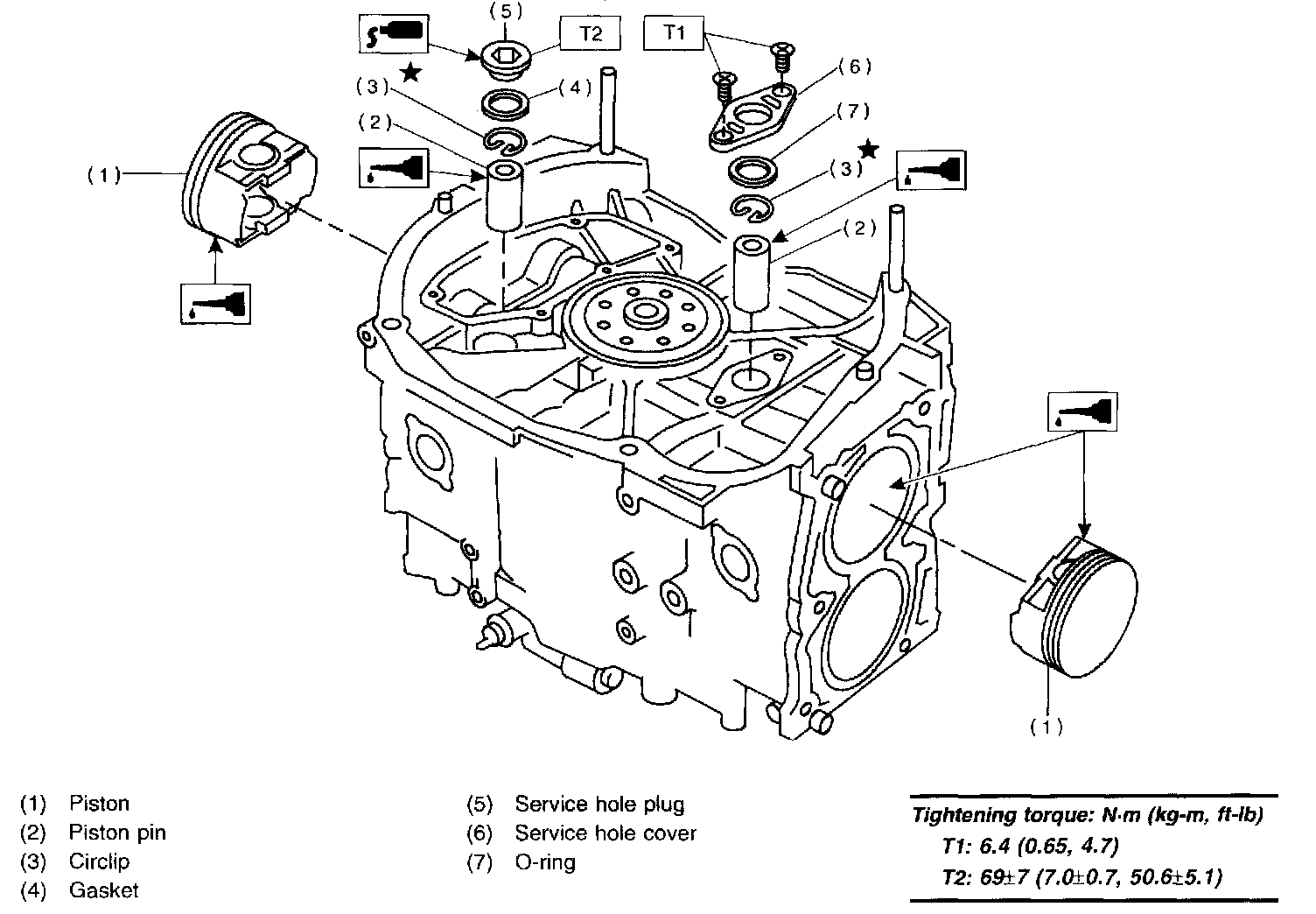
PISTON AND PISTON PIN (#1 AND #2)





1. Installing piston
1. Turn cylinder block so that #1 and #2 cylinders face upward.
2. Using ST1, turn crankshaft so that #1 and #2 connecting rods are set at bottom dead center.
ST1 499987500 CRANKSHAFT SOCKET





3. Apply a coat of engine oil to pistons and cylinders and insert pistons in their cylinders using ST2.
ST2 498747100 PISTON GUIDE
2. Installing piston pin





1. Insert ST3 into service hole to align piston pin hole with connecting rod small end.

CAUTION: Apply a coat of engine oil to ST3 before insertion.

ST3 499017100 PISTON PIN GUIDE
2. Apply a coat of engine oil to piston pin and insert piston pin into piston and connecting rod through service hole.





3. Install circlip.

CAUTION: Use new circlips.





4. Apply fluid packing around the service hole plug.
Fluid packing: THREE BOND 1215 or equivalent





5. Install service hole plug and gasket.

CAUTION: Use a new gasket.

PISTON AND PISTON PIN (#3 AND #4)





Turn cylinder block so that #3 and #4 cylinders face upward. Using the same procedures as used for #1 and #2 cylinders, install pistons and piston pins.

RELATED PARTS





1. Install water pipe.
2. Install baffle plate.
Tightening torque: 6.4 Nm (0.65 kg-m, 4.7 ft. lbs.)
3. Install oil strainer and 0-ring.
Tightening torque: 10 Nm (1.0 kg-m, 7 ft. lbs.)
4. Install oil strainer stay.





5. Apply fluid packing to matching surfaces and install oil pan.
Fluid packing: THREE BOND 1215 or equivalent





6. Apply fluid packing to matching surfaces and install oil separator cover.
Fluid packing: THREE BOND 1215 or equivalent








7. Install flywheel or drive plate. To lock crankshaft, use ST.
ST 498497100 CRANKSHAFT STOPPER
Tightening torque: 72 ± 3 Nm (7.3 ± 0.3 kg-m, 52.8 ± 2.2 ft. lbs.)
8. Install housing cover.





9. Installation of oil pump
1. Discard front oil seal after removal. Replace with a new one using ST
ST 499587100 OIL SEAL INSTALLER





2. Apply fluid packing to matching surface of oil pump.
Fluid packing: THREE BOND 1215 or equivalent





3. Apply a coat of engine oil to the inside of the oil seal.
4. Install oil pump on cylinder block. Be careful not to damage oil seal during installation.
Tightening torque: 6.4 Nm (0.65 kg-m, 4.7 ft. lbs.)

CAUTION:
^ Do not forget to install O-ring and seal when installing oil pump.
^ Align flat surface of oil pump's inner rotor with crankshaft before installation.





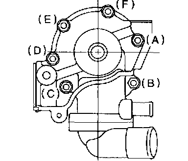
10. Install water pump and gasket.
Tightening torque:
First: 12 ± 2 Nm (1.2 ± 0.2 kg-m, 8.7 ± 1.4 ft. lbs.)
Second: 12 ± 2 Nm (1.2 ± 0.2 kg-m, 8.7 ± 1.4 ft. lbs.)

CAUTION:
^ Be sure to use a new gasket.
^ When installing water pump, tighten bolts in two stages in alphabetical sequence as shown in figure.

11. Install water by-pass pipe for heater.





12. Install oil cooler (AT vehicles only).
Tightening torque: 54 ± 5 Nm (5.5 ± 0.5 kg-m, 39.8 ± 3.6 ft. lbs.)

CAUTION: Always use a new gasket.





13. Install oil filter using ST.
ST 498187300 OIL FILTER WRENCH





14. Install water by-pass pipe between oil cooler and water pump (AT vehicles only).
15. Tighten cylinder head bolts.
1. Apply a coat of engine oil to washers and bolt threads.
2. Tighten all bolts to 29 Nm (3.0 kg-m, 22 ft. lbs.) in alphabetical sequence. Then tighten all bolts to 69 Nm (7.0 kg-m, 51 ft. lbs.) in alphabetical sequence.
3. Back off all bolts by 180° first; back them off by 180° again.
4. Tighten bolts (a) and (b) to 34 Nm (3.5 kg-m, 25 ft. lbs.).
5. Tighten bolts (c), (d), (e) and (f) to 15 Nm (1.5 kg-m, 11 ft. lbs.).
6. Tighten all bolts by 80 to 90° in alphabetical sequence.

CAUTION: Do not tighten bolts more than 90°.





7. Further tighten all bolts by 80 to 90° in alphabetical sequence.

CAUTION: Ensure that the total "re-tightening angle" [in the former two steps], do not exceed 180°.

16. Install oil level gauge guide and tighten attaching bolt (left side only).
17. Install timing belt, camshaft sprocket and related parts.
18. Install generator and A/C compressor brackets on cylinder head.
19. Install drive belts.
20. Install intake manifold.