Operation CHARM: Car repair manuals for everyone.
Manuals through 2025 now available!

Our trusted friends have launched a new website named LEMON, which has newer manuals. It also contains all the CHARM manuals.

LEMON is the spiritual successor to CHARM, I recommend you try it!

Link: lemon-manuals.la or lemon-manuals.org.ua

(Some people have issue connecting. LEMON is investigating. For now, use Firefox or change your DNS server)

Or, hide this message: temporarily or permanently

Check Cruise Control Main Switch

DIAGNOSIS:
- Faulty cruise control main switch, or open harness.

TROUBLE SYMPTOM:
- Cruise control main switch is not turned ON and cruise control cannot be set.

NOTE:
When the main relay (built-in cruise control module) operates, the main switch circuit is in normal condition.
The main relay operation can be checked by hearing the operation sounds.
This operation sounds will be heard when ignition switch and cruise control main switch is turned to ON.




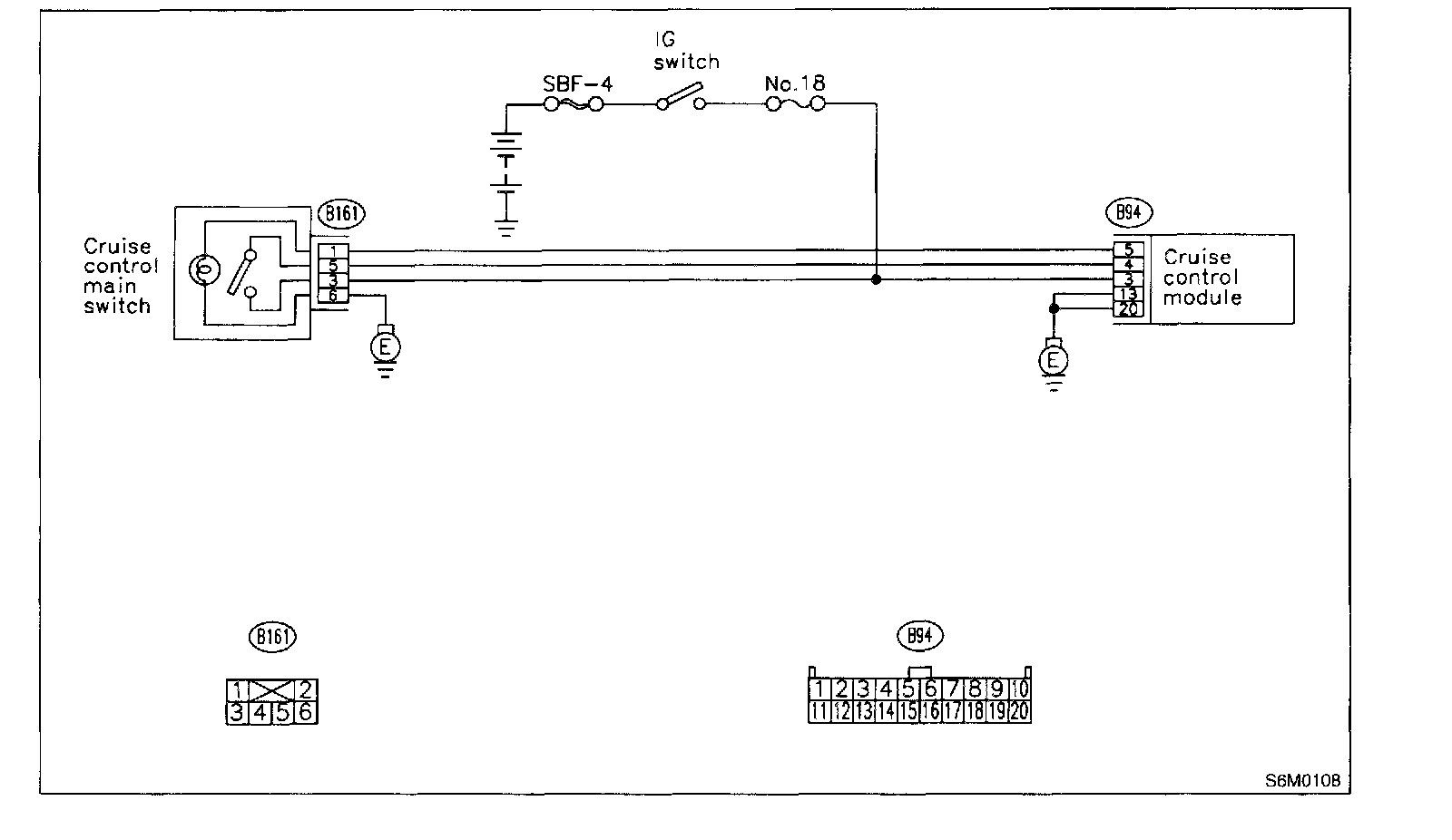
WIRING DIAGRAM:

7C1: CHECK FUSE.




Check fuse No.18.

CHECK: Is fuse No.18 blown?

YES: Replace fuse No.18. Go to step 7C2.

NO: Go to step 7C2.

7C2: CHECK POWER SUPPLY.
1. Turn ignition switch to ON.
2. Measure voltage between fuse & relay box connector and chassis ground.

CHECK: Is voltage more than 10 V?

YES: Go to step 7C3.

NO: Replace fuse No.18. When fuse No.18 is blown again, repair shorted parts of circuit.

7C3: CHECK CRUISE CONTROL MAIN SWITCH.
1. Turn ignition switch to OFF.
2. Remove cruise control main switch and disconnect connector.
3. Turn ignition switch to ON.

Connector & terminal (B161) No.3 (+) - Chassis ground (-):




4. Measure voltage between cruise control main switch connector and chassis ground.

CHECK: Is voltage more than 10 V?

YES: Go to step 7C4.

NO: Replace cruise control main switch.

17C4: CHECK CRUISE CONTROL MAIN SWITCH.

Terminals No.3 - No.5:




Measure resistance between cruise control main switch terminals.

CHECK: Is resistance less than 10 ohms? (When switch is ON.)

YES: Go to step 7C5.

NO: Replace cruise control main switch.

7C5: CHECK CRUISE CONTROL MAIN SWITCH.

Terminals No.3 - No.5:




Measure resistance between cruise control main switch terminals.

CHECK: Is resistance less than 1 Mohm? (When switch is OFF)

YES: Go to step 7C6.

NO: Replace cruise control main switch

7C6: CHECK HARNESS BETWEEN CRUISE CONTROL MAIN SWITCH CONNECTOR AND CHASSIS GROUND.
1. Connect connector.
2. Turn ignition switch to ON.
3. Turn cruise control main switch to ON.

Connector & terminal (B161) No.3 (+) - Chassis ground (-):




4. Measure voltage between terminal of cruise control main switch and chassis ground.

CHECK: Is voltage more than 10 V?

YES: Go to step 7C7.

NO: Repair or replace wiring harness.

7C7: CHECK HARNESS BETWEEN CRUISE CONTROL MAIN SWITCH CONNECTOR AND CHASSIS GROUND.

Connector & terminal (B161) No.5 (+) - Chassis ground (-):




Measure voltage between terminal of cruise control main switch chassis ground.

CHECK: Is voltage more than 10 V?

YES: Go to step 7C8.

NO: Repair or replace wiring harness.

7C8: CHECK HARNESS BETWEEN CRUISE CONTROL MODULE CONNECTOR AND CHASSIS GROUND.

Connector & terminal (B94) No.4 (+) - Chassis ground (-):




Measure voltage between terminal of cruise control module and chassis ground.

CHECK: Is voltage more than 10 V?

YES: Replace cruise control module.

NO: Repair or replace wiring harness.

NOTE: Depress cruise control main switch with fingers while measuring voltage between (B161) No.5 and chassis ground.