Operation CHARM: Car repair manuals for everyone.
Manuals through 2025 now available!

Our trusted friends have launched a new website named LEMON, which has newer manuals. It also contains all the CHARM manuals.

LEMON is the spiritual successor to CHARM, I recommend you try it!

Link: lemon-manuals.la or lemon-manuals.org.ua

(Some people have issue connecting. LEMON is investigating. For now, use Firefox or change your DNS server)

Or, hide this message: temporarily or permanently

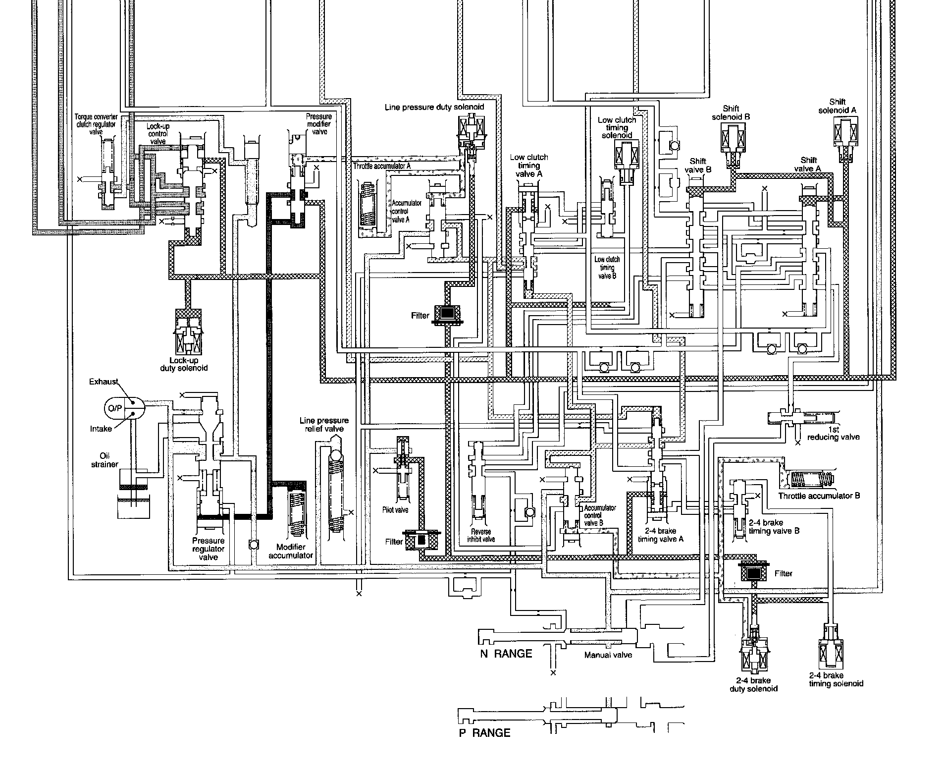
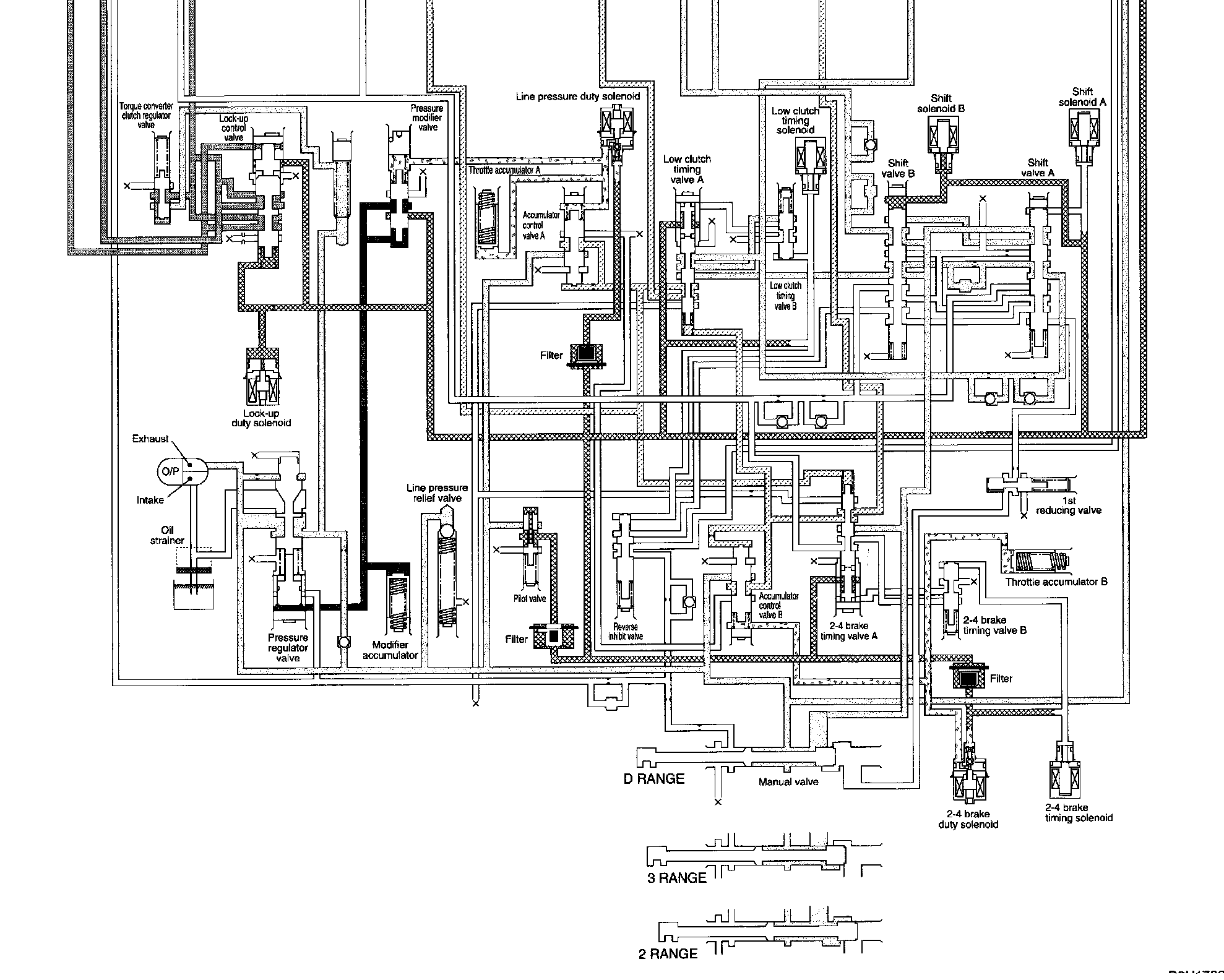
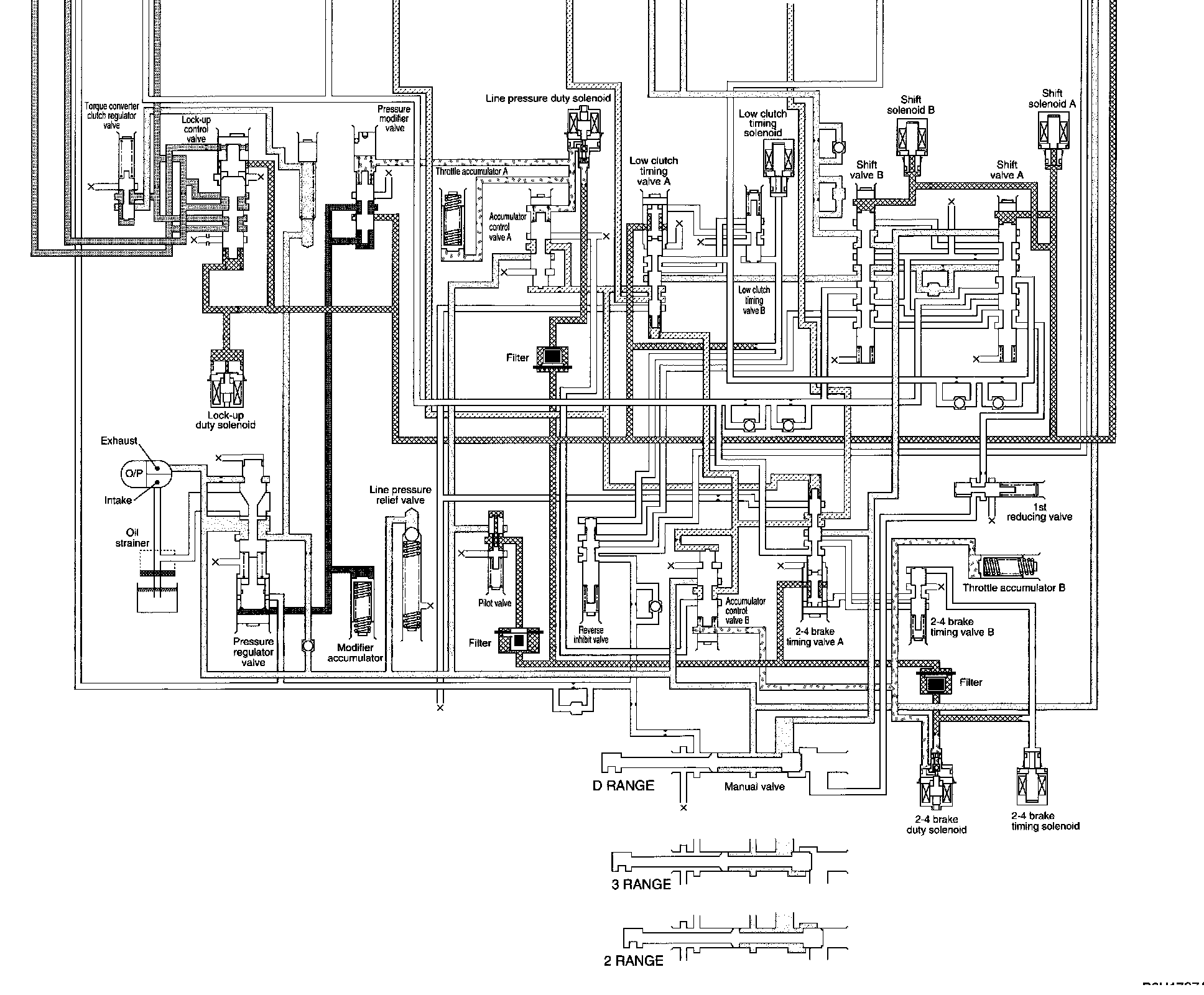
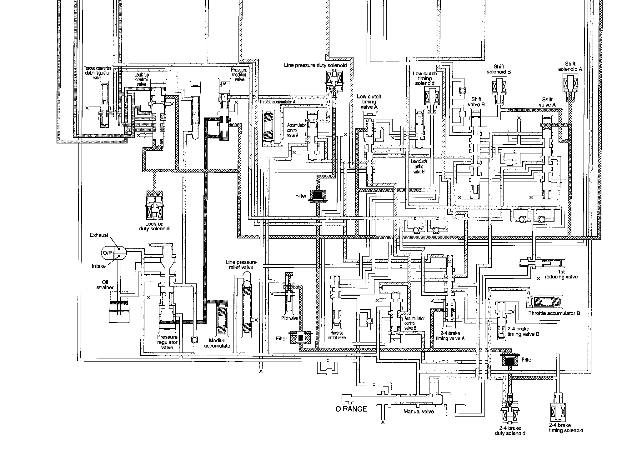
Fluid Diagrams








A: P And N Range








B.: R Range








C: Fourth Speed Of D Range (Lock Up Off)








D: Fourth Speed Of D Range (Lock Up On)








E. Third Speed Of D And 3 Range








F.: Second Speed Of D, 3 And 2 Range








G: First Speed Of D, 3 And 2 Range








H: First Speed Of 1 Range