Operation CHARM: Car repair manuals for everyone.
Manuals through 2025 now available!

Our trusted friends have launched a new website named LEMON, which has newer manuals. It also contains all the CHARM manuals.

LEMON is the spiritual successor to CHARM, I recommend you try it!

Link: lemon-manuals.la or lemon-manuals.org.ua

(Some people have issue connecting. LEMON is investigating. For now, use Firefox or change your DNS server)

Or, hide this message: temporarily or permanently

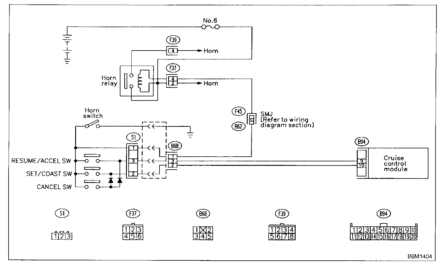
Set/Coast Switch , Resume/ACCEL Switch , Cancel Switch

DIAGNOSIS:
Short circuit inside the SET/COAST SW and RESUME/ACCEL SW.

Wiring Diagram:




WIRING DIAGRAM

Connector & Terminal - [(S1) No.2 (+) - Chassis Ground (-)]:




7E1: CHECK CRUISE CONTROL COMMAND SWITCH.
Measure voltage between cruise control command switch connector and chassis around.

CHECK: Is voltage more than 10 V? (When CANCEL switch is ON.)

YES: Go to step 7E2.

NO: Replace cruise control command switch.

Connector & Terminal - [(S1) No.3 (+) - Chassis Ground (-)]:




7E2: CHECK CRUISE CONTROL COMMAND SWITCH.
Measure voltage between cruise control command switch connector and chassis ground.

CHECK: Is voltage more than 10 V? (When CANCEL switch is ON.)

YES: Go to step 7E3.

NO: Replace cruise control command switch.

7E3: CHECK CRUISE CONTROL COMMAND SWITCH.
1. Turn ignition switch to OFF.
2. Disconnect connector from cruise control command switch.

Terminals [No.1 - No.2]:




3. Measure resistance between terminals of cruise control command switch connector (switch side) to check the switch operation.

CHECK: Is resistance less than 10 Ohms? (When SET/COAST switch is ON.)

YES: Go to step 7E4.

NO: Replace cruise control command switch.

Terminals [No.1 - No.2]:




7E4: CHECK CRUISE CONTROL COMMAND SWITCH.
Measure resistance between terminals of cruise control command switch connector (switch side) to check the switch operation.

CHECK: Is resistance more than 1 MOhms? (When SET/COAST switch is OFF)

YES: Go to step 7E5.

NO: Replace cruise control command switch.

Terminals [No.1 - No.3]:




7E5: CHECK CRUISE CONTROL COMMAND SWITCH.
Measure resistance between terminals of cruise control command switch connector (switch side) to check the switch operation.

CHECK: Is resistance less than 10 Ohms? (When RESUME/ACCEL switch is ON.)

YES: Go to step 7E6.

NO: Replace cruise control command switch.

Terminals [No.1 - No.3]:




7E6: CHECK CRUISE CONTROL COMMAND SWITCH.
Measure resistance between terminals of cruise control command switch connector (switch side) to check the switch operation.

CHECK: Is resistance more than 1 MOhms? (When RESUME/ACCEL switch is OFF)

YES: Go to step 7E7.

NO: Replace cruise control command switch.

7E7: CHECK HARNESS CONNECTOR BETWEEN CRUISE CONTROL COMMAND SWITCH AND CRUISE CONTROL MODULE.
1. Disconnect connector from cruise control module.

Connector & Terminal - [(S1) No.2 - (B94) No.10]:




2. Measure resistance of harness connector between cruise control command switch and cruise control module.

CHECK: Is resistance less than 10 Ohms?

YES: Go to step 7E8.

NO: Repair or replace wiring harness.

Connector & Terminal - [(S1) No.3 - (B94) No.9]:




7E8: CHECK HARNESS CONNECTOR BETWEEN CRUISE CONTROL COMMAND SWITCH AND CRUISE CONTROL MODULE.
Measure resistance of harness connector between cruise control command switch and cruise control module.

CHECK: Is resistance less than 10 Ohms?

YES: Replace cruise control module.

NO: Repair or replace wiring harness.