Operation CHARM: Car repair manuals for everyone.
Manuals through 2025 now available!

Our trusted friends have launched a new website named LEMON, which has newer manuals. It also contains all the CHARM manuals.

LEMON is the spiritual successor to CHARM, I recommend you try it!

Link: lemon-manuals.la or lemon-manuals.org.ua

(Some people have issue connecting. LEMON is investigating. For now, use Firefox or change your DNS server)

Or, hide this message: temporarily or permanently

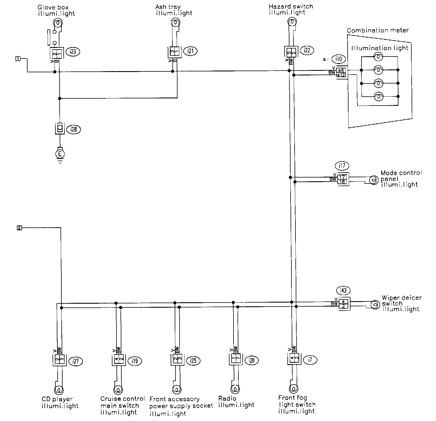
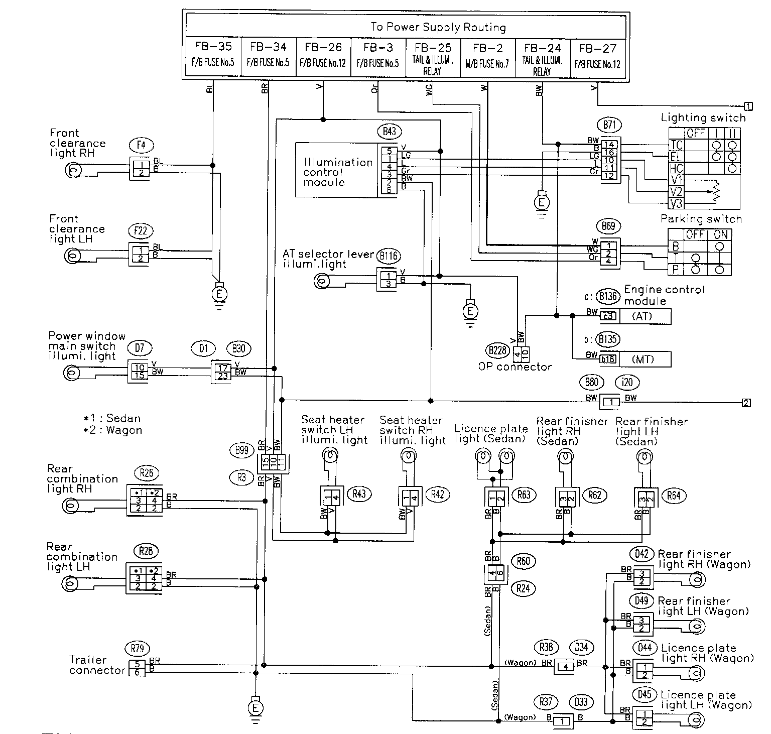
Exterior Lighting Module












Fuse/Relay Locations: For fuse and/or relay locations refer to Starting and Charging / Power and Ground Distribution: Power and Ground Distribution

Ground Locations: For ground locations refer to Vehicle / Locations / Grounds: Ground Locations

Connector Locations: For connector locations refer to Vehicle / Locations / Harness: Harness Locations

Component Locations: For component locations refer to Vehicle / Locations / Harness: Harness Locations

NOTE:
To locate Connectors, Components and/or Grounds using Harness Connector Location diagram(s) use the connector's alphanumeric name [referred to in the wiring diagram(s)] to identify the appropriate Harness Connector Location diagram. For example, the prefix letter "B" in the connector name "B-38" indicates the location is displayed in the Bulkhead Wiring Harness Connector Location diagram.

Legend:

Prefix Harness Connector Diagram

F Front
B Bulkhead
i Instrument Panel
P Power Window
D Door
R Rear