Operation CHARM: Car repair manuals for everyone.
Manuals through 2025 now available!

Our trusted friends have launched a new website named LEMON, which has newer manuals. It also contains all the CHARM manuals.

LEMON is the spiritual successor to CHARM, I recommend you try it!

Link: lemon-manuals.la or lemon-manuals.org.ua

(Some people have issue connecting. LEMON is investigating. For now, use Firefox or change your DNS server)

Or, hide this message: temporarily or permanently

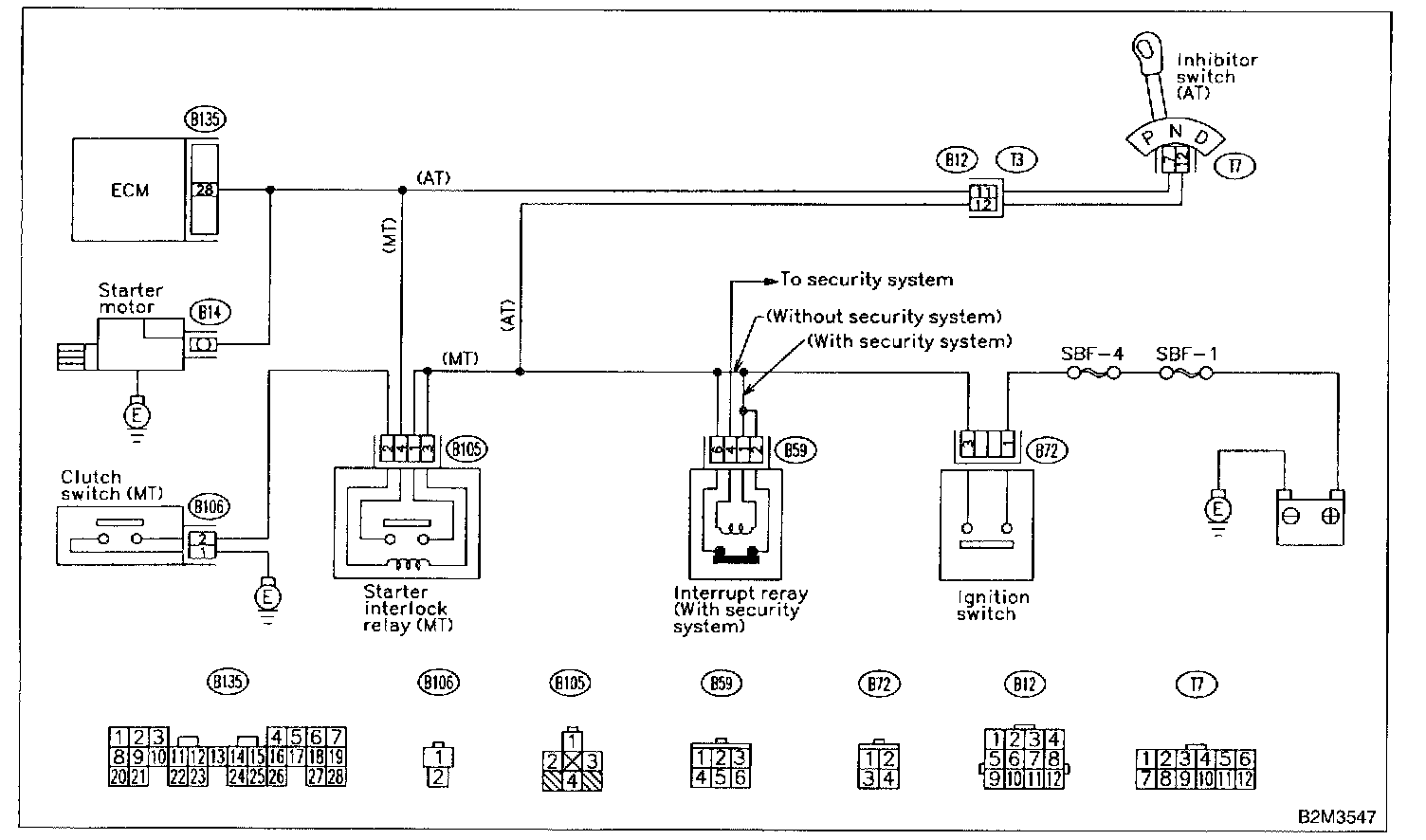
Starter Motor Circuit

B: STARTER MOTOR CIRCUIT

CAUTION: After repair or replacement of faulty parts, conduct CLEAR MEMORY MODE and INSPECTION MODE. Refer to How To Clear Diagnostic Trouble Codes.

Wiring Diagram:





WIRING DIAGRAM

8B1: CHECK BATTERY.

CHECK: Is the voltage more than 12 V?

YES: Go to step 8B2.

NO: Charge or replace battery.

8B2: CHECK INPUT SIGNAL FOR STARTER MOTOR.

1. Turn ignition switch to OFF.





2. Disconnect connector from starter motor.
3. Turn ignition switch to ST.

Connector & Terminal - [(B14) No.1(+) - Engine Ground(-)]:





4. Measure power supply voltage between starter motor connector terminal and engine ground.

NOTE:
- On AT vehicles, place the selector lever in the "P" or "N" position.
- On MT vehicles, depress the clutch pedal.

CHECK: Is the voltage more than 10 V?

YES: Go to step 8B3.

NO: Go to step 8B4.

8B3: CHECK GROUND CIRCUIT OF STARTER MOTOR.

1. Turn ignition switch to OFF.





2. Disconnect terminal from starter motor.
3. Measure resistance of ground cable between ground cable terminal and engine ground.

CHECK: Is resistance less than 5 Ohms?

YES: Check starter motor.

NO: Repair open circuit of ground cable.

8B4: CHECK HARNESS BETWEEN BATTERY AND IGNITION SWITCH CONNECTOR.

1. Disconnect connector from ignition switch.

Connector & Terminal - [(B72) No.1(+) - Chassis Ground(-)]:





2. Measure power supply voltage between ignition switch connector and chassis ground.

CHECK: Is the voltage more than 10 V?

YES: Go to step 8B6.

NO: Repair open circuit in harness between ignition switch and battery, and check fuse SBF No.4 and SBF No.1.

8B5: CHECK IGNITION SWITCH.

1. Disconnect connector from ignition switch.

Terminals - [N0.1 - No.3]:





2. Measure resistance between ignition switch terminals while turning ignition switch to the "ST" position.

CHECK: Is the resistance less than 5 Ohms?

YES: Go to step 8B6.

NO: Replace ignition switch.

8B6: CHECK TRANSMISSION TYPE.

CHECK: Is transmission type AT?

YES: Go to step 8B7.

NO: Go to step 8B11.

8B7: CHECK INPUT VOLTAGE of INHIBITOR SWITCH.

1. Turn ignition switch to OFF.
2. Disconnect connector from inhibitor switch.
3. Connect connector to ignition switch.

Connector & Terminal - [(B12) No.12(+) - Engine Ground(-)]:





4. Measure input voltage between inhibitor switch connector terminal and engine ground while turning ignition switch to ST.

CHECK: Is the voltage more than 10 V?

YES: Go to step 8B8.

NO: Repair open or ground short circuit in harness between inhibitor switch and ignition switch.

NOTE:Check security system (if equipped).

8B8: CHECK INHIBITOR SWITCH.

1. Place the selector lever in the "P" or "N" position.

Connector & Terminal - [(T3) No.11 - No.12]:





2. Measure resistance between inhibitor switch terminals.

CHECK: Is the resistance less than 1 Ohm?

YES: Repair open or ground short circuit in harness between inhibitor switch and starter motor.

NO: Replace inhibitor switch.

8B9: CHECK INPUT VOLTAGE OF STARTER INTERLOCK RELAY.

1. Turn ignition switch to OFF.
2. Disconnect connector from starter interlock relay.
3. Connect connector to ignition switch.

Connector & Terminal - [(B105) No.1(+) - Chassis Ground(-)] [(B105) No.3(+) - Chassis Ground (-)]:





4. Measure input voltage between starter interlock relay connector and chassis ground while turning ignition switch to ST.

CHECK: Is the voltage more than 10 V?

YES: Go to step 8B10.

NO: Repair open or ground short circuit in harness between starter interlock relay and ignition switch.

NOTE: Check security system (if equipped).

8B10: CHECK STARTER INTERLOCK RELAY.

1. Connect battery to starter interlock relay terminals No.2 and No.3.

Termials [No.1 - No.4]:





2. Measure resistance between starter interlock relay terminals.

CHECK: Is the resistance less than 1 Ohm?

YES: Go to step 8B11.

NO: Repair open circuit in harness between starter interlock relay and clutch switch.

8B11: CHECK GROUND CIRCUIT OF CLUTCH SWITCH.

1. Disconnect connector from clutch switch.

Connector & Terminal - [(B106) No.1 - Chassis Ground]:





2. Measure resistance between clutch switch connector and chassis ground.

CHECK: Is the resistance less than 1 Ohm?

YES: Go to Step 8B12.

NO: Repair open circuit of ground cable.

8B12: CHECK CLUTCH SWITCH.

Ternimals [No.1 - No.2]:





1. Measure resistance between clutch switch terminal while depressing the clutch pedal.

CHECK: Is the resistance less than 1 Ohm?

YES: Go to step 8B13.

NO: Replace clutch switch.

8B13: CHECK CLUTCH SWITCH CIRCUIT.

1. Connect connector to clutch switch.

Connector & Terminal - [(B105) No.2 - Chassis Ground]:





2. Measure resistance between starter interlock relay connector and chassis ground while depressing the clutch pedal.

CHECK: Is the resistance less than 1 Ohm?

YES: Repair open or ground short circuit in harness between starter interlock relay and starter motor.

NO: Repair open circuit in harness between starter interlock relay and clutch switch.