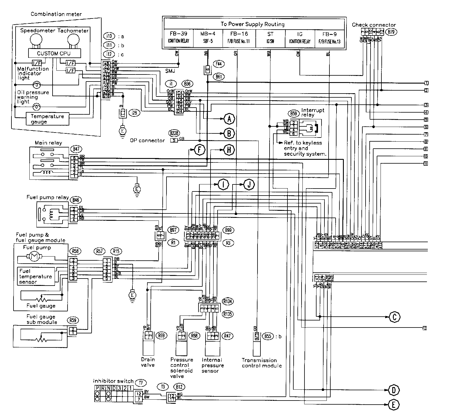
AT Model
PART 1 OF 4
Combination Meter
Check Connector
Drain Valve
Fuel Pump Relay
Fuel Pump and Fuel Gauge Module
Fuel Gauge sub Module
Pressure Control Solenoid Valve
Internal Pressure Sensor
Interrupt Relay
Inhibitor Switch
Main Relay
OP Connectors
Transmission Control Module
PART 2 OF 4
Data Link Connector
Engine Control Module
Front Oxygen (A/F) Sensor
Rear Oxygen Sensor
Test Mode Connector
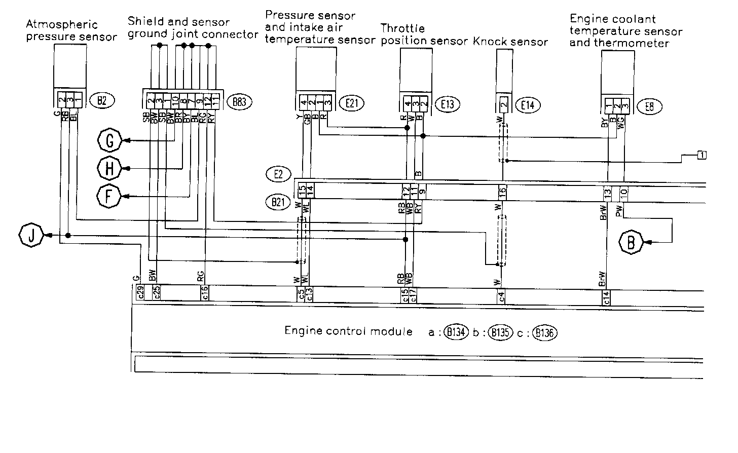
PART 3 OF 4
Atmospheric Pressure Sensor
Engine Coolant Temperature Sensor and Thermometer
Engine Control Module
Knock Sensor
Pressure Sensor and Intake Air Temperature Sensor
Shield and Sensor Ground Joint Connector
Throttle Position Sensor
PART 4 OF 4
Air Assist Solenoid Valve
Crankshaft Position Sensor
Camshaft Position Sensor
Engine Control Module
Fuel Injector
Ignition Coil and Ignitor
Idle Air Control Solenoid Valve
Oil Pressure Switch
Power Steering Oil Pressure Switch
Purge Control Solenoid Valve
CIRCUIT DIAGRAMS
CIRCUIT CONNECTORS