Operation CHARM: Car repair manuals for everyone.
Manuals through 2025 now available!

Our trusted friends have launched a new website named LEMON, which has newer manuals. It also contains all the CHARM manuals.

LEMON is the spiritual successor to CHARM, I recommend you try it!

Link: lemon-manuals.la or lemon-manuals.org.ua

(Some people have issue connecting. LEMON is investigating. For now, use Firefox or change your DNS server)

Or, hide this message: temporarily or permanently

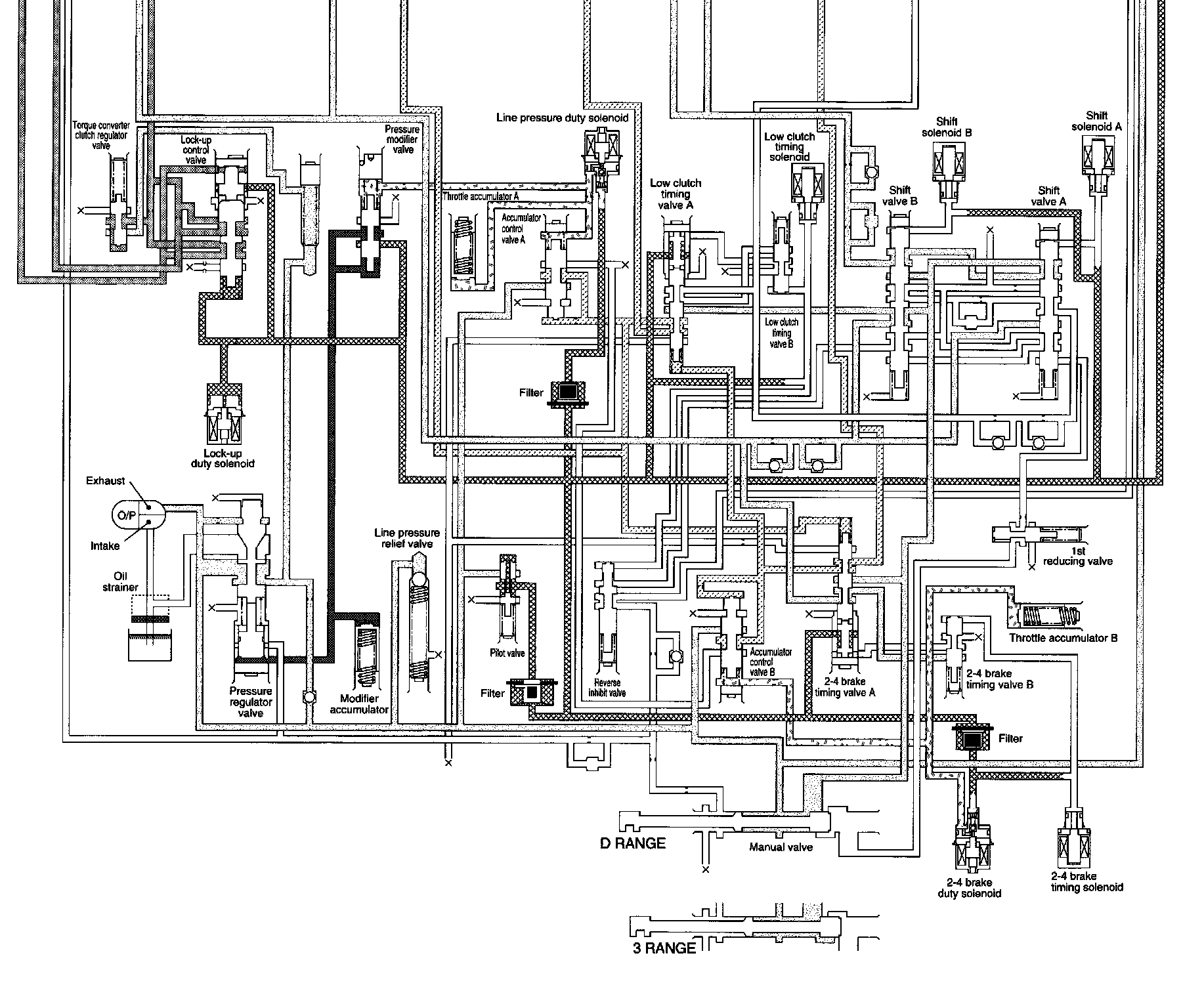
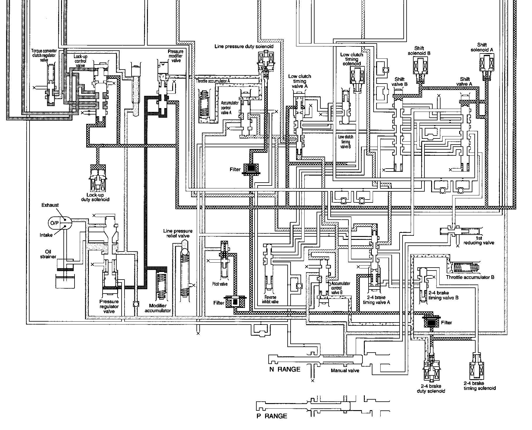
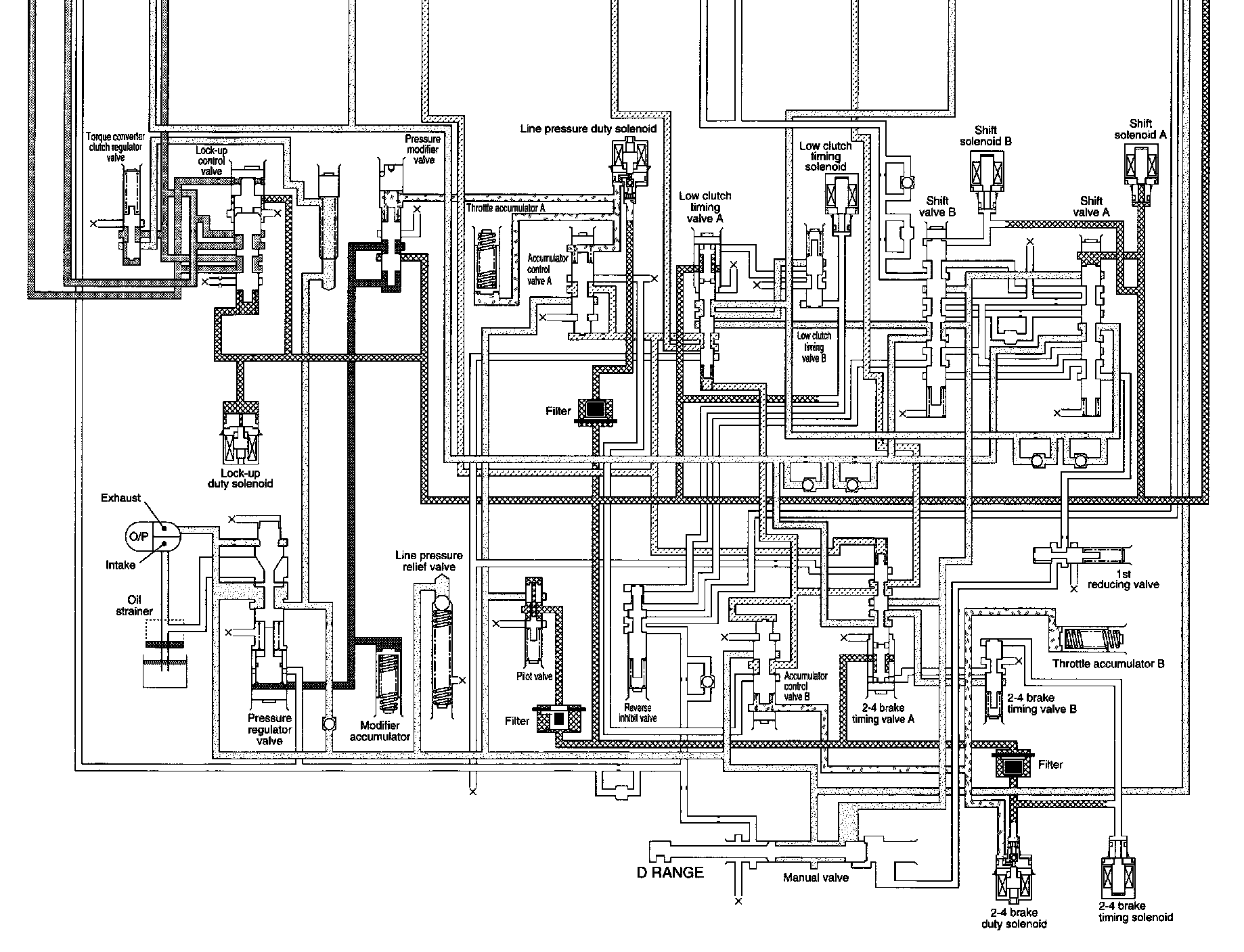
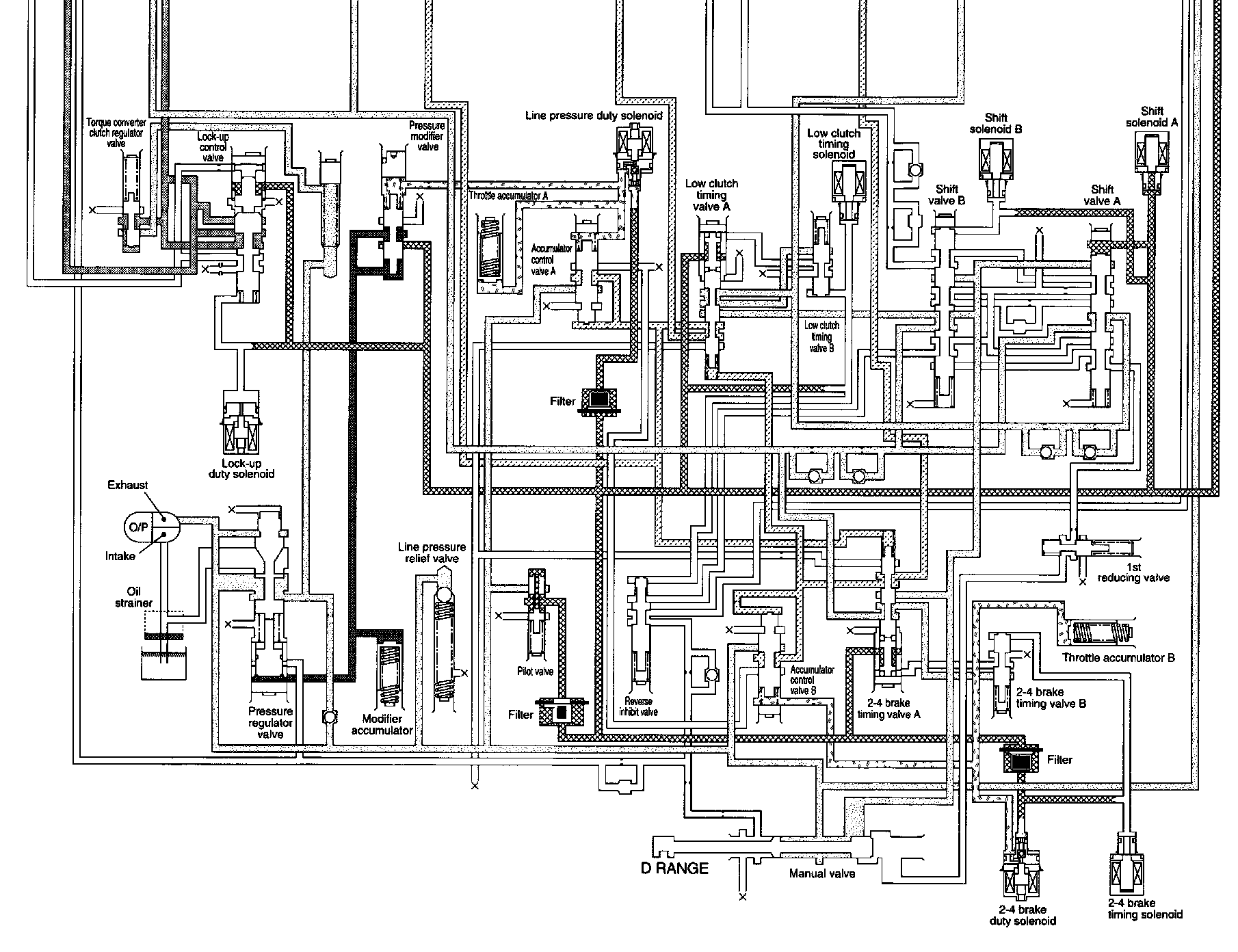
Automatic Transmission/Transaxle

9. Schematic Drawing








A: P AND N RANGE









B: R RANGE









C: FOURTH SPEED OF D RANGE (LOCK-UP OFF)









D: FOURTH SPEED OF D RANGE (LOCK-UP ON)









E: THIRD SPEED OF D AND 3 RANGE









F.: SECOND SPEED OF D, 3 AND 2 RANGE









G: FIRST SPEED OF D, 3 AND 2 RANGE









H: FIRST SPEED OF 1 RANGE