Operation CHARM: Car repair manuals for everyone.
Manuals through 2025 now available!

Our trusted friends have launched a new website named LEMON, which has newer manuals. It also contains all the CHARM manuals.

LEMON is the spiritual successor to CHARM, I recommend you try it!

Link: lemon-manuals.la or lemon-manuals.org.ua

(Some people have issue connecting. LEMON is investigating. For now, use Firefox or change your DNS server)

Or, hide this message: temporarily or permanently

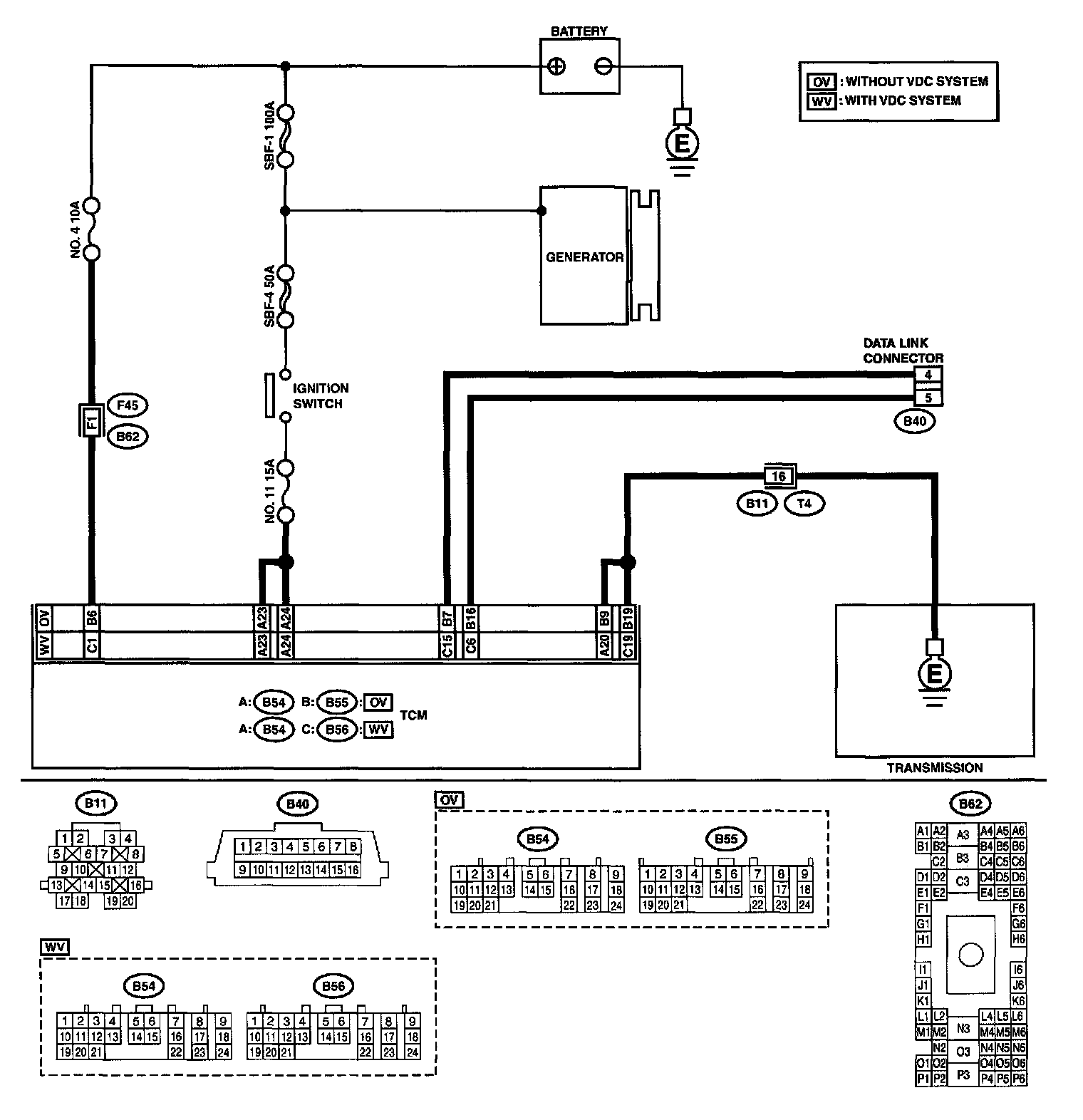
Control Module Power Supply and Ground Line

1. CONTROL MODULE POWER SUPPLY AND GROUND LINE
DIAGNOSIS: Faulty harness connector

TROUBLE SYMPTOM: AT OIL TEMP warning light remains on.





WIRING DIAGRAM:

PROCEDURE:





No.1 - 9





No.10 - 14