Operation CHARM: Car repair manuals for everyone.
Manuals through 2025 now available!

Our trusted friends have launched a new website named LEMON, which has newer manuals. It also contains all the CHARM manuals.

LEMON is the spiritual successor to CHARM, I recommend you try it!

Link: lemon-manuals.la or lemon-manuals.org.ua

(Some people have issue connecting. LEMON is investigating. For now, use Firefox or change your DNS server)

Or, hide this message: temporarily or permanently

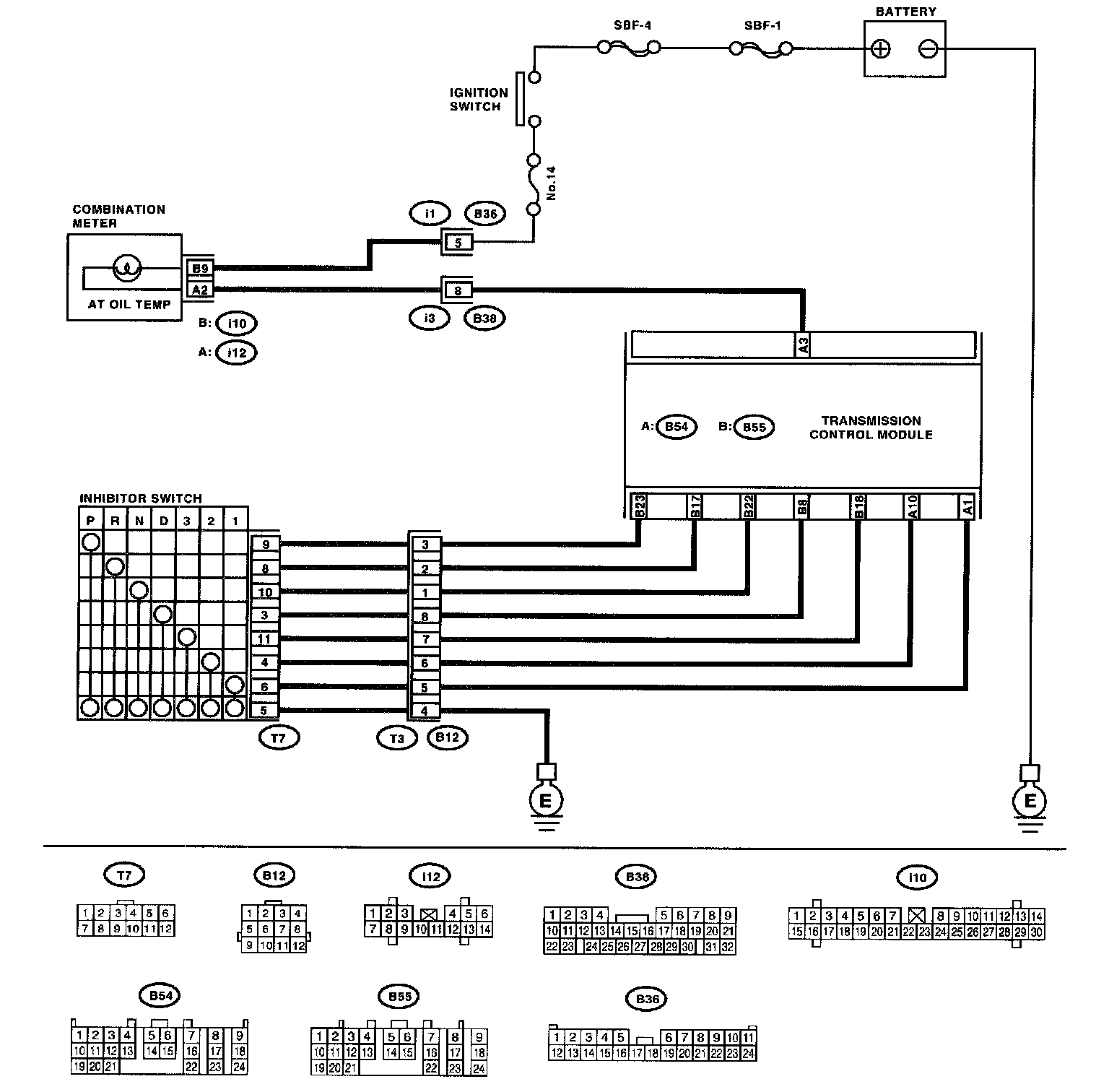
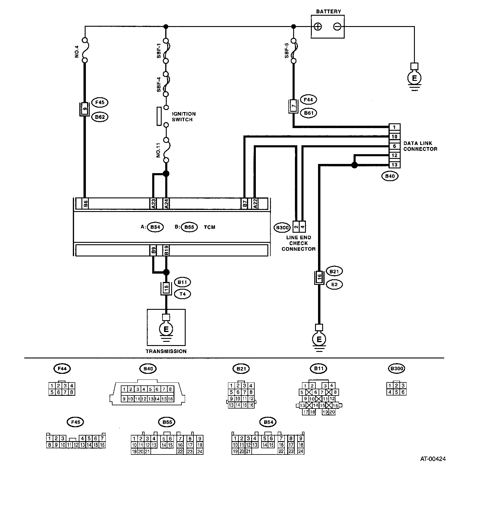
Diagnostic Procedure For AT Oil Temp Warning Light

Diagnostic Procedure for AT OIL TEMP Warning Light

AT OIL TEMP WARNING LIGHT DOES NOT COME ON OR GO OFF

DIAGNOSIS:
The AT OIL TEMP warning light circuit is open or shorted.

TROUBLE SYMPTOM:
^ When the ignition switch is turned to ON (engine OFF), AT OIL TEMP warning light does not illuminate.
^ When the on-board diagnostics is performed, AT OIL TEMP warning light remains illuminated.





WIRING DIAGRAM:

Test 1 Of 2:




Test 2 Of 2:






CHECK POWER SUPPLY AND GROUND LINE





WIRING DIAGRAM:

Test 1 Of 2:




Test 2 Of 2: