Operation CHARM: Car repair manuals for everyone.
Manuals through 2025 now available!

Our trusted friends have launched a new website named LEMON, which has newer manuals. It also contains all the CHARM manuals.

LEMON is the spiritual successor to CHARM, I recommend you try it!

Link: lemon-manuals.la or lemon-manuals.org.ua

(Some people have issue connecting. LEMON is investigating. For now, use Firefox or change your DNS server)

Or, hide this message: temporarily or permanently

Front ABS Sensor

INSPECTION
ABS SENSOR
1) Check the pole piece of the ABS sensor for foreign particles or damage. If necessary, clean the pole piece or replace the ABS sensor.








2) Measure the ABS sensor resistance.

CAUTION: If resistance is outside the standard value, replace the ABS sensor with a new one.

NOTE: Check the ABS sensor cable for discontinuity. If necessary, replace with a new one.

SENSOR GAP





1) Measure the distance "A" between ABS sensor surface and sensor pole face.





2) Measure the distance "B" between the surface where front axle housing meets the ABS sensor, and the tone wheel.

NOTE: Measure so that the gauge touches the tone wheel teeth top.

3) Find the gap between the ABS sensor pole face and the surface of the tone wheel teeth by putting the measured values in the formula below and calculating.
ABS sensor clearance = B - A
ABS sensor standard clearance: 0.3 - 0.8 mm (0.012 - 0.031 inch)

NOTE: If the clearance is outside specifications, readjust.

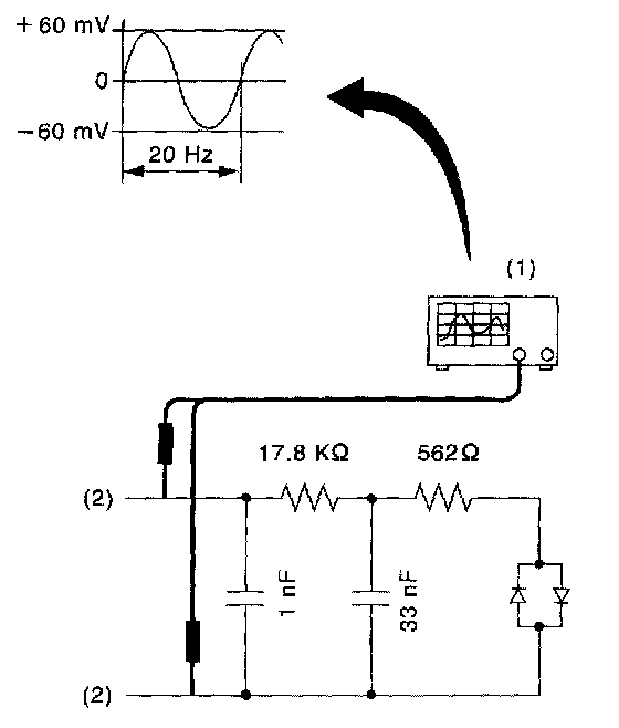
OUTPUT VOLTAGE





Output voltage can be checked by the following method. Install a resistor and condenser, then rotate the wheel about 2.75 km/h (2 MPH) or equivalent.

NOTE: Regarding terminal No., please refer to item ABS SENSOR.