Operation CHARM: Car repair manuals for everyone.
Manuals through 2025 now available!

Our trusted friends have launched a new website named LEMON, which has newer manuals. It also contains all the CHARM manuals.

LEMON is the spiritual successor to CHARM, I recommend you try it!

Link: lemon-manuals.la or lemon-manuals.org.ua

(Some people have issue connecting. LEMON is investigating. For now, use Firefox or change your DNS server)

Or, hide this message: temporarily or permanently

Without Scan Tool

WITHOUT SUBARU SELECT MONITOR








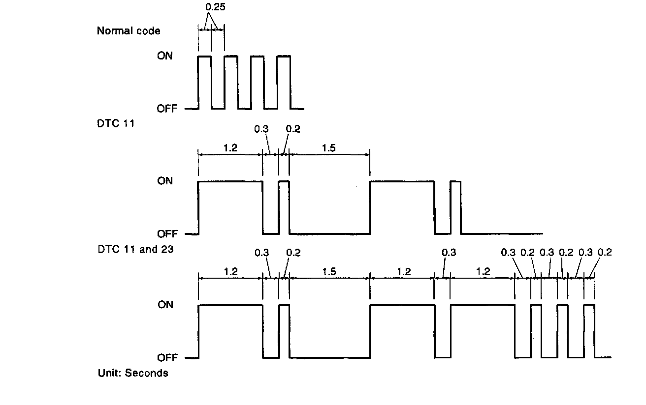
The AT OIL TEMP warning light flashes the code corresponding to the faulty part. The long segment (1.2 sec on) indicates a "ten", and the short segment (0.2 sec on) signifies a "one".