Operation CHARM
: Car repair manuals for everyone.
Home
>>
Subaru
>>
2004
>>
Forester F4-2.5L SOHC
>>
Repair and Diagnosis
>>
Transmission and Drivetrain
>>
Automatic Transmission/Transaxle
>>
Description and Operation
>>
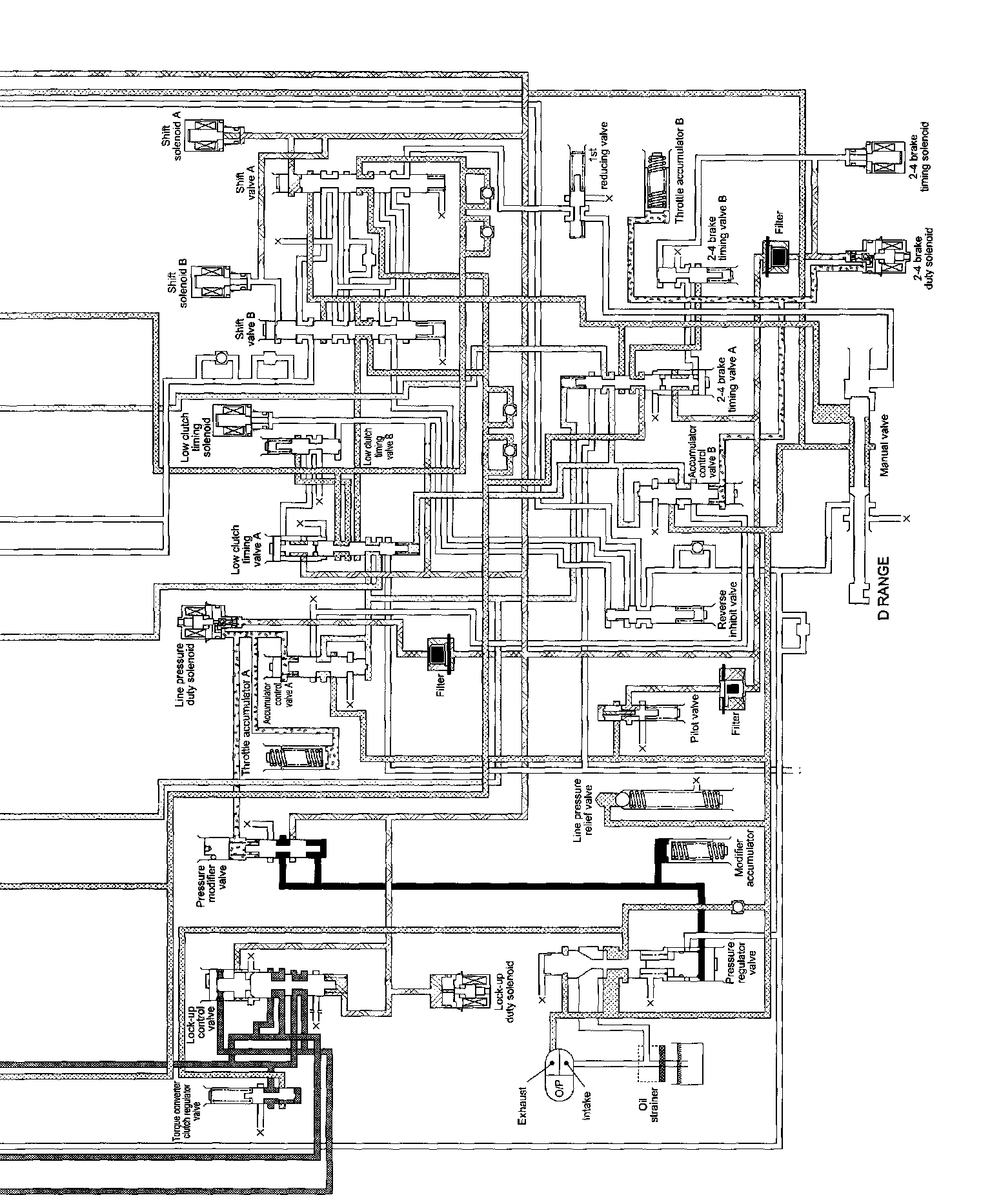
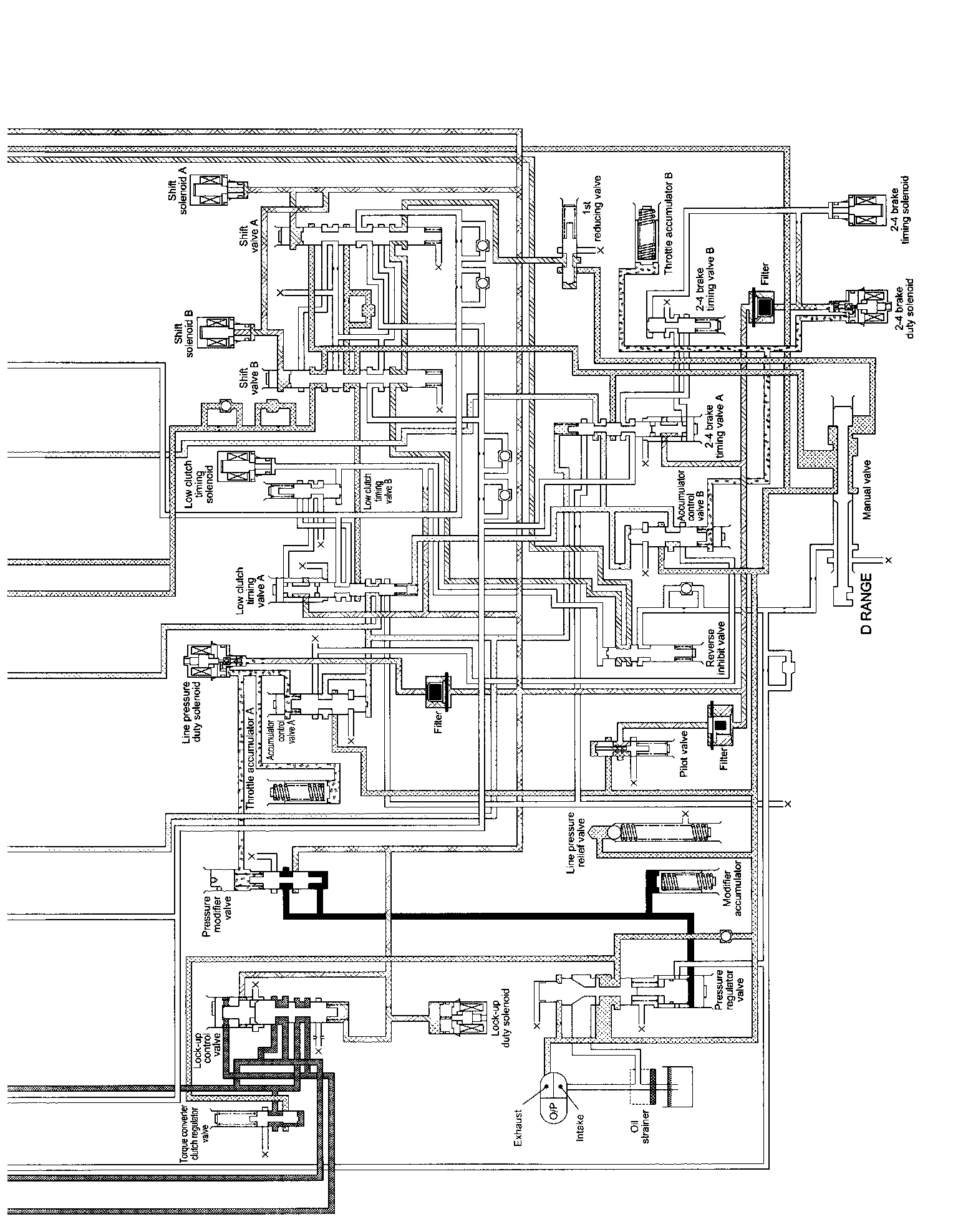
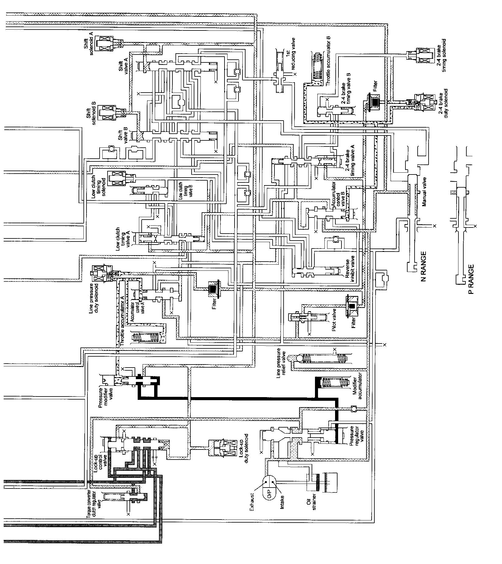
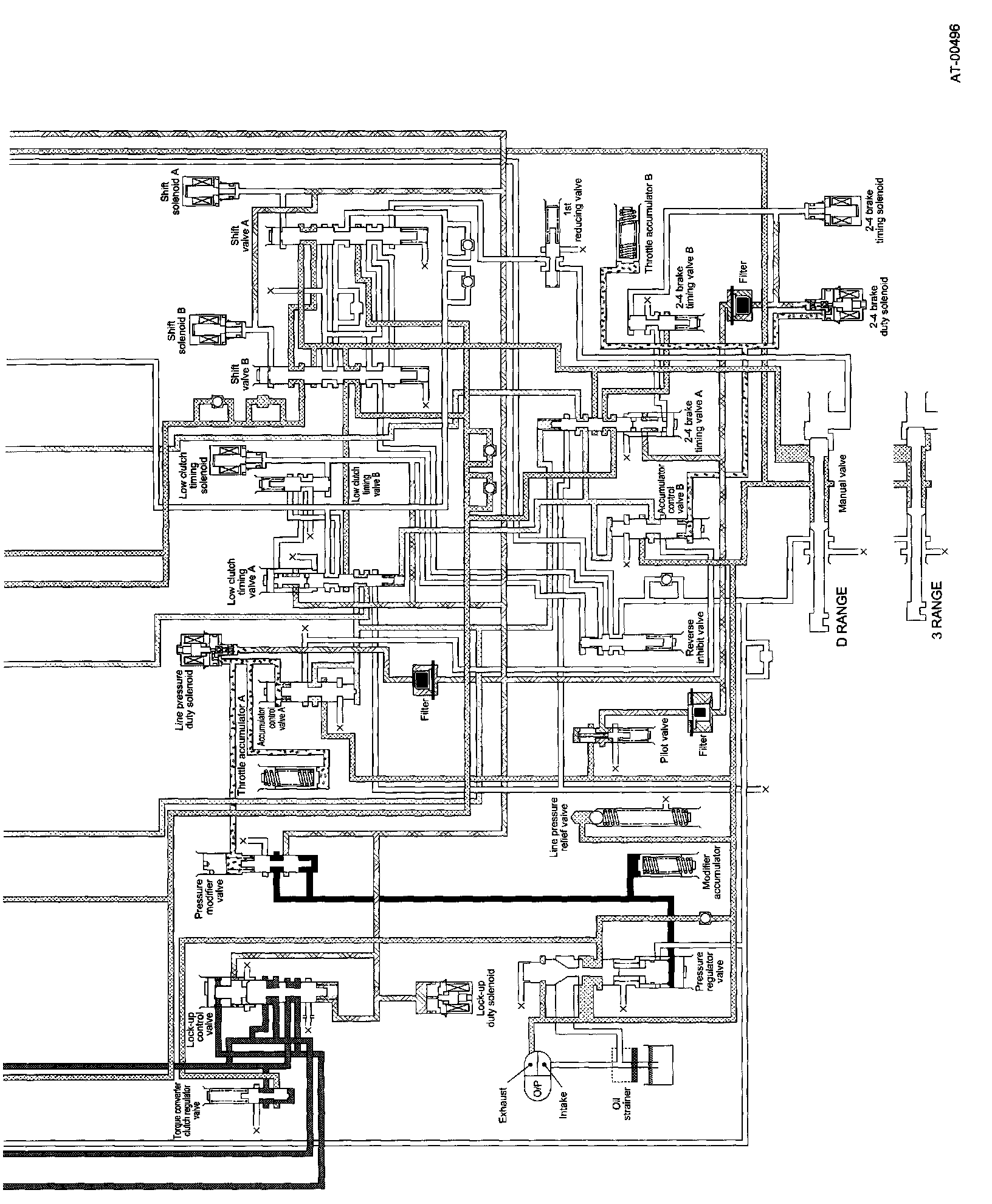
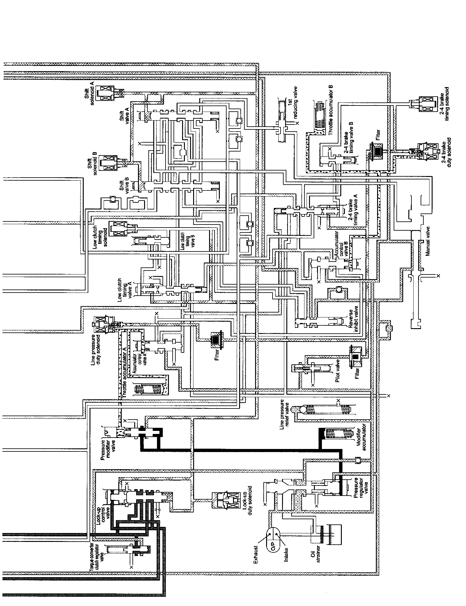
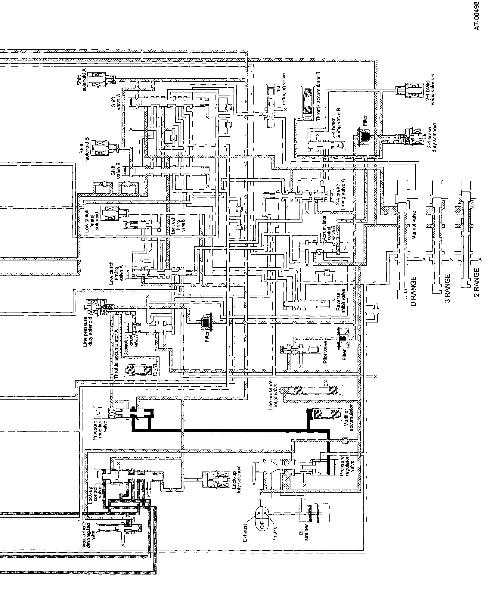
Schematic Drawing
Manuals through 2025 now available!
Our trusted friends have launched a new website named LEMON, which has newer manuals. It also contains all the CHARM manuals.
LEMON is the spiritual successor to CHARM, I recommend you try it!
Link:
lemon-manuals.la
or
lemon-manuals.org.ua
(Some people have issue connecting. LEMON is investigating. For now, use Firefox or change your DNS server)
Or, hide this message:
temporarily
or
permanently
Schematic Drawing
Schematic Drawing
P AND N RANGES
R RANGE
4TH GEAR OF D RANGE (LOCK-UP OFF)
4TH GEAR OF D RANGE (LOCK-UP ON)
3RD GEAR OF D AND 3 RANGES
2ND GEAR OF D, 3 AND 2 RANGES
1ST GEAR OF D AND 3 RANGES
1ST SPEED OF 1 RANGE