Operation CHARM: Car repair manuals for everyone.
Manuals through 2025 now available!

Our trusted friends have launched a new website named LEMON, which has newer manuals. It also contains all the CHARM manuals.

LEMON is the spiritual successor to CHARM, I recommend you try it!

Link: lemon-manuals.la or lemon-manuals.org.ua

(Some people have issue connecting. LEMON is investigating. For now, use Firefox or change your DNS server)

Or, hide this message: temporarily or permanently

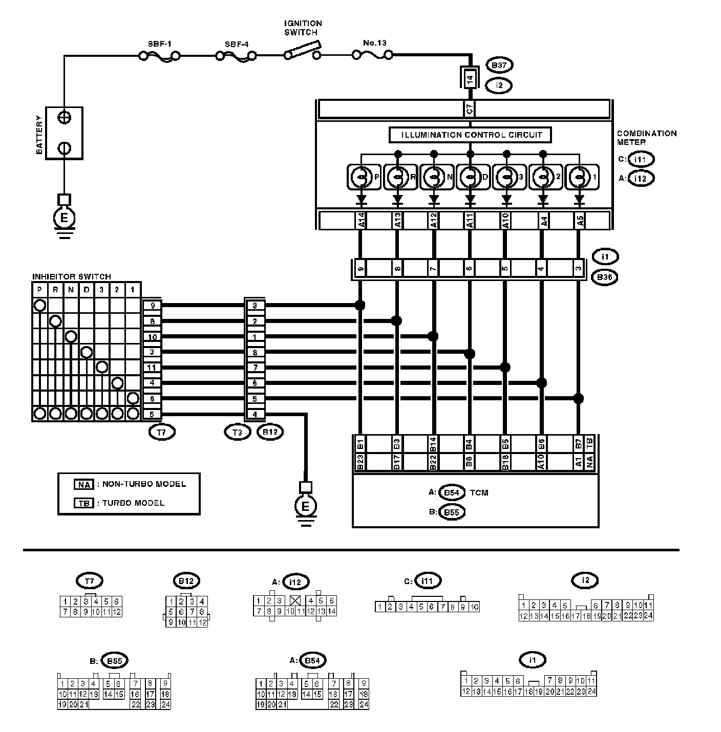
Check Inhibitor Switch

CHECK INHIBITOR SWITCH

Steps 1-21:




Steps 22-26:




Steps 27-31:




Steps 32-36:




Steps 37-41:





Steps 42-46:




Steps 47-51:




Steps 52-56:




Steps 57-61:




Steps 62-65:






DIAGNOSIS:
The input signal circuit of inhibitor switch is open or shorted.

TROUBLE SYMPTOM:
^ Shift characteristics are erroneous.
^ Engine brake is not effected when selector lever is in "3" range.
^ Engine brake is not effected when selector lever is in "2" range.
^ Engine brake is not effected when selector lever is in "1" range.





WIRING DIAGRAM