Operation CHARM: Car repair manuals for everyone.
Manuals through 2025 now available!

Our trusted friends have launched a new website named LEMON, which has newer manuals. It also contains all the CHARM manuals.

LEMON is the spiritual successor to CHARM, I recommend you try it!

Link: lemon-manuals.la or lemon-manuals.org.ua

(Some people have issue connecting. LEMON is investigating. For now, use Firefox or change your DNS server)

Or, hide this message: temporarily or permanently

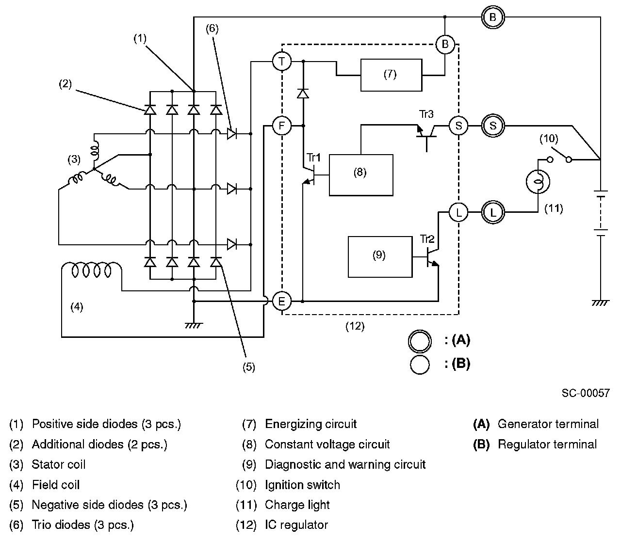
Alternator: Description and Operation

Generator




The generator has a built-in regulator which provides diagnostic functions in addition to a voltage regulating function as follows:

1. Voltage regulation
The on-off operation of transistor connects and disconnects the field current circuit, providing a constant level of output voltage.

2. Diagnosis warning
When any of the following problems occur, the charge lamp illuminates.
1. No voltage generation
Brush wear exceeds specified wear limits, field coil circuit is broken, etc.
2. Excessive output
Output voltage is greater than (approx) 16 volts.
3. Terminal B disconnection
Harness is disconnected from generator terminal B.
4. Terminal S disconnection
Harness is disconnected from generator terminal S. In this case, voltage is slightly greater than specified regulated voltage; however, voltage regulation is still controlled and the battery is prevented from becoming overcharged.