Operation CHARM: Car repair manuals for everyone.
Manuals through 2025 now available!

Our trusted friends have launched a new website named LEMON, which has newer manuals. It also contains all the CHARM manuals.

LEMON is the spiritual successor to CHARM, I recommend you try it!

Link: lemon-manuals.la or lemon-manuals.org.ua

(Some people have issue connecting. LEMON is investigating. For now, use Firefox or change your DNS server)

Or, hide this message: temporarily or permanently

Check Cruise Control Main Switch

CHECK CRUISE CONTROL MAIN SWITCH

TROUBLE SYMPTOM:
Cruise control main switch is not turned ON and cruise control cannot be set.

NOTE:
When the main relay (built-in cruise control module) operates, the main switch circuit is in normal condition.
The main relay operation can be checked by hearing the operation sounds.
This operation sounds will be heard when ignition switch and cruise control main switch is turned to ON.

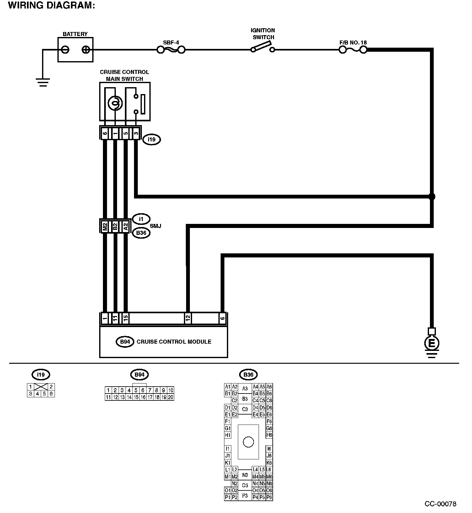
Wiring Diagram:




WIRING DIAGRAM:

Step 1 - 3: