Blower System
Blower System
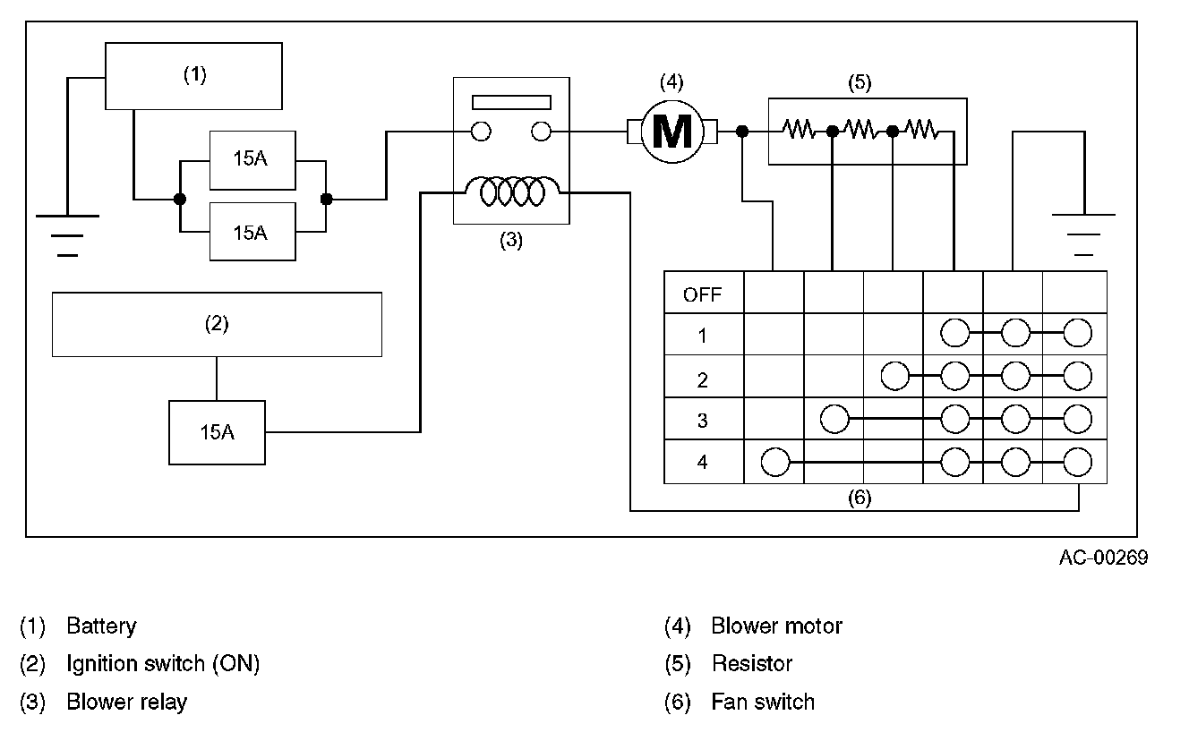
The blower relay is ready to be activated when the ignition switch is in the ON position. With the ignition switch ON, placing the fan switch in any position other than OFF activates the relay, allowing electric current to flow from the battery to the ground through the blower motor, the resistor, and the selected fan switch contacts. The connected resistor(s) vary depending on the selected position of the fan switch and cause the blower motor speed to change.