Manuals through 2025 now available!
Our trusted friends have launched a new website named LEMON, which has newer manuals. It also contains all the CHARM manuals.
LEMON is the spiritual successor to CHARM, I recommend you try it!
Link:
lemon-manuals.la or
lemon-manuals.org.ua
(Some people have issue connecting. LEMON is investigating. For now, use Firefox or change your DNS server)
Or, hide this message:
temporarily or
permanently
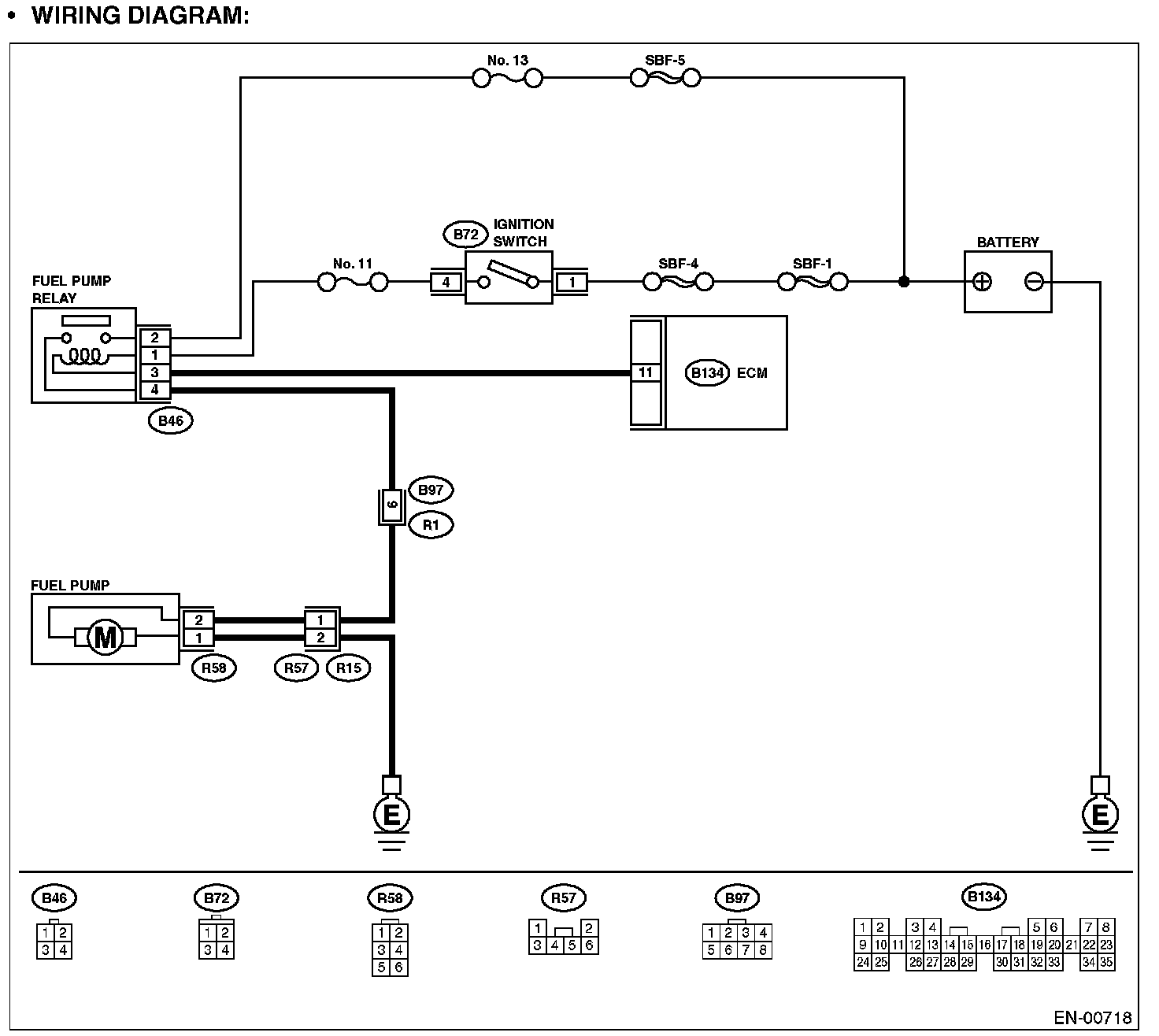
Fuel Pump Circuit
FUEL PUMP CIRCUITCAUTION: After repair or replacement of malfunctioning parts, conduct Clear Memory Mode and Inspection Mode.
Wiring Diagram:
Step 1 - 5:
Step 6 - 8: