Operation CHARM: Car repair manuals for everyone.
Manuals through 2025 now available!

Our trusted friends have launched a new website named LEMON, which has newer manuals. It also contains all the CHARM manuals.

LEMON is the spiritual successor to CHARM, I recommend you try it!

Link: lemon-manuals.la or lemon-manuals.org.ua

(Some people have issue connecting. LEMON is investigating. For now, use Firefox or change your DNS server)

Or, hide this message: temporarily or permanently

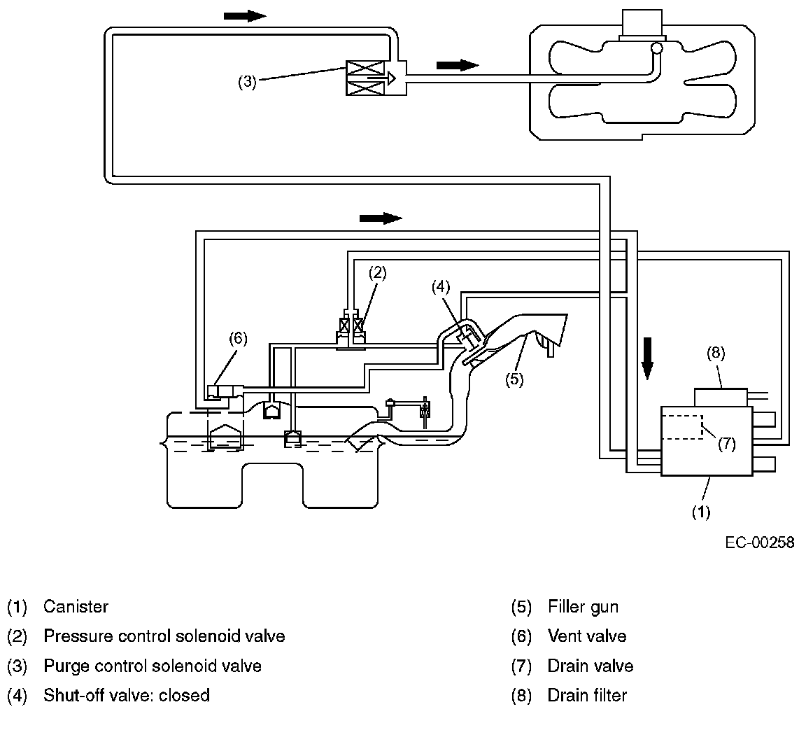
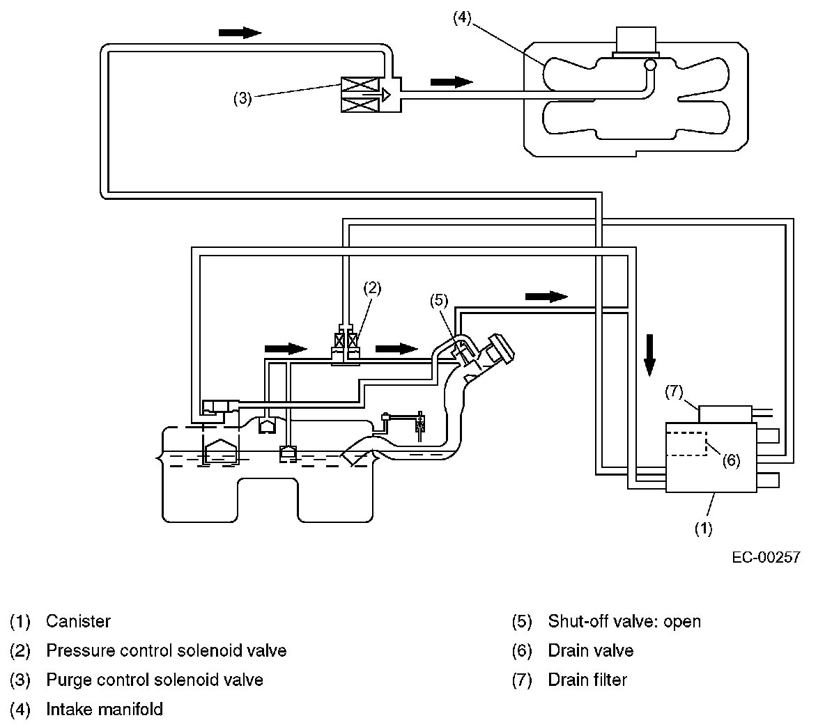
Refueling Vapor Recovery System: Description and Operation

On-board Refueling Vapor Recovery (ORVR) System

GENERAL

The on-board refueling vapor recovery system allows the fuel vapors in the fuel tank to be introduced directly into the canister through the vent valve when the fuel tank inside pressure increases as a result of refueling.

The diagnosis of the system is performed by monitoring the fuel tank inside pressure data from the fuel tank pressure sensor while forcibly closing the drain valve.

OPERATION




- While driving
Since the back side of the diaphragm in the pressure control solenoid valve is open to the atmosphere, the diaphragm is held pressed by the atmospheric pressure in the position where only the external air is introduced into the canister. When the fuel vapor pressure acting on the other side of the diaphragm increases and overcomes the atmospheric pressure, it pushes the diaphragm and opens the port through which the fuel vapors make their way to the canister.




- While refueling
As the fuel enters the fuel tank, the tank inside pressure increases. When the inside pressure becomes higher than the atmospheric pressure, the port of the vent valve opens, allowing the fuel vapors to be introduced into the canister through the vent line. The fuel vapors are absorbed by charcoal in the canister, so the air discharged from the drain valve contains no fuel. When a filler gun is inserted, the shut-off valve closes the evaporation line.