Operation CHARM: Car repair manuals for everyone.
Manuals through 2025 now available!

Our trusted friends have launched a new website named LEMON, which has newer manuals. It also contains all the CHARM manuals.

LEMON is the spiritual successor to CHARM, I recommend you try it!

Link: lemon-manuals.la or lemon-manuals.org.ua

(Some people have issue connecting. LEMON is investigating. For now, use Firefox or change your DNS server)

Or, hide this message: temporarily or permanently

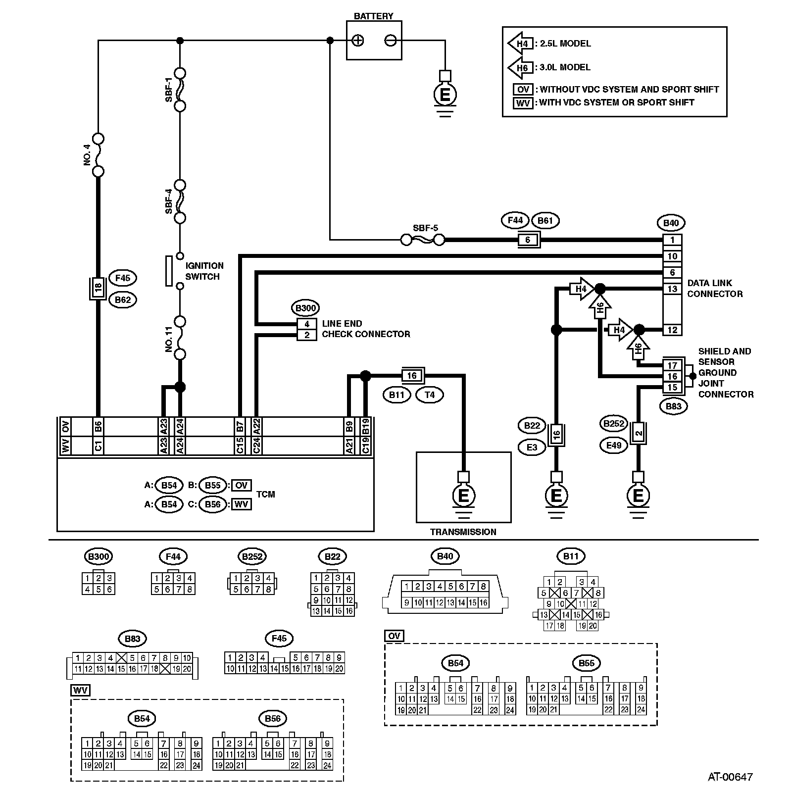
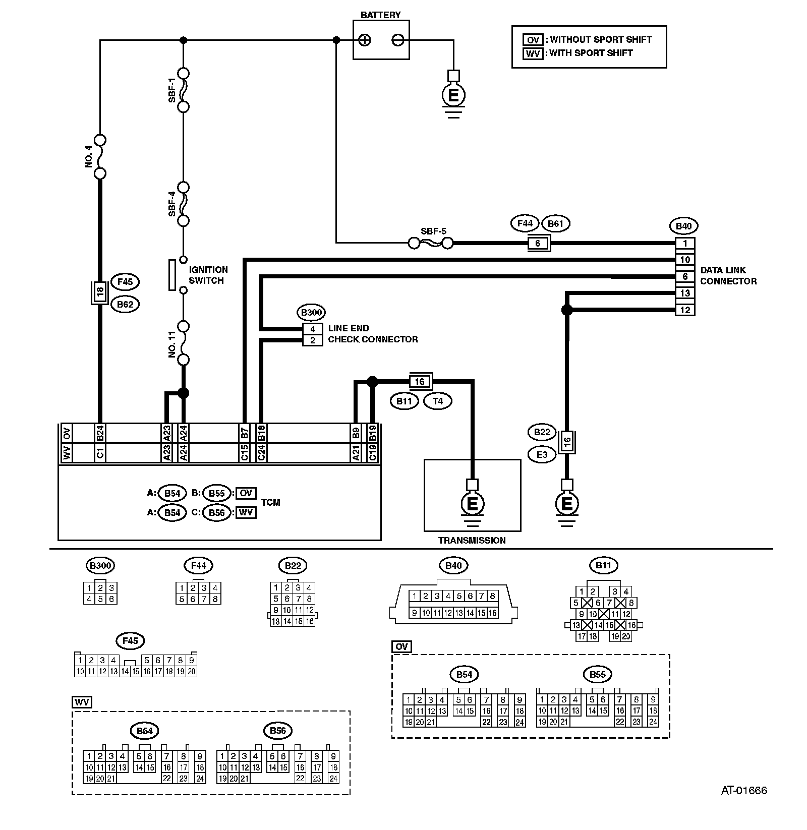
Diagnostic Procedure For Select Monitor Communication

Diagnostic Procedure for Select Monitor Communication
COMMUNICATION FOR INITIALIZING IMPOSSIBLE

Steps 1-7:




Steps 8-11:






DIAGNOSIS:
^ Faulty harness connector

TROUBLE SYMPTOM:
^ Select monitor communication failure

WIRING DIAGRAM





^ Except U5 model





^ U5 model