Operation CHARM: Car repair manuals for everyone.
Manuals through 2025 now available!

Our trusted friends have launched a new website named LEMON, which has newer manuals. It also contains all the CHARM manuals.

LEMON is the spiritual successor to CHARM, I recommend you try it!

Link: lemon-manuals.la or lemon-manuals.org.ua

(Some people have issue connecting. LEMON is investigating. For now, use Firefox or change your DNS server)

Or, hide this message: temporarily or permanently

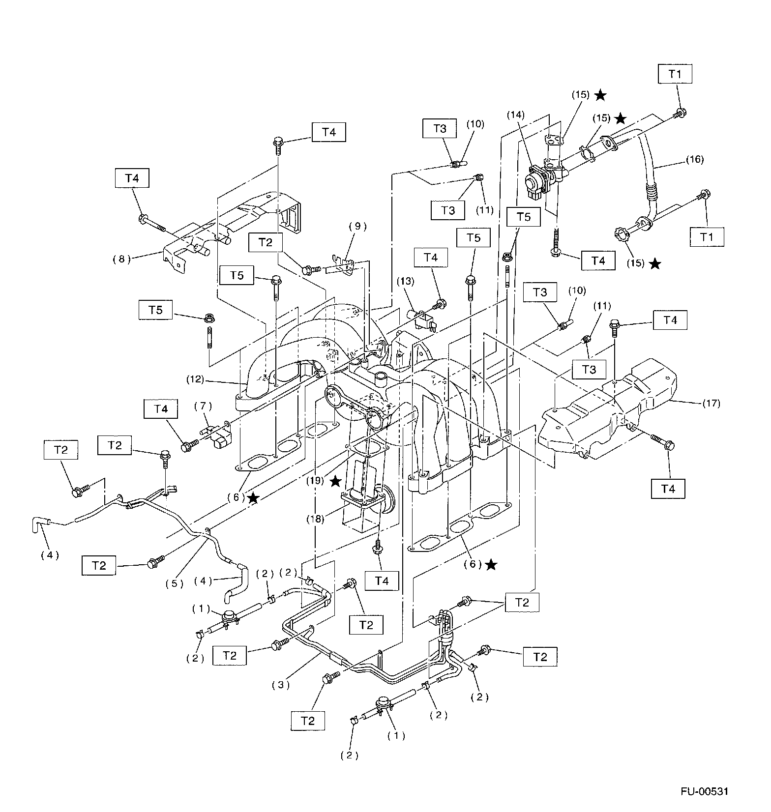
Fuel Injector: Service and Repair

Intake Manifold Part 1:




Intake Manifold Part 2:






REMOVAL

RH SIDE

1. Release fuel pressure.
2. Open fuel flap lid, and remove fuel filler cap.




3. Disconnect battery ground cable.
4. Remove air cleaner lower case.
5. Remove power steering pump and tank from brackets.
1. Remove V-belt.




2. Remove power steering oil pipe with bracket.




3. Remove bolts which install power steering pump bracket.

CAUTION: Do not separate hose and pipe from the main pump.




4. Disconnect power steering pump switch connector.




5. Remove power steering tank from the bracket by pulling it upward.




6. Place power steering pump on the right side wheel apron.




6. Remove ground cable from fuel pipe protector




7. Remove fuel pipe protector RH.
8. Disconnect connector (A) from fuel injector.




9. Remove bolt (B) which holds injector pipe onto cylinder head.
10. Remove fuel injector while lifting up fuel injector pipe.

LH SIDE

1. Release fuel pressure.
2. Open fuel flap lid, and remove fuel filler cap.




3. Disconnect battery ground cable.




4. Remove two bolts which install washer tank on body.
5. Disconnect connector from front window washer motor.




6. Disconnect connector from rear gate glass washer motor.
7. Disconnect rear window glass washer hose from washer motor, then plug connection with a suitable cap.




8. Move washer tank upward.




9. Remove ground cable from fuel pipe protector




10. Remove fuel pipe protector LH.
11. Disconnect connector (A) from fuel injector.




12. Remove bolt (B) which holds injector pipe onto cylinder head.
13. Remove fuel injector while lifting up fuel injector pipe.

INSTALLATION

RH SIDE




Install in the reverse order of removal.

NOTE: Replace O-rings and insulators with new ones.




Tightening torque: 19 N.m (1.9 kgf-m, 14 ft-lb)




Tightening torque: 19 N.m (1.9 kgf-m, 14 ft-lb)

LH SIDE




Install in the reverse order of removal.

NOTE: Replace O-rings and insulators with new ones.




Tightening torque: 19 N.m (1.9 kgf-m, 14 ft-lb)




Tightening torque: 19 N.m (1.9 kgf-m, 14 ft-lb)