Operation CHARM: Car repair manuals for everyone.
Manuals through 2025 now available!

Our trusted friends have launched a new website named LEMON, which has newer manuals. It also contains all the CHARM manuals.

LEMON is the spiritual successor to CHARM, I recommend you try it!

Link: lemon-manuals.la or lemon-manuals.org.ua

(Some people have issue connecting. LEMON is investigating. For now, use Firefox or change your DNS server)

Or, hide this message: temporarily or permanently

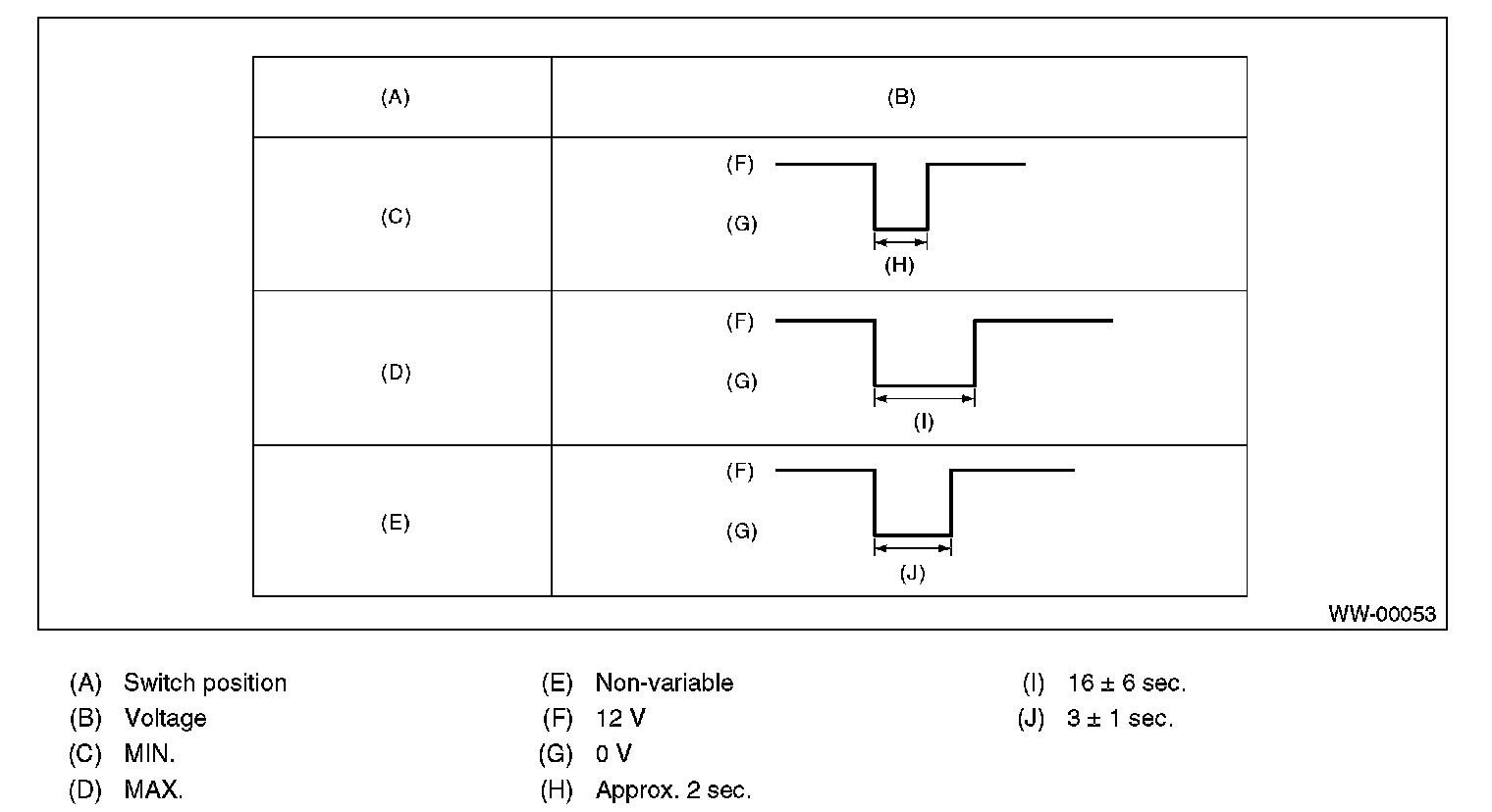
Wiper Switch: Testing and Inspection

INSPECTION







- Inspect the continuity between each connector terminal.
If continuity is not as specified, replace the switch.

- Intermittent operation inspection
1. Turn the wiper switch to INT.
2. Adjust the intermittent control switch to MAX.




3. Apply battery voltage to switch terminals 17 and 2, and inspect the voltage of terminals 7 and 2. (Measure the voltage from after the second time the wiper stops.)
If operation is not as specified, replace the switch.