Operation CHARM: Car repair manuals for everyone.
Manuals through 2025 now available!

Our trusted friends have launched a new website named LEMON, which has newer manuals. It also contains all the CHARM manuals.

LEMON is the spiritual successor to CHARM, I recommend you try it!

Link: lemon-manuals.la or lemon-manuals.org.ua

(Some people have issue connecting. LEMON is investigating. For now, use Firefox or change your DNS server)

Or, hide this message: temporarily or permanently

Part 1





CYLINDER BLOCK

REMOVAL

NOTE: Before conducting this procedure, drain the engine oil completely.

1) Remove the intake manifold.
2) Remove the V-belts.
3) Remove the crank pulley.
4) Remove the timing belt cover.
5) Remove the timing belt.
6) Remove the cam sprocket.
7) Remove the crank sprocket.
8) Remove the generator and A/C compressor with their brackets.
9) Remove the rocker cover.





10) Remove the cylinder head bolts in alphabetical sequence as shown in the figure.

NOTE: Leave bolts (a) and (c) engaged by three or four threads to prevent the cylinder head from falling.

11) While tapping the cylinder head with a plastic hammer, separate it from cylinder block.





12) Remove the bolts (a) and (c) to remove the cylinder head.
13) Remove the cylinder head gasket.

NOTE: Do not scratch the mating surface of cylinder head and cylinder block.

14) Similarly, remove the right side cylinder head.
15) Remove the clutch housing cover. (MT model)

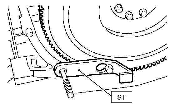
16) Remove the flywheel (MT model) or drive plate (AT model).
Lock the crankshaft using ST.
ST 498497100 CRANKSHAFT STOPPER





^ MT model





^ AT model

17) Remove the oil separator cover.
18) Remove the water by-pass pipe for heater.





19) Remove the water pump after loosening the bolts in alphabetical sequence as shown in the figure.





20) Remove the oil pump from cylinder block. Use a flat tip screwdriver as shown in the figure when removing the oil pump.

CAUTION: Be careful not to scratch the mating surface of cylinder block and oil pump.

21) Remove the oil pan.
(1) Place the cylinder block to face the #2 and #4 piston side upward.
(2) Remove the bolts which secure oil pan to cylinder block.





(3) Insert a oil pan cutter blade between cylinder block-to-oil pan clearance and remove the oil pan.

NOTE: Do not use a screwdriver or similar tools in place of oil pan cutter.

22) Remove the oil strainer stay.
23) Remove the oil strainer.
24) Remove the baffle plate.





25) Remove the oil filter using ST.
ST 498547000 OIL FILTER WRENCH (Outer diameter: 80 mm (3.15 inch))
ST 18332AA000 OIL FILTER WRENCH (Outer diameter: 68 mm (2.68 inch))
ST 18332AA010 OIL FILTER WRENCH (Outer diameter: 65 mm (2.56 inch))

NOTE: Standard oil filter is outer diameter 68 mm (2.68 in). SUBARU genuine oil filter outer diameter 65 mm (2.56 inch) or 80 mm (3.15 inch) can also be used.








26) Remove the water pipe.





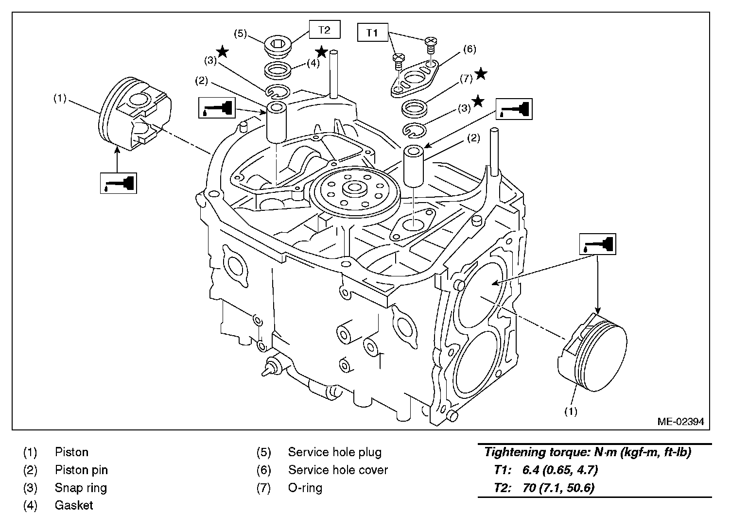
27) Remove the service hole cover and service hole plugs using a hexagon wrench (14 mm).





28) Rotate the crankshaft to bring #1 and #2 pistons to bottom dead center position, then remove the piston snap ring through service hole of #1 and #2 cylinders.





29) Draw out the piston pin from #1 and #2 pistons using ST.
ST 499097700 PISTON PIN REMOVER

NOTE: Be careful not to confuse the original combination of piston, piston pin and cylinder.

30) Similarly remove the piston pins from #3 and #4 pistons.
31) Remove the bolts which connect cylinder block on the side of #2 and #4 cylinders.





32) Back off the bolts which connect cylinder block on the side of #1 and #3 cylinders two or three turns.
33) Set up the cylinder block so that #1 and #3 cylinders are on the upper side, then remove the cylinder block connecting bolts.
34) Separate the cylinder block (RH) and (LH).

NOTE: When separating the cylinder block, do not allow the connecting rod to fall or damage the cylinder block.

35) Remove the rear oil seal.
36) Remove the crankshaft together with connecting rod.
37) Remove the crankshaft bearings from cylinder block using a hammer handle.

NOTE: Be careful not to confuse the crankshaft bearing combination. Press the bearing at the end opposite to locking lip.

38) Draw out each piston from cylinder block using a wooden bar or hammer handle.

NOTE: Be careful not to confuse the original combination of piston and cylinder.

INSTALLATION





NOTE: Remove oil on the mating surface of bearing and cylinder block before installation. Apply a coat of engine oil to crankshaft pins.

1) Position the crankshaft on the #2 and #4 cylinder block.





2) Apply liquid gasket to the mating surface of #1 and #3 cylinder block, and position it on #2 and #4 cylinder block.
Liquid gasket: THREE BOND 1215 (Part No. 004403007) or equivalent

NOTE: Do not allow liquid gasket to flow into O-ring grooves, oil passages, bearing grooves, etc.

3) Apply engine oil to washer and bolt threads.





4) Tighten the 10 mm cylinder block connecting bolts on LH side (A-D) in alphabetical sequence.
Tightening torque: 10 Nm (1.0 kgf-m, 7.2 ft. lbs.)





5) Tighten the 10 mm cylinder block connecting bolts on RH side (E-J) in alphabetical sequence.
Tightening torque: 10 Nm (1.0 kgf-m, 7.2 ft. lbs.)





6) Further tighten the LH side bolts (A-D) in alphabetical sequence.
Tightening torque: 18 Nm (1.8 kgf-m, 13 ft. lbs.)





7) Further tighten the RH side bolts (E-J) in alphabetical sequence.
Tightening torque: 18 Nm (1.8 kgf-m, 13 ft. lbs.)





8) Further tighten the LH side bolts (A-D) in alphabetical sequence.
^ (A), (C): Tighten with specified angle
Tightening angle: 90°
^ (B), (D): Tighten with specified torque
Tightening torque: 40 Nm (4.1 kgf-m, 29.6 ft. lbs.)





9) Further tighten the RH side bolts (E-J) to 90° in alphabetical sequence.





10) Tighten the 8 mm and 6 mm cylinder block connecting bolts on LH side (A-H) in alphabetical sequence.
Tightening torque:
(A)-(G): 25 Nm (2.5 kgf-m, 18.1 ft. lbs.)
(H): 6.4 Nm (0.65 kgf-m, 4.7 ft. lbs.)





11) Install the rear oil seal using ST1 and ST2.
ST1 499597100 OIL SEAL GUIDE
ST2 499587200 OIL SEAL INSTALLER

NOTE: Use a new rear oil seal.

12) Position the top ring gap at (A) or (B) in the figure.





13) Position the second ring gap at 180° on the reverse side of the top ring gap.





14) Position the upper rail gap at (c) in the figure.





15) Align the upper rail spin stopper (E) to the side hole (D) on the piston.





16) Position the expander gap at 180° on the reverse side of (c) that shown (F) in the figure.





17) Position the lower rail gap at 120° on counterclockwise of (c) that shown (G) in the figure.

CAUTION:
^ Ensure ring gaps do not face the same direction.
^ Ensure ring gaps are not within the piston skirt area.











18) Install the snap ring. Install snap rings in the piston holes located opposite to the service holes in cylinder block, when positioning all pistons in the corresponding cylinders.

NOTE: Use new snap rings.

CAUTION: Piston front mark faces towards the front of engine.

19) Install the piston.
(1) Place the cylinder block to face the #1 and #2 cylinder side upward.
(2) Using ST1, turn the crankshaft so that #1 and #2 connecting rods are set at bottom dead center.
ST1 499987500 CRANKSHAFT SOCKET





(3) Apply a coat of engine oil to the pistons and cylinders and insert pistons in their cylinders using ST2.
ST2 498747300 PISTON GUIDE

20) Install the piston pin.
(1) Apply a coat of engine oil to ST3.





(2) Insert ST3 into the service hole to align piston pin hole with connecting rod small end.
ST3 499017100 PISTON PIN GUIDE
(3) Apply a coat of engine oil to piston pin, and insert the piston pin into piston and connecting rod through service hole.





(4) Install the snap ring.

NOTE: Use new snap rings.





(5) Apply liquid gasket around the service hole plug.
Liquid gasket: THREE BOND 1215 (Part No. 004403007) or equivalent





(6) Install the service hole plug and gasket.

NOTE: Use a new gasket.





(7) Place the cylinder block to face the #3 and #4 cylinder side upward. Following the same procedures as used for #1 and #2 cylinders, install the pistons and piston pins.





21) Install the water pipe.
22) Install the baffle plate.
Tightening torque: 6.4 Nm (0.65 kgf-m, 4.7 ft. lbs.)
23) Install the oil strainer and O-ring.
Tightening torque: 10 Nm (1.0 kgf-m, 7.2 ft. lbs.)
24) Install the oil strainer stay.





25) Apply liquid gasket to mating surfaces and install the oil pan.
Liquid gasket: THREE BOND 1207C (Part No. 004403012) or equivalent





26) Apply liquid gasket to the mating surfaces and the threaded portion of bolt (A) shown in the figure, and then install the oil separator cover.
Liquid gasket: THREE BOND 1207C (Part No. 004403012) or equivalent
Tightening torque: 6.4 Nm (0.65 kgf-m, 4.7 ft. lbs.)





27) Install the flywheel. (MT model)
To lock the crankshaft, use the ST.
ST 498497100 CRANKSHAFT STOPPER
Tightening torque: 72 Nm (7.3 kgf-m, 52.8 ft. lbs.)





28) Install the drive plate.
To lock the crankshaft, use the ST.
ST 498497100 CRANKSHAFT STOPPER
Tightening torque: 72 Nm (7.3 kgf-m, 52.8 ft. lbs.)
29) Install the housing cover.
30) Installation of oil pump:





(1) Discard the front oil seal after removal. Replace with a new one using ST.
ST 499587100 OIL SEAL INSTALLER





(2) Apply liquid gasket to the matching surface of oil pump.
Liquid gasket: THREE BOND 1215 (Part No. 004403007) or equivalent





(3) Apply a coat of engine oil to the inside of oil seal.





(4) Install the oil pump on cylinder block. Be careful not to damage the oil seal during installation.
Tightening torque:
T: 6.4 Nm (0.65 kgf-m, 4.7 ft. lbs.)

CAUTION:
^ Do not forget to install the O-ring and seal when installing the oil pump.
^ Align the flat surface of oil pump's inner rotor with crankshaft before installation.
^ Apply liquid gasket to the thread of installing bolt designated for sealing.

Liquid gasket: THREE BOND 1324 (Parts No. 004403042) or equivalent





31) Install the water pump and gasket.
Tightening torque:
First: 12 Nm (1.2 kgf-m, 8. 7 ft. lbs.)
Second: 12 Nm (1.2 kgf-m, 8.7 ft. lbs.)

CAUTION:
^ Be sure to use a new gasket.
^ When installing the water pump, tighten bolts in two stages in alphabetical sequence as shown in the figure.

32) Install the water by-pass pipe for heater.
33) Install the oil filter using ST.
ST 498547000 OIL FILTER WRENCH (Outer diameter :80 mm (3.15 inch))
ST 18332AA000 OIL FILTER WRENCH (Outer diameter :68 mm (2.68 inch))
ST 18332AA010 OIL FILTER WRENCH (Outer diameter: 65 mm (2.56 inch))

NOTE: Standard oil filter is outer diameter 68 mm (2.68 inch). SUBARU genuine oil filter outer diameter 65 mm (2.56 inch) or 80 mm (3.15 inch) can also be used.

Install the oil filter by turning it by hand, being careful not to damage the seal rubber.
^ Tighten the oil filter 80 mm (3.15 inch) or 65 mm (2.56 inch) in diameter by approximately 2/3 - 3/4 rotation more after the seal rubber of oil filter comes in contact with cylinder block or oil cooler.
^ Tighten the oil filter 68 mm (2.68 inch) in diameter by approximately 1 rotation more after the seal rubber of oil filter comes in contact with cylinder block or oil cooler.

CAUTION: Do not tighten excessively, or oil may leak.

34) Tighten the cylinder head bolts.
(1) Apply a coat of engine oil to washers and bolt threads.
(2) Tighten all bolts to 29 Nm (3.0 kgf-m, 22 ft. lbs.) in alphabetical sequence. Then tighten all bolts to 69 Nm (7.0 kgf-m, 51 ft. lbs.) in alphabetical sequence.
(3) Back off all bolts by 180° first; and back them off again by 180°.
(4) Tighten all bolts to 42 Nm (4.3 kgf-m, 31 ft. lbs.).
(5) Tighten all bolts by 80 - 90° in alphabetical sequence.
(6) Tighten all bolts by 40 - 45° in alphabetical sequence.

CAUTION: Tightening angle of the bolt must not exceed 45°.





(7) Further tighten the bolts (a) and (b) by 40 - 45°.

CAUTION: Total "re-tightening angle" of the step (6) and (7) must not exceed 90°.