Operation CHARM: Car repair manuals for everyone.
Manuals through 2025 now available!

Our trusted friends have launched a new website named LEMON, which has newer manuals. It also contains all the CHARM manuals.

LEMON is the spiritual successor to CHARM, I recommend you try it!

Link: lemon-manuals.la or lemon-manuals.org.ua

(Some people have issue connecting. LEMON is investigating. For now, use Firefox or change your DNS server)

Or, hide this message: temporarily or permanently

Torque Converter and Case





TORQUE CONVERTER AND CASE





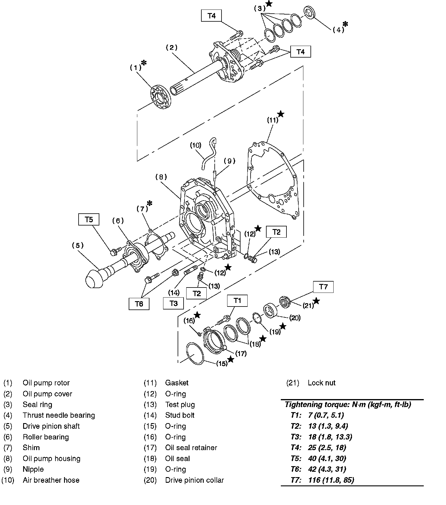
OIL PUMP








TRANSMISSION CASE AND CONTROL DEVICE





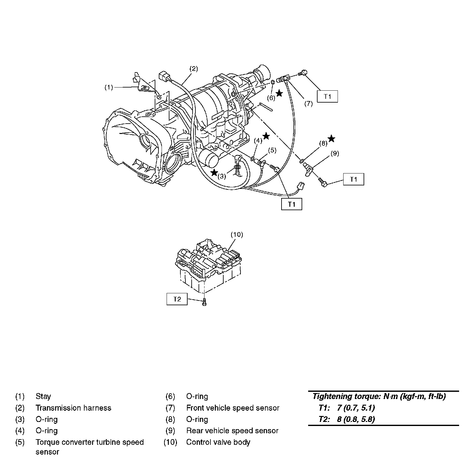
CONTROL VALVE AND HARNESS ROUTING





HIGH CLUTCH AND REVERSE CLUTCH





PLANETARY GEAR AND 2-4 BRAKE





LOW CLUTCH AND LOW & REVERSE BRAKE





REDUCTION GEAR





DIFFERENTIAL GEAR