Operation CHARM: Car repair manuals for everyone.
Manuals through 2025 now available!

Our trusted friends have launched a new website named LEMON, which has newer manuals. It also contains all the CHARM manuals.

LEMON is the spiritual successor to CHARM, I recommend you try it!

Link: lemon-manuals.la or lemon-manuals.org.ua

(Some people have issue connecting. LEMON is investigating. For now, use Firefox or change your DNS server)

Or, hide this message: temporarily or permanently

Water Pump: Service and Repair






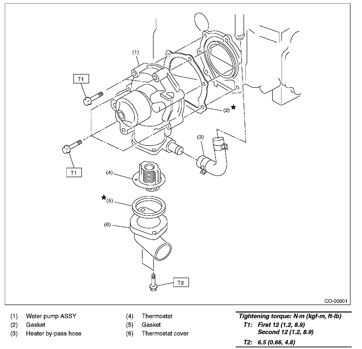
COMPONENTS

REMOVAL
1. Remove the radiator.
2. Remove the V-belts.
3. Remove the timing belt.





4. Remove the automatic belt tension adjuster.





5. Remove the belt idler No. 2.





6. Remove the cam sprocket (LH) using ST.
ST 18231AA010 CAM SPROCKET WRENCH

NOTE: CAM SPROCKET WRENCH (499207100) can also be used.





7. Remove the belt cover No. 2 (LH).





8. Remove the tensioner bracket.
9. Disconnect the hose from water pump.





10. Remove the water pump.

INSTALLATION





1. Install the water pump onto cylinder block (LH).

NOTE:
^ Use a new gasket.
^ When installing the water pump, tighten the bolts in two stages in alphabetical sequence as shown in figure.

2. Connect the hose to the water pump.





3. Install the tensioner bracket.





4. Install the belt cover No. 2 (LH).





5. Install the cam sprocket (LH) using ST.
ST 18231AA010 CAM SPROCKET WRENCH

NOTE: CAM SPROCKET WRENCH (499207100) can also be used.





6. Install the belt idler No. 2.
7. Install the automatic belt tension adjuster which tension rod is held with pin.
8. Install the timing belt.
9. Install the V-belts.
10. Install the radiator.

INSPECTION
1. Check the water pump bearing for smooth rotation.
2. Check the water pump pulley for abnormalities.
3. Check the impeller for crack or deformation.





4. Check the clearance between impeller and pump case.
Clearance between impeller and pump case:
5. After water pump installation, check the pulley shaft for engine coolant leaks. If leaks are noted, replace the water pump assembly.