Operation CHARM: Car repair manuals for everyone.
Manuals through 2025 now available!

Our trusted friends have launched a new website named LEMON, which has newer manuals. It also contains all the CHARM manuals.

LEMON is the spiritual successor to CHARM, I recommend you try it!

Link: lemon-manuals.la or lemon-manuals.org.ua

(Some people have issue connecting. LEMON is investigating. For now, use Firefox or change your DNS server)

Or, hide this message: temporarily or permanently

Description of On-Board Diagnostics

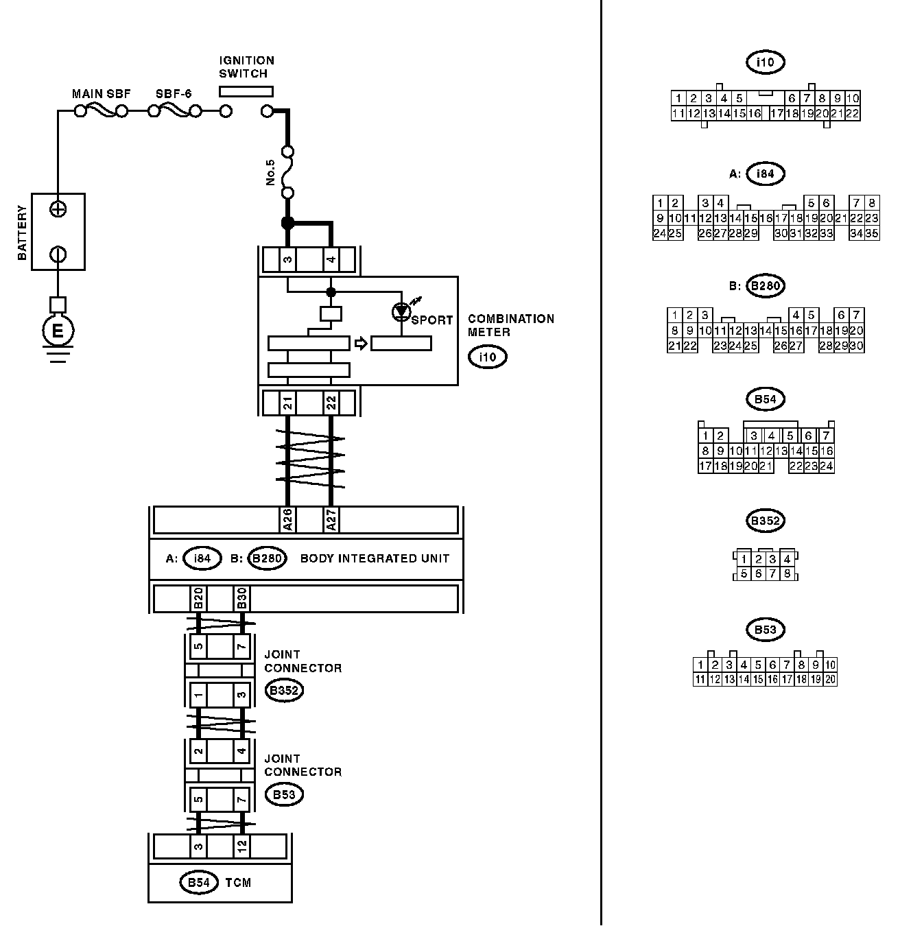
SPORT Indicator Light Display

OPERATION





When any on-board diagnostics item is malfunctioning, the display on the SPORT indicator light blinks from the time the malfunction is detected after starting the engine until the ignition switch is turned OFF. The malfunctioning part or unit can be determined by a DTC during the on-board diagnostics operation. Problems which occurred previously can also be identified through the memory function. If the SPORT indicator light does not show a problem (although a problem is occurring), the problem can be determined by checking the performance characteristics of each sensor using Subaru Select Monitor. Indicator light signal patterns are as shown in the figure.
Perform the inspection when the SPORT indicator light does not operate correctly.

INSPECTION

DIAGNOSIS
SPORT indicator light circuit is open or shorted.

TROUBLE SYMPTOM
When the ignition switch is turned to ON (engine OFF), SPORT indicator light does not illuminate.








WIRING DIAGRAM