Operation CHARM: Car repair manuals for everyone.
Manuals through 2025 now available!

Our trusted friends have launched a new website named LEMON, which has newer manuals. It also contains all the CHARM manuals.

LEMON is the spiritual successor to CHARM, I recommend you try it!

Link: lemon-manuals.la or lemon-manuals.org.ua

(Some people have issue connecting. LEMON is investigating. For now, use Firefox or change your DNS server)

Or, hide this message: temporarily or permanently

Rear ABS Sensor

Rear ABS Wheel Speed Sensor

REMOVAL
1) Disconnect the ground cable from battery.
2) Lift-up the vehicle.
3) Remove the rear seat and disconnect the rear ABS wheel speed sensor connector. Pull the connector out from grommet hole to under floor.
4) Remove the rear sensor harness bracket from the rear trailing link and bracket.





5) Remove the rear ABS wheel speed sensor from back plate.

CAUTION:
^ Be careful not to damage the pole piece located at tip of the sensor and teeth faces during removal.
^ Do not pull the sensor harness during removal.

6) Remove the rear tone wheel while removing the hub from housing and hub assembly.

INSTALLATION
1) Install the rear tone wheel on hub, then rear housing on hub.





2) Temporarily install the rear ABS wheel speed sensor on back plate.

CAUTION:
Be careful not to strike the ABS wheel speed sensor's pole piece against tone wheel and adjacent metal parts during installation.

3) Install the rear drive shaft to rear housing and rear differential spindle.





4) Install the rear sensor harness on rear trailing link.
Tightening torque: 33 Nm (3.3 kgf-m, 24 ft. lbs.)
5) Check the ABS wheel speed sensor gap. After standard clearance is obtained, tighten the ABS wheel speed sensor on back plate to specified torque.
If the clearance is outside specification, readjust using spacer (Part No. 26755AA000).
ABS wheel speed sensor standard clearance:0.7-1.2 mm (0.028-0.047 inch)
Tightening torque: 33 Nm (3.3 kgf-m, 24 ft. lbs.)

NOTE: Check the marks on the harness and make sure no kink exists. (RH: Light blue, LH: Brown)

6) After confirmation of the ABS wheel speed sensor clearance, connect the connector to ABS wheel speed sensor.
7) Connect the battery ground cable to battery.

INSPECTION

ABS WHEEL SPEED SENSOR
1) Check the pole piece of ABS wheel speed sensor for foreign particles or damage. If necessary, clean the pole piece or replace ABS wheel speed sensor.





2) Measure the ABS wheel speed sensor resistance.
If resistance is out of standard value, replace the ABS wheel speed sensor with a new one.

NOTE: Check the ABS wheel speed sensor cable for discontinuity. If necessary, replace with a new one.

SENSOR GAP





1) Measure the clearance between tone wheel and ABS wheel speed sensor at whole periphery.

NOTE: If clearance is narrow, adjust by using spacer (Part No. 26755AA000).If clearance is wide, check the outputted voltage then replace the ABS wheel speed sensor or tone wheel if the outputted voltage is outside specification.

ABS wheel speed sensor clearance: 0.7-1.2 mm (0.028-0.047 inch)

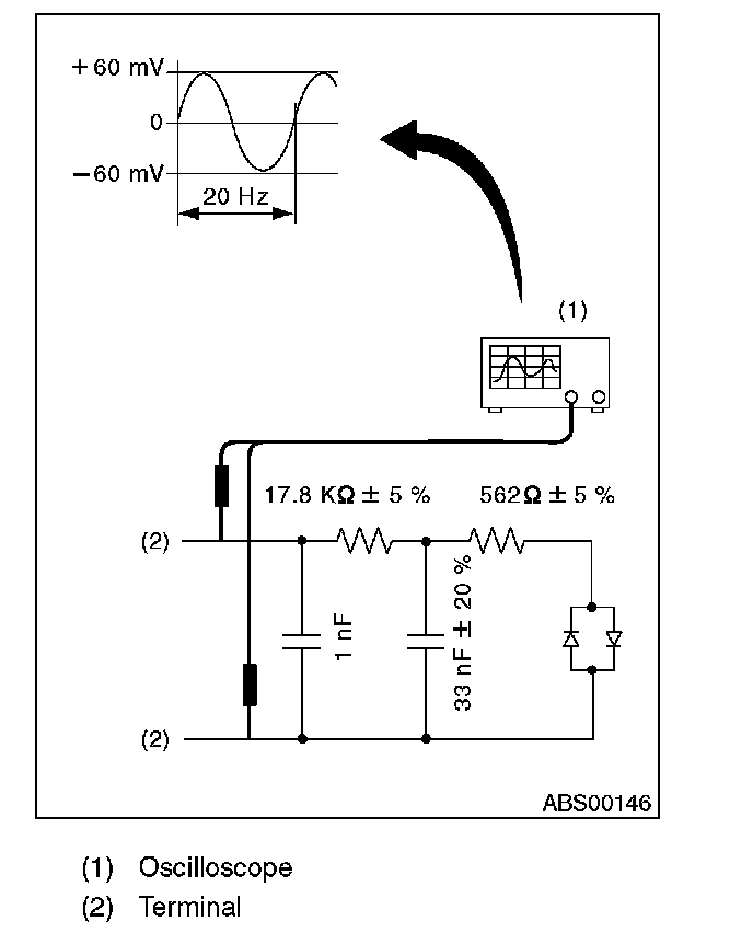
OUTPUT VOLTAGE





Output voltage can be checked by the following method. Install the resistor and condenser, then rotate the wheel about 2.75 km/h (2 MPH) or equivalent.
Output voltage specification: 0.12-1 Volts (at 20 Hz)

NOTE: Regarding terminal No., please refer to item ABS WHEEL SPEED SENSOR.

ADJUSTMENT
Adjust the gap using spacer (Part No. 26755AA000).