Operation CHARM: Car repair manuals for everyone.
Manuals through 2025 now available!

Our trusted friends have launched a new website named LEMON, which has newer manuals. It also contains all the CHARM manuals.

LEMON is the spiritual successor to CHARM, I recommend you try it!

Link: lemon-manuals.la or lemon-manuals.org.ua

(Some people have issue connecting. LEMON is investigating. For now, use Firefox or change your DNS server)

Or, hide this message: temporarily or permanently

Front ABS Sensor

Front ABS Sensor

REMOVAL
1. Disconnect ground cable from battery.
2. Disconnect front ABS sensor connector located next to front strut mounting house in engine compartment.





3. Remove bolts which secure sensor harness to strut.





4. Remove bolts which secure sensor harness to body.





5. Remove bolts which secure front ABS sensor to housing, and remove front ABS sensor.

CAUTION:
^ Be careful not to damage pole piece located at tip of the sensor and teeth faces during removal.
^ Do not pull sensor harness during removal.

INSTALLATION





1. Temporarily install front ABS sensor on housing.

CAUTION: Be careful not to strike ABS sensor's pole piece and tone wheel's teeth against adjacent metal parts during installation.





2. Install front ABS sensor on strut and wheel apron bracket.
Tightening torque: 33 Nm (3.4 kgf-m, 24 ft. lbs.)





3. Place a thickness gauge between ABS sensor's pole piece and tone wheel's tooth face. After standard clearance is obtained over the entire perimeter, tighten ABS sensor on housing to specified torque.





CAUTION: Check the marks on the harness to make sure that no distortion exists.

NOTE: If the clearance is outside specifications, adjust the gap using spacer (Part No. 26755AA000).

4. After confirmation of the ABS sensor clearance, connect connector to ABS sensor.
5. Connect connector to battery ground cable.

INSPECTION

ABS SENSOR
1. Check pole piece of ABS sensor for foreign particles or damage. If necessary, clean pole piece or replace ABS sensor.





2. Measure ABS sensor resistance.

CAUTION: If resistance is outside the standard value, replace ABS sensor with new one.

NOTE: Check ABS sensor cable for discontinuity. If necessary, replace with a new one.

2. SENSOR GAP





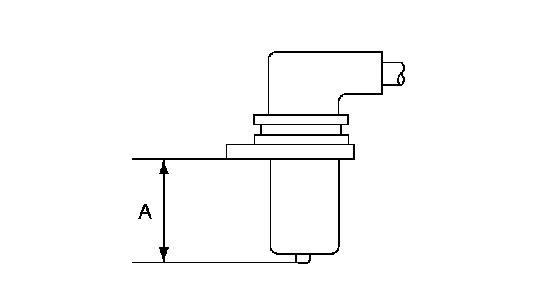
1. Measure the distance "A" between ABS sensor surface and sensor pole face.





2. Measure the distance "B" between surface where the front axle housing meets the ABS sensor, and the tone wheel.

NOTE: Measure so that the gauge touches the tone wheel teeth top.

3. Find the gap between the ABS sensor pole face and the surface of the tone wheel teeth by putting the measured valves in the formula below and calculating.
ABS sensor clearance = B - A
ABS sensor standard clearance: 0.3 - 0.8 mm (0.012 - 0.031 inch)

NOTE: If the clearance is outside specifications, adjust the gap using spacer (Part No. 26755AA000).

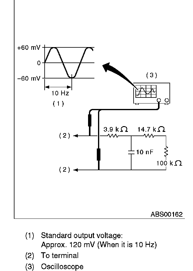
OUTPUT VOLTAGE





Output voltage can be checked by the following method. Install resistor and condenser, then rotate wheel about 2.75 km/h (2 MPH) or equivalent.

NOTE: Regarding terminal No., please refer to item ABS SENSOR.

ADJUSTMENT
Adjust the gap using spacer (Part No. 26755AA000).